3225mm,QTCT236LWH-125.000000,125MHz,Q-Tech差分晶振,美国进口晶振,Q-Tech晶振,型号:QTCT236,编码为:QTCT236LWH-125.000000,频率为:125.000MHz,小体积晶振尺寸:3.2x2.5mm,六脚贴片晶振,LVDS输出差分晶振,TCXO温度补偿晶体振荡器,有源晶振,石英晶体振荡器,石英晶振,温补晶振,差分晶体振荡器。Q-Tech的表面安装QTCT236振荡器由一个IC 2.5Vdc或3.3Vdc TCXO内置在一个低轮廓陶瓷封装与镀金接触垫。有源晶振,具有超小型,轻薄型,低抖动,低功耗,低相位噪声,低电源电压,低电平,低耗能,低损耗等特点。应用程序:旨在满足当今低压应用的要求,千兆以太网,光纤通道,声纳,微处理器/DSP/FPGAS,宽带接入,智能电网等。
3225mm,QTCT236LWH-125.000000,125MHz,Q-Tech差分晶振,参数表
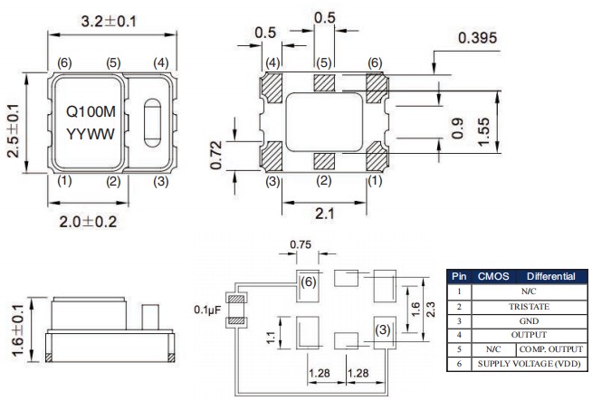
3225mm,QTCT236LWH-125.000000,125MHz,Q-Tech差分晶振
产品特点:
ECCN:EAR99
CMOS频率范围从10.000000MHz到250.000000MHz
差频范围从10.000000MHz到1.5000000GHz
占地面积:3.2x2.5mm
CMOS、LVDS或LVPECL逻辑石英晶体振荡器
2.5和3.3Vdc电源
工作温度-40ºC至+85ºC可用
磁带和卷轴包装
根据MIL-PRF-55310对可用的3类设备进行军事筛选测试
设计符合MIL-STD-883,方法2002,条件B(1500g峰值,0.5ms脉冲)
无铅,符合RoHS
低相位抖动-0.8ps RMS,典型偏移为12kHz至20MHz
服务热线:0755-27839045
Q Q联系:262320519
邮箱:szceob2b@163.com


