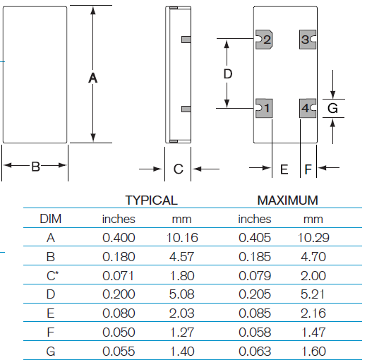
频率:0.7~2.1 MHz 尺寸:10.2*4.5mm
有源晶振,是只晶体本身起振需要外部电压供应,起振后可直接驱动CMOS 集成电路,产品本身已实现与薄型IC(TSSOP封装,TVSOP封装)同样的1mm厚度,断开时的消费电流是15 µA以下,编带包装方式可对应自动搭载及IR回流焊接(无铅对应)产品有几种电压供选1.8V,2.5V,3V3.3V,5V,以应对不同IC产品需要..

Statek晶振,LSM晶振,表面贴装振荡器 ,Statek晶振公司是设计和制造高可靠频率控制产品的领导者,研发生产低相位低抖动石英晶体振荡器.以前要实现卓越的高系统性能需要消耗大量的石英晶体振荡器,这对于很多应用领域而言是笔不小的开销,因为空间上和电力方面都比较耗资源.为了实现客户低消耗高收益的作业,Statek公司依旧注重品质,专注服务不断改进,致力于研发生产超薄,超小型石英晶振,贴片晶振,石英晶体,有源振荡器,温补晶体振荡器以及传感器等器件,产品均在美国研发设计,制造,检测.
|
项目 |
符号 |
LSM晶振 |
条件 |
|
输出频率范围 |
f0 |
0.7~2.1 MHz |
请联系我们以便获取其它可用频率的相关信息 |
|
电源电压 |
VCC |
3.3 V,5.0V |
请联系我们以了解更多相关信息 |
|
储存温度 |
T_stg |
-55℃ to +125℃ |
裸存 |
|
工作温度 |
T_use |
G: -10℃ to +70℃ |
请联系我们查看更多资料http://www.jingzhen95.com |
|
H: -40℃ to +85℃ |
|||
|
J: -55℃ to +125℃ |
|||
|
频率稳定度 |
f_tol |
J: ±10 × 10-6 |
|
|
L: ±25 × 10-6 |
|||
|
T: ±100 × 10-6 |
|||
|
功耗
|
ICC
|
6 mA Max. |
无负载条件、最大工作频率
|
|
待机电流 |
I_std |
3.3μA Max. |
ST=GND |
|
占空比 |
SYM |
45 % to 55 % |
50 % VCC 极, L_CMOS≦15 pF |
|
输出电压 |
VOH |
VCC-0.4V Min. |
|
|
VOL |
0.4 V Max. |
|
|
|
输出负载条件 |
L_CMOS |
15 pF Max. |
|
|
输入电压 |
VIH |
80% VCC Max. |
ST 终端 |
|
VIL |
20 % VCC Max. |
||
|
上升/下降时间 |
tr / tf |
4 ns Max. |
20 % VCC to 80 % VCC 极, L_CMOS=15 pF |
|
振荡启动时间 |
t_str |
5 ms Max. |
t=0 at 90 % |
|
频率老化 |
f_aging |
±3 × 10-6 / year Max. |
+25 ℃, 初年度,第一年 |


超声波清洗
(1)使用AT-切割晶体和表面声波(SAW)谐振器/声表面滤波器的产品,可以通过超声波进行清洗。但是,在某些条件下, 晶体特性可能会受到影响,而且内部线路可能受到损坏。确保已事先检查系统的适用性。
(2)使用时钟晶振和陀螺仪传感器的产品无法确保能够通过超声波方法进行清洗,因为晶体可能受到破坏。
(3)请勿清洗开启式产品
(4)对于可清洗产品,应避免使用可能对石英水晶谐振器产生负面影响的清洗剂或溶剂等。
(5)焊料助焊剂的残留会吸收水分并凝固。这会引起诸如位移等其它现象。这将会负面影响晶振的可靠性和质量。请清理残余的助焊剂并烘干PCB。
操作
请勿用镊子或任何坚硬的工具,夹具直接接触IC的表面。
使用环境(温度和湿度)
请在规定的温度范围内使用SMD晶振。这个温度涉及本体的和季节变化的温度。在高湿环境下,会由于凝露引起故障。请避免凝露的产生。Statek晶振,LSM晶振,表面贴装振荡器

STATEK晶振公司环保理念:
STATEK晶振公司的目标是保证石英晶振,贴片晶振,晶体振荡器,有源晶振产品继续满足客户要求的同时对环境的影响降到最小,在生产过程中不断节约能源和资源,努力实现环境管理体系与环境行为持续改进.
STATEK晶振承诺保护环境,重视员工、客户和公众的健康和安全.我们从事任何活动,都要以注重安全和环保方式,并考虑到生态系统的复杂性和相关性.
建立目标指标、监测程序,利用最好的管理手段,应用节约成本的技术,持续改进我们的环境表现.我们承诺采取积极的、预防性的战略管理来对自然环境和地方社区的影响最小化.
STATEK晶振运用ISO14001环境管理系统进行环境管理,尽最大可能减小晶体振荡器,有源晶振,压电石英晶体,石英水晶振荡子业务活动对环境造成的负担,并通过业务发展推进环境改善.
STATEK晶振环保环境与发展对策:实行可持续发展战略.采取有效措施,防治工业污染.提高能源利用效率,改善能源结构.运用经济手段保护环境.大力推进科技进步,加强环境科学研究,积极发展环境保护产业.健全环境法规,强化环境管理.加强环境教育,不断提高环境意识.
STATEK晶振公司在“制造、使用、有效利用、再利用”这样一个石英水晶振荡子,SMD晶振、有源晶体、石英晶振产品生命周期中,努力创造丰富的价值,给社会带来温馨和安宁,感动和惊喜,同时为减少环境影响,努力做好“防止地球变暖、有效利用资源、对化学物质进行管理”,实现与地球的和谐相处.Statek晶振,LSM晶振,表面贴装振荡器

服务热线:0755-27839045
Q Q联系:262320519
邮箱:szceob2b@163.com


