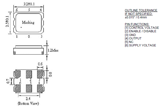
频率:10~170MHz 尺寸:3.2*2.5mm
小体积有源石英晶体振荡器,在生产时需要在完全净化车间,在密封的机器设备中测良,封装等技术1.防止外界气体进入组件体内受到污染和增加应力的产生;2.使组件在真空下电阻减小;3.气密性高。此技术为研发及生产超小型、超薄型石英晶体元器必须攻克的关键技术之一。
Raltron晶振,VPF3晶振,VCXO晶振,Raltron积极追求领先的有源晶体和振荡器技术,专注于满足客户需求。这确保了客户在当今全球市场上获得最具成本效益的频率管理产品。为了满足快速增长的无线应用市场的需求,Raltron还将自己定位为一个完整的解决方案供应商,为其晶振和振荡器提供SAW器件和LTCC滤波器。该公司还为同一市场开发了完整的天线产品系列。
|
项目 |
符号 |
VPF3晶振规格说明 |
条件 |
|
输出频率范围 |
f0 |
10~170MHz |
请联系我们以便获取其它可用频率的相关信息 |
|
电源电压 |
VCC |
3.3V |
请联系我们以了解更多相关信息 |
|
储存温度 |
T_stg |
-55℃ to +125℃ |
裸存 |
|
工作温度
|
T_use
|
-20℃ to +70℃ |
请联系我们查看更多资料http://www.jingzhen95.com
|
| -40℃ to +85℃ | |||
|
频率稳定度
|
f_tol
|
J: ±20 × 10-6
J: ±25 × 10-6 |
|
|
L: ±50× 10-6 |
|||
|
T: ±100 × 10-6 |
|||
|
功耗 |
ICC |
80mA Max. |
无负载条件、最大工作频率 |
|
待机电流 |
I_std |
4.3μA Max. |
ST=GND |
|
占空比 |
SYM |
45 % to 55 % |
50 % VCC 极, L_CMOS≦15 pF |
|
输出电压 |
VOH |
VCC-0.4V Min. |
|
|
VOL |
0.4 V Max. |
|
|
|
输出负载条件 |
L_CMOS |
15 pF Max. |
|
|
输入电压 |
VIH |
80% VCC Max. |
ST 终端 |
|
VIL |
20 % VCC Max. |
||
|
上升/下降时间 |
tr / tf |
6 ns Max. |
20 % VCC to 80 % VCC 极, L_CMOS=15 pF |
|
振荡启动时间 |
t_str |
5 ms Max. |
t=0 at 90 % |
|
频率老化 |
f_aging |
±3 × 10-6 / year Max. |
+25 ℃, 初年度,第一年 |


石英晶振各项注意事项:

Raltron晶振集团环保方针:
Raltron晶振集团对员工进行环境保护知识培训,提高其环境意识,建立环境职责,自觉改进、预防对环境的负面影响.
Raltron晶振在产品的全过程中努力节能降耗,实现资源消耗最小化.对3225贴片晶振,贴片晶振,压控振荡器,普通晶体振荡器(SPXO)、压控晶体振荡器(VCXO)产生环境影响的活动做出及时反应,并对可能产生环境负面影响的活动做出预防.
Raltron晶振按照IS014001标准的要求,建立环境管理体系,并在环境目标和方案设定之后追求持续的环境改善.
建立和遵守其严格的基于活动所在地法律法规的环境、安全和健康标准.将不断地扩展循环利用、能源和废弃物管理项目.
在石英晶振,压控晶体振荡器产品的整个生命周期内确定、评价和改进重要的环境、健康和安全因素.Raltron晶振,VPF3晶振,VCXO晶振

服务热线:0755-27839045
Q Q联系:262320519
邮箱:szceob2b@163.com


