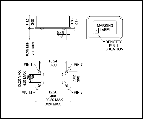
频率:1.5~100MHz 尺寸:20.8*13.2mm
温补晶振(TCXO)产品本身具有温度补偿作用,高低温度稳定性:频率精度高,电源电压:1.8V?3.3V之间可供选择,产品本身具有温度电压控制功能,世界上最薄的晶振封装,因产品性能稳定,精度高等优势,被广泛应用到一些比较高端的数码通讯产品领域,GPS全球定位系统,智能手机,WiMAX和蜂窝和无线通信等产品,符合RoHS/无铅.
Raltron晶振,TX045晶振,TCXO晶振,Raltron积极追求领先的有源晶体和振荡器技术,专注于满足客户需求。这确保了客户在当今全球市场上获得最具成本效益的频率管理产品。如今Raltron晶振公司提供高性能的频率控制解决方案,在价格、质量、应用程序工程和客户支持方面满足和超越客户期望.为了满足快速增长的无线应用市场的需求,Raltron晶振将自己打造成为一个完整的解决方案供应商,在它的石英晶体,石英晶体振荡器,贴片振荡器中添加了锯片和LTCC过滤器.该公司还为同一市场开发了一整套天线产品.
|
型号 |
TX045晶振(TCXO) |
|
|
输出频率范围 |
1.5~100MHz |
|
|
标准频率 |
1.5~100MHz |
|
|
电源电压范围 |
+3.3V~5.0V |
|
|
电源电压(Vcc) |
+3.3V,5.0V |
|
|
消耗电流 |
+6mA max. |
|
|
待机时电流 |
- |
|
|
输出电压 |
0.8Vp-p min.(f≦52MHz)(削峰正弦波/DC-coupled) |
|
|
输出负载 |
10kΩ//10pF |
|
|
频 率 稳 定 度 |
常温偏差 |
±1.5×10-6 max.(After 2 reflows) |
|
温度特性 |
±0.5×10-6,±1×10-6 max./-40~+55℃ |
|
|
电源电压特性 |
±0.2×10-6 max.(VCC ±5%) |
|
|
负载变化特性 |
±0.2×10-6 max.(10kΩ//10pF±10%) |
|
|
长期变化 |
±1.0×10-6 max./year |
|
|
频 率 控 制 |
控制灵敏度 |
- |
|
频率控制极性 |
- |
|
|
启动时间 |
2.0ms max. |
|


石英晶振各项注意事项:
1:抗冲击
抗冲击是指晶振产品可能会在某些条件下受到损坏。例如从桌上跌落,摔打,高空抛压或在贴装过程中受到冲击。如果产品已受过冲击请勿使用。因为无论何种石英晶振,其内部晶片都是石英晶振制作而成的,高空跌落摔打都会给晶振照成不良影响。
2:辐射
将贴片晶振暴露于辐射环境会导致产品性能受到损害,因此应避免阳光长时间的照射。
3:化学制剂 / pH值环境
请勿在PH值范围可能导致腐蚀或溶解石英晶振或包装材料的环境下使用或储藏这些产品。
4:粘合剂
请勿使用可能导致石英晶振所用的封装材料,终端,组件,玻璃材料以及气相沉积材料等受到腐蚀的胶粘剂。(比如,氯基胶粘剂可能腐蚀一个晶振的金属“盖”,从而破坏密封质量,降低性能。
5:卤化合物
请勿在卤素气体环境下使用晶振。即使少量的卤素气体,比如在空气中的氯气内或封装所用金属部件内,都可能产生腐蚀。同时,请勿使用任何会释放出卤素气体的树脂。
6:静电
过高的静电可能会损坏贴片晶振,请注意抗静电条件。请为容器和封装材料选择导电材料。在处理的时候,请使用电焊枪和无高电压泄漏的测量电路,并进行接地操作。Raltron晶振,TX045晶振,TCXO晶振

Raltron晶振集团加强环境意识教育,提高全员环境意识,充分调动职工的积极性,减少生产过程中的废弃物产生量,努力向相关方施加环境影响.
1.为环境保护和降低成本开发绿色技术.进一步解放思想,学习先进,总结实践,针对新形势、新情况,抓好理念创新,促进安全环保工作更加科学、更加有效.
2.为协调发展,共同参与社会的环境、健康与安全的改善活动.带动各项安全环保工作规范化、程序化、科学化管理,加快实现安全环保形势持续好转、根本好转的工作思路.
3.在石英晶振,温补晶振产品的整个生命周期内确定、评价和改进重要的环境、健康和安全因素.
4.建立和维护以国际协定和国家环境、健康与安全法律法规为基础的企业内部标准.
5.为防止事故的发生和制造清洁的生产环境,开发生产过程的安全技术,明确紧急状态反应的职责.
6.Raltron晶振在产品的全过程中努力节能降耗,实现资源消耗最小化.对石英晶振,有源晶振,压控振荡器,普通晶体振荡器(SPXO)产生环境影响的活动做出及时反应,并对可能产生环境负面影响的活动做出预防.Raltron晶振,TX045晶振,TCXO晶振

服务热线:0755-27839045
Q Q联系:262320519
邮箱:szceob2b@163.com


