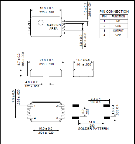
频率:9.6~45MHz 尺寸:18.3*11.7mm
温补晶振(TCXO)产品本身具有温度补偿作用,高低温度稳定性:产品本身具有温度电压控制功能,世界上最薄的晶振封装,因产品性能稳定,精度高等优势,被广泛应用到一些比较高端的数码通讯产品领域,GPS全球定位系统,智能手机,WiMAX和蜂窝和无线通信等产品,符合RoHS/无铅.
Raltron晶振,RTX-230晶振,温补晶体振荡器,Raltron晶振公司成立于1983年,是全球较受欢迎的石英晶振,贴片晶振,压电石英晶体等频率产品制造商之一.从简单的音叉晶体到高稳定性的可编程晶体振荡器,Raltron提供了行业中最全面的频率管理设备.多年来,公司致力于石英晶振,贴片晶振,石英晶体振荡器,有源晶振的研究和开发,使得石英晶体,石英晶体振荡器的技术不断创新.如今Raltron晶振公司提供高性能的频率控制解决方案,在价格、质量、应用程序工程和客户支持方面满足和超越客户期望.
|
型号 |
RTX-230晶振(TCXO) |
|
|
输出频率范围 |
9.6~45M |
|
|
标准频率 |
9.6~45M | |
|
电源电压范围 |
+1.8V~3.3V |
|
|
电源电压(Vcc) |
1.8V,2.5V,2.8V,3.0V,3.3V |
|
|
消耗电流 |
+2mA max. |
|
|
待机时电流 |
- |
|
|
输出电压 |
0.8Vp-p min.(f≦52MHz)(削峰正弦波/DC-coupled) |
|
|
输出负载 |
10kΩ//10pF |
|
|
频 率 稳 定 度 |
常温偏差 |
±2.5×10-6 max.(After 2 reflows) |
|
温度特性 |
±0.3×10-6,±1×10-6 max./-40~+55℃ |
|
|
电源电压特性 |
±0.2×10-6 max.(VCC ±5%) |
|
|
负载变化特性 |
±0.2×10-6 max.(10kΩ//10pF±10%) |
|
|
长期变化 |
±1.0×10-6 max./year |
|
|
频 率 控 制 |
控制灵敏度 |
- |
|
频率控制极性 |
- |
|
|
启动时间 |
2.0ms max. |
|


自动安装时的冲击:
石英晶振自动安装和真空化引发的冲击会破坏产品特性并影响这些产品。请设置安装条件以尽可能将冲击降至最低,并确保在安装前未对晶振特性产生影响。条件改变时,请重新检查安装条件。同时,在安装前后,请确保石英晶振产品未撞击机器或其他电路板等。
每个封装类型的注意事项
陶瓷包装晶振与SON产品
在焊接陶瓷封装晶振和SON产品 (陶瓷包装是指晶振外观采用陶瓷制品) 之后,弯曲电路板会因机械应力而导致焊接部分剥落或封装分裂(开裂)。尤其在焊接这些产品之后进行电路板切割时,务必确保在应力较小的位置布局晶体并采用应力更小的切割方法。
陶瓷包装石英晶振
在一个不同扩张系数电路板(环氧玻璃)上焊接陶瓷封装石英晶振时,在温度长时间重复变化时可能导致端子焊接部分发生断裂,请事先检查焊接特性。
(2)陶瓷封装贴片晶振
在一个不同扩张系数电路板(环氧玻璃)上焊接陶瓷封装贴片晶振时,在温度长时间重复变化时可能导致端子焊接部分发生断裂,请事先检查焊接特性。

Raltron石英晶振集团加强环境意识教育,提高全员环境意识,充分调动职工的积极性,积极使用压电石英晶体元器件、压电石英晶体、有源晶体、普通晶体振荡器,恒温晶体振荡器等环保型原材料,减少生产过程中的废弃物产生量,努力向相关方施加环境影响.
我们的活动、产品和服务首先要遵守和符合有关环境的法律和其他环境要求.努力探索生产中所使用的有毒有害物质的替代,本着污染预防的思想,使我们的晶体振荡器,有源晶振, 普通晶体振荡器,温补晶振更趋于绿色,提高本公司的社会形象.
深入贯彻落实科学发展观,牢固树立安全发展理念,强化责任,狠抓落实,加强防范,坚决遏制重特大事故发生.要毫不松懈地抓好安全环保工作,坚持把“环保优先、安全第一、质量至上、以人为本”的理念落实到生产建设全过程.
Raltron石英晶振坚持运用,不断完善, (TCXO)温补晶体振荡器,石英晶振,生产设备,持续改进,更要针对新情况、新问题,不断学习先进,总结经验,结合实际,及时改进旧方法,勇于摈弃落后方法.
带动各项安全环保工作规范化、程序化、科学化管理,加快实现安全环保形势持续好转、根本好转的工作思路.进一步解放思想,学习先进,总结实践,针对新形势、新情况,抓好理念创新,促进安全环保工作更加科学、更加有效.Raltron晶振,RTX-230晶振,温补晶体振荡器

服务热线:0755-27839045
Q Q联系:262320519
邮箱:szceob2b@163.com


Skyworks物联网差分晶振,Si595低电压晶振,595NG250M000DG,尺寸7.0*5.0mm,频率360MHZ,输出逻辑LVDS,电压3.3V,频率稳定性50ppm,欧美进口晶振,思佳讯差分振荡器,Skyworks有源晶振,LVDS差分输出晶振,6脚贴片晶振,差分晶体振荡器,差分贴片晶振,石英差分振荡器,有源差分晶振,有源差分振荡器,高频差分振荡器,高品质差分晶振,低抖动差分晶振,低功耗差分晶振,低电压差分晶振,低相噪差分晶振,低损耗差分晶振,低相位差分晶振,物联网差分晶振,北斗模块差分晶振,智能家居差分晶振,小型设备差分晶振,航空电子差分晶振,交换机差分晶振,无线路由器差分晶振,智能体温计差分晶振,具有高品质低抖动的特点。有源晶振产品很适合用于物联网,北斗模块,智能家居,小型设备,航空电子,交换机,无线路由器,智能体温计等领域.Skyworks物联网差分晶振,Si595低电压晶振,595NG250M000DG.

Skyworks投影仪晶振,Si570有源振荡器,570ABB000126DGR,尺寸7.0*5.0mm,频率200MHZ,输出逻辑LVPECL,电压3.3V,频率稳定性20ppm,Skyworks差分晶振,欧美进口晶振,思佳讯差分晶振,石英差分振荡器,八脚差分晶振,7050mm差分晶振,有源差分晶振,LVPECL差分晶振,LV-PECL输出晶振,贴片差分晶振,差分晶体振荡器,高频差分振荡器,高性能差分晶振,低抖动差分晶振,低电压差分晶振,低损耗差分晶振,低相位差分晶振,低相噪差分晶振,投影仪差分晶振,光学模块差分晶振,北斗定位差分晶振,仪器仪表差分晶振,罗拉模块差分晶振,路由器差分晶振,室外基站差分晶振,北斗导航差分晶振,具有高性能低抖动的特点。
OSC晶振产品非常适合用于投影仪,光学模块,北斗定位,仪器仪表,罗拉模块,路由器,室外基站,北斗导航等领域.Skyworks投影仪晶振,Si570有源振荡器,570ABB000126DGR.