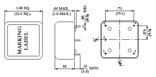
频率:5~100MHz 尺寸:25.4*25.4mm
插件石英晶振最适合用于比较低端的电子产品,比如儿童玩具,普通家用电器,即使在汽车电子领域中也能使产品高可靠性的使用.并且可用于安全控制装置的CPU时钟信号发生源部分,好比时钟单片机上的石英晶振,在极端严酷的环境条件下,晶振也能正常工作,具有稳定的起振特性,高耐热性,耐热循环性和耐振性等的高可靠性能
Raltron晶振,OX8000晶振,恒温晶振,Raltron晶振公司在其位于迈阿密的工厂生产一些较为高端精密的石英晶体振荡器,有源晶振,温补振荡器.相对于一些石英晶体谐振器,石英晶体,贴片晶振,时钟振荡器以及过滤器,陶瓷谐振器,滤波器等则是在国内几个工厂生产.Raltron积极努力追求一流的生产技术以满足客户的需求,满足客户对于质优价廉的石英晶振,贴片晶振,石英晶体振荡器等频率元件的市场需求。Raltron有源晶振的频率范围广,封装尺寸小,具有低相位噪声和低抖动等特点.
|
项目 |
符号 |
OX8000晶振规格说明 |
条件 |
|
输出频率范围 |
f0 |
5~100 MHz |
请联系我们以便获取其它可用频率的相关信息 |
|
电源电压 |
VCC |
3.3 V , 5.0 V,12V |
请联系我们以了解更多相关信息 |
|
储存温度 |
T_stg |
-40℃ to +105℃ |
裸存 |
|
工作温度
|
T_use
|
G: -40℃ to +85℃ |
请联系我们查看更多资料http://www.jingzhen95.com
|
|
|
|||
|
频率稳定度
|
f_tol
|
J: ±0.002× 10-6 |
|
|
L: ±0.002 × 10-6 |
|||
|
功耗 |
ICC |
3.5 mA Max. |
无负载条件、最大工作频率 |
|
待机电流 |
I_std |
3.3μA Max. |
ST=GND |
|
占空比 |
SYM |
45 % to 55 % |
50 % VCC 极, L_CMOS≦15 pF |
|
输出电压 |
VOH |
VCC-0.4V Min. |
|
|
VOL |
0.4 V Max. |
|
|
|
输出负载条件 |
L_CMOS |
15 pF Max. |
|
|
输入电压 |
VIH |
80% VCC Max. |
ST 终端 |
|
VIL |
20 % VCC Max. |
||
|
上升/下降时间 |
tr / tf |
4 ns Max. |
20 % VCC to 80 % VCC 极, L_CMOS=15 pF |
|
振荡启动时间 |
t_str |
3 ms Max. |
t=0 at 90 % |
|
频率老化 |
f_aging |
±3 × 10-6 / year Max. |
+25 ℃, 初年度,第一年 |


晶体谐振器
如果过大的激励电力对石英晶体谐振器外加电压,有可能导致特性老化或损坏,因此请在宣传册、规格书中规定的范围内使用。
让无源晶振振荡的电路宽裕度大致为负性阻抗值。本公司推荐此负性阻抗为谐振器串联电阻规格值的5倍以上,若是车载和安全设备,则推荐10倍 以上。
晶体振荡器
石英晶体振荡器的内部电路使用C-MOS。闭锁、静电对策请和一般的C-MOS IC一样考虑。
有些有源晶振没有和旁路电容器进行内部连接。使用时,请在Vdd-GND之间用0.01μF左右的高频特性较好的电容器(陶瓷片状电容器等)以 最短距离连接。关于个别机型请确认宣传册、规格书。
晶体滤波器
注意电路板图形的配置,避免输入端子和输出端子靠得太近。
如果贴装晶体滤光片的电路板的杂散电容较大,为了消除该杂散电容,有时需要配置调谐电路。
如果过大的激励电力对谐振器外加电压,有可能导致特性老化或损坏,因此请在声表面滤波器的输入电平在−10dBm以下的状态下使用。Raltron晶振,OX8000晶振,恒温晶振

Raltron晶振公司不断改进设计,优化工艺,调整工厂布局,采取相应措施,减少各种污染环境的因素,尽可能地节省资源和能源,积极保护厂区和周围地区的环境,在本公司产品的生产与经营过程中充分考虑对环境的影响,为人类的健康生存和持续发展作出贡献.
1.为环境保护和降低成本开发绿色技术.
2.为协调发展,共同参与社会的环境、健康与安全的改善活动.
3.在石英晶振,石英晶体振荡器产品的整个生命周期内确定、评价和改进重要的环境、健康和安全因素.
4.建立和维护以国际协定和国家环境、健康与安全法律法规为基础的企业内部标准.
5.为防止事故的发生和制造清洁的生产环境,开发生产过程的安全技术,明确紧急状态反应的职责.
6.Raltron晶振按照IS014001标准的要求,建立环境管理体系,并在环境目标和方案设定之后追求持续的环境改善.
7.建立和遵守其严格的基于活动所在地法律法规的环境、安全和健康标准.将不断地扩展循环利用、能源和废弃物管理项目.
8.积极使用压电石英晶体元器件、压电石英晶体、有源晶体、(PXO)普通晶体振荡器,(TCXO)温补晶体振荡器,(OCXO)恒温晶体振荡器等环保型原材料,减少生产过程中的废弃物产生量,努力向相关方施加环境影响。Raltron晶振,OX8000晶振,恒温晶振

服务热线:0755-27839045
Q Q联系:262320519
邮箱:szceob2b@163.com


