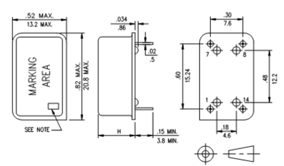
频率:5~100MHz 尺寸:20.8*13.2mm
石英振荡器,OSC应用:无线通信,智能手机,平板笔记本,计算机,全球GPS定位系统,WLAN网络产品等.应用:智能手机晶体,无线基站,精密仪器,GPS卫星,汽车应用等晶体滤波器应用无线收发器,智能手机,无线网络发射,GPS全球定位等等.
Raltron晶振,OX2100晶振,恒温晶体振荡器,Raltron晶振公司自1983年成立以来,从简单的音叉晶体到高稳定性的可编程晶体振荡器,Raltron提供了行业中最全面的频率管理设备.多年来,公司致力于石英晶振,贴片晶振,石英晶体振荡器,有源晶振的研究和开发,使得石英晶体,石英晶体振荡器的技术不断创新。Raltron积极努力追求一流的生产技术以满足客户的需求,满足客户对于质优价廉的石英晶振,贴片晶振,石英晶体振荡器等频率元件的市场需求。
|
项目 |
符号 |
OX2100晶振规格说明 |
条件 |
|
输出频率范围 |
f0 |
5 MHz to 100 MHz |
请联系我们以便获取其它可用频率的相关信息 |
|
电源电压 |
VCC |
3.3V , 5 V,12V |
请联系我们以了解更多相关信息 |
|
储存温度 |
T_stg |
-40℃ to +105℃ |
裸存 |
|
工作温度
|
T_use
|
G: -40℃ to +85℃ |
请联系我们查看更多资源
|
|
H: -40℃ to +105℃ |
|||
|
|
|||
|
频率稳定度 |
f_tol |
J: ±50 × 10-6 |
|
|
L: ±100 × 10-6 |
|||
|
T: ±150 × 10-6 |
|||
|
功耗 |
ICC |
3.5 mA Max. |
无负载条件、最大工作频率 |
|
待机电流 |
I_std |
3.3μA Max. |
ST=GND |
|
占空比 |
SYM |
45 % to 55 % |
50 % VCC 极, L_CMOS≦15 pF |
|
输出电压 |
VOH |
VCC-0.4V Min. |
|
|
VOL |
0.4 V Max. |
|
|
|
输出负载条件 |
L_CMOS |
15 pF Max. |
|
|
输入电压 |
VIH |
80% VCC Max. |
ST 终端 |
|
VIL |
20 % VCC Max. |
||
|
上升/下降时间 |
tr / tf |
4 ns Max. |
20 % VCC to 80 % VCC 极, L_CMOS=15 pF |
|
振荡启动时间 |
t_str |
3 ms Max. |
t=0 at 90 % |
|
频率老化 |
f_aging |
±3 × 10-6 / year Max. |
+25 ℃, 初年度,第一年 |


石英晶振各项注意事项:
请勿用镊子或任何坚硬的工具,夹具直接接触IC的表面。
使用环境(温度和湿度)
请在规定的温度范围内使用耐高温晶振。这个温度涉及本体的和季节变化的温度。在高湿环境下,会由于凝露引起故障。请避免凝露的产生。
激励功率
在晶体单元上施加过多驱动力,会导致无源晶振特性受到损害或破坏。电路设计必须能够维持适当的激励功率 (请参阅“激励功率”章节内容)。
负极电阻
除非振荡回路中分配足够多的负极电阻,否则振荡或振荡启动时间可能会增加(请参阅“关于振荡”章节内容)。
负载电容
振荡电路中负载电容的不同,可能欧美进口晶振导致振荡频率与设计频率之间产生偏差。试图通过强力调整,可能只会导致不正常的振荡。在使用之前,请指明该振动电路的负载电容(请参阅“负载电容”章节内容)。Raltron晶振,OX2100晶振,恒温晶体振荡器

Raltron晶振集团环保方针:
Raltron晶振集团对员工进行环境保护知识培训,提高其环境意识,建立环境职责,自觉改进、预防对环境的负面影响.
Raltron晶振在产品的全过程中努力节能降耗,实现资源消耗最小化.对贴片晶振,压控振荡器,普通晶体振荡器(SPXO)、压控晶体振荡器(VCXO)产生环境影响的活动做出及时反应,并对可能产生环境负面影响的活动做出预防.
Raltron晶振按照IS014001标准的要求,建立环境管理体系,并在环境目标和方案设定之后追求持续的环境改善.
建立和遵守其严格的基于活动所在地法律法规的环境、安全和健康标准.将不断地扩展循环利用、能源和废弃物管理项目.
在石英晶振,恒温晶振产品的整个生命周期内确定、评价和改进重要的环境、健康和安全因素.Raltron晶振,OX2100晶振,恒温晶体振荡器

服务热线:0755-27839045
Q Q联系:262320519
邮箱:szceob2b@163.com


