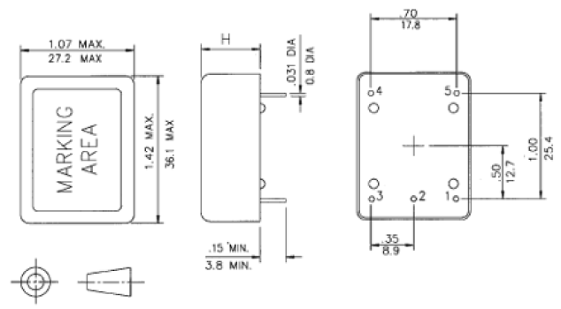
频率:5~100MHz 尺寸:36.1*27.2mm
插件石英晶振最适合用于比较低端的电子产品,比如儿童玩具,普通家用电器,即使在汽车电子领域中也能使产品高可靠性的使用.并且可用于安全控制装置的CPU时钟信号发生源部分,好比时钟单片机上的石英晶振,在极端严酷的环境条件下,晶振也能正常工作,具有稳定的起振特性,高耐热性,耐热循环性和耐振性等的高可靠性能
Raltron晶振,OX3000晶振,恒温插件晶振,Raltron晶振公司成立于1983年,是全球较受欢迎的石英晶振,贴片晶振,有源晶振等频率产品制造商之一.多年来,公司致力于石英晶振,贴片晶振,石英晶体振荡器,有源晶振的研究和开发,使得石英晶体,石英晶体振荡器的技术不断创新.如今Raltron晶振公司提供高性能的频率控制解决方案,在价格、质量、应用程序工程和客户支持方面满足和超越客户期望.
|
项目 |
符号 |
OX3000晶振规格说明 |
条件 |
|
输出频率范围 |
f0 |
5 MHz to 100 MHz |
请联系我们以便获取其它可用频率的相关信息 |
|
电源电压 |
VCC |
3.3 V ,5 V,12V |
请联系我们以了解更多相关信息 |
|
储存温度 |
T_stg |
-40℃ to +105℃ |
裸存 |
|
工作温度
|
T_use
|
G: -40℃ to +85℃ |
请联系我们查看更多资料http://www.jingzhen95.com/
|
|
H: -40℃ to +105℃ |
|||
|
|
|||
|
频率稳定度 |
f_tol |
J: ±50 × 10-6 |
|
|
L: ±100 × 10-6 |
|||
|
|
|||
|
功耗 |
ICC |
3.5 mA Max. |
无负载条件、最大工作频率 |
|
待机电流 |
I_std |
3.3μA Max. |
ST=GND |
|
占空比 |
SYM |
45 % to 55 % |
50 % VCC 极, L_CMOS≦15 pF |
|
输出电压 |
VOH |
VCC-0.4V Min. |
|
|
VOL |
0.4 V Max. |
|
|
|
输出负载条件 |
L_CMOS |
15 pF Max. |
|
|
输入电压 |
VIH |
80% VCC Max. |
ST 终端 |
|
VIL |
20 % VCC Max. |
||
|
上升/下降时间 |
tr / tf |
4 ns Max. |
20 % VCC to 80 % VCC 极, L_CMOS=15 pF |
|
振荡启动时间 |
t_str |
3 ms Max. |
t=0 at 90 % |
|
频率老化 |
f_aging |
±3 × 10-6 / year Max. |
+25 ℃, 初年度,第一年 |

使用每种产品时,请在产品规格说明或产品目录规定使用条件下使用。晶体产品的设计和生产满足它的规格书。通过严格的出厂前可靠性测试以提供高质量高可靠性的产品.但是为了产品的品质和可靠性,必须在适当的条件下存储,安 装,运输。请注意以下的注意事项并在最佳的条件下使用产品,我们将对于客户按自己的判断而使用产品所导致的不良不负任何责任。
存储事项
(1)在更高或更低温度或高湿度环境下长时间保存石英晶体产品时,会影响频率稳定性或焊接性。请在正常温度和湿度环境下保存这些晶体产品,并在开封后尽可能进行安装,以免长期储藏。
正常温度和湿度:
温度:+15°C 至 +35°C,湿度 25 % RH 至 85 % RH(请参阅“测试点JIS C 60068-1 / IEC 60068-1的标准条件”章节内容)。
(2)请仔细处理内外盒与卷带。外部压力会导致卷带受到损坏。Raltron晶振,IEEE4100晶振,OCXO振荡器
操作
请勿用镊子或任何坚硬的工具,夹具直接接触IC的表面。
晶体单元/谐振器
激励功率
在晶体单元上施加过多驱动力,会导致产品特性受到损害或破坏。电路设计必须能够维持适当的激励功率 (请参阅“激励功率”章节内容)。
负极电阻
除非振荡回路中分配足够多的负极电阻,否则振荡或振荡启动时间可能会增加(请参阅“关于振荡”章节内容)。
负载电容
振荡电路中负载电容的不同,可能导致振荡频率与设计频率之间产生偏差。试图通过强力调整,可能只会导致不正常的振荡。在使用之前,请指明该振动电路的负载电容(请参阅“负载电容”章节内容)。Raltron晶振,OX3000晶振,恒温插件晶振

Raltron晶振集团环保方针:
1.深入贯彻落实科学发展观,牢固树立安全发展理念,强化责任,狠抓落实,加强防范,坚决遏制重特大事故发生.
2.要毫不松懈地抓好安全环保工作,坚持把“环保优先、安全第一、质量至上、以人为本”的理念落实到生产建设全过程.
3.积极使用压电石英晶体元器件、压电石英晶体、有源晶体、(PXO)普通晶体振荡器,(TCXO)温度补偿晶振,(OCXO)恒温晶体振荡器等环保型原材料,减少生产过程中的废弃物产生量,努力向相关方施加环境影响.
4.带动各项安全环保工作规范化、程序化、科学化管理,加快实现安全环保形势持续好转、根本好转的工作思路.
5.进一步解放思想,学习先进,总结实践,针对新形势、新情况,抓好理念创新,促进安全环保工作更加科学、更加有效.
6.坚持运用,不断完善, (TCXO)温补晶体振荡器,有源晶振,贴片晶振生产设备,持续改进,更要针对新情况、新问题,不断学习先进,总结经验,结合实际,及时改进旧方法,勇于摈弃落后方法.
7.要积极开展安全经验分享活动,让每一个单位、每一个人的经验和教训变成大家的经验,成为企业的财富.
8.在石英晶振产品的整个生命周期内确定、评价和改进重要的环境、健康和安全因素.
9.建立和维护以国际协定和国家环境、健康与安全法律法规为基础的企业内部标准.Raltron晶振,OX3000晶振,恒温插件晶振

服务热线:0755-27839045
Q Q联系:262320519
邮箱:szceob2b@163.com


