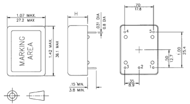
频率:5~100MHz 尺寸:36.1*27.2mm
石英振荡器,OSC应用:无线通信,智能手机,平板笔记本,计算机,全球GPS定位系统,WLAN网络产品等.应用:智能手机晶体,无线基站,精密仪器,GPS卫星,汽车应用等晶体滤波器应用无线收发器,智能手机,无线网络发射,GPS全球定位等等.
Raltron晶振,OX3100晶振,OCXO振荡器,Raltron晶振公司成立于1983年,是全球较受欢迎的石英晶振,贴片晶振,有源晶振等频率产品制造商之一.多年来,公司致力于石英晶振,贴片晶振,石英晶体振荡器,有源晶振的研究和开发,使得石英晶体,石英晶体振荡器的技术不断创新.如今Raltron晶振公司提供高性能的频率控制解决方案,在价格、质量、应用程序工程和客户支持方面满足和超越客户期望.
|
项目 |
符号 |
OX3100晶振规格说明 |
条件 |
|
输出频率范围 |
f0 |
5 MHz to 100 MHz |
请联系我们以便获取其它可用频率的相关信息 |
|
电源电压 |
VCC |
1.60 V to 3.63 V |
请联系我们以了解更多相关信息 |
|
储存温度 |
T_stg |
-40℃ to +105℃ |
裸存 |
|
工作温度
|
T_use
|
G: -40℃ to +85℃ |
请联系我们查看更多资料http://www.jingzhen95.com/
|
|
H: -40℃ to +105℃ |
|||
|
|
|||
|
频率稳定度 |
f_tol |
J: ±50 × 10-6 |
|
|
L: ±100 × 10-6 |
|||
|
|
|||
|
功耗 |
ICC |
3.5 mA Max. |
无负载条件、最大工作频率 |
|
待机电流 |
I_std |
3.3μA Max. |
ST=GND |
|
占空比 |
SYM |
45 % to 55 % |
50 % VCC 极, L_CMOS≦15 pF |
|
输出电压 |
VOH |
VCC-0.4V Min. |
|
|
VOL |
0.4 V Max. |
|
|
|
输出负载条件 |
L_CMOS |
15 pF Max. |
|
|
输入电压 |
VIH |
80% VCC Max. |
ST 终端 |
|
VIL |
20 % VCC Max. |
||
|
上升/下降时间 |
tr / tf |
4 ns Max. |
20 % VCC to 80 % VCC 极, L_CMOS=15 pF |
|
振荡启动时间 |
t_str |
3 ms Max. |
t=0 at 90 % |
|
频率老化 |
f_aging |
±3 × 10-6 / year Max. |
+25 ℃, 初年度,第一年 |

石英晶振各项注意事项:
请勿用镊子或任何坚硬的工具,夹具直接接触IC的表面。
使用环境(温度和湿度)
请在规定的温度范围内使用耐高温晶振。这个温度涉及本体的和季节变化的温度。在高湿环境下,会由于凝露引起故障。请避免凝露的产生。
激励功率
在晶体单元上施加过多驱动力,会导致无源晶振特性受到损害或破坏。电路设计必须能够维持适当的激励功率 (请参阅“激励功率”章节内容)。
负极电阻
除非振荡回路中分配足够多的负极电阻,否则振荡或振荡启动时间可能会增加(请参阅“关于振荡”章节内容)。
负载电容
振荡电路中负载电容的不同,可能欧美进口晶振导致振荡频率与设计频率之间产生偏差。试图通过强力调整,可能只会导致不正常的振荡。在使用之前,请指明该振动电路的负载电容(请参阅“负载电容”章节内容)。Raltron晶振,OX3100晶振,OCXO振荡器

Raltron晶振集团环保方针:
1.深入贯彻落实科学发展观,牢固树立安全发展理念,强化责任,狠抓落实,加强防范,坚决遏制重特大事故发生.
2.要毫不松懈地抓好安全环保工作,坚持把“环保优先、安全第一、质量至上、以人为本”的理念落实到生产建设全过程.
3.带动各项安全环保工作规范化、程序化、科学化管理,加快实现安全环保形势持续好转、根本好转的工作思路.
4.进一步解放思想,学习先进,总结实践,针对新形势、新情况,抓好理念创新,促进安全环保工作更加科学、更加有效.
5.坚持运用,不断完善, (TCXO)温补晶体振荡器,有源晶振,贴片晶振生产设备,持续改进,更要针对新情况、新问题,不断学习先进,总结经验,结合实际,及时改进旧方法,勇于摈弃落后方法.
6.要积极开展安全经验分享活动,让每一个单位、每一个人的经验和教训变成大家的经验,成为企业的财富.
7.在石英晶振,恒温晶振产品的整个生命周期内确定、评价和改进重要的环境、健康和安全因素.
8.建立和维护以国际协定和国家环境、健康与安全法律法规为基础的企业内部标准.Raltron晶振,OX3100晶振,OCXO振荡器

服务热线:0755-27839045
Q Q联系:262320519
邮箱:szceob2b@163.com


