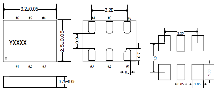
频率:25~212.5MHz 尺寸:3.2*2.5mm
小体积有源石英晶体振荡器,在生产时需要在完全净化车间,在密封的机器设备中测良,封装等技术1.防止外界气体进入组件体内受到污染和增加应力的产生:2.使组件在真空下电阻减小:3.气密性高。此技术为研发及生产超小型,超薄型石英晶体元器必须攻克的关键技术之一。
Raltron晶振,CMP302晶振,3225贴片晶振,Raltron晶振公司成立于1983年,其位于迈阿密的工厂生产一些较为高端精密的石英晶体振荡器,有源晶振,温补振荡器.相对于一些石英晶体谐振器,石英晶体,贴片晶振,时钟振荡器以及过滤器,陶瓷谐振器,滤波器等则是在国内几个工厂生产.通过将这些产品从香港的物流中心运往世界各地,Raltron晶振公司全体员工均以追求完美的服务以及卓越的品质为工作理念.
|
项目 |
符号 |
CMP302晶振规格说明 |
条件 |
|
输出频率范围 |
f0 |
25~212.5MHz |
请联系我们以便获取其它可用频率的相关信息 |
|
电源电压 |
VCC |
2.5V,3.3 V |
请联系我们以了解更多相关信息 |
|
储存温度 |
T_stg |
-40℃ to +85℃ |
裸存 |
|
工作温度
|
T_use
|
G: -20℃ to +70℃ |
请联系我们查看更多资料http://www.jingzhen95.com/
|
|
H: -40℃ to +85℃ |
|||
|
|
|||
|
频率稳定度
|
f_tol
|
J: ±20 × 10-6 |
|
|
L: ±25 × 10-6 |
|||
|
T: ±50 × 10-6 |
|||
|
功耗 |
ICC |
4.2mA Max. |
无负载条件、最大工作频率 |
|
待机电流 |
I_std |
4.3μA Max. |
ST=GND |
|
占空比 |
SYM |
45 % to 55 % |
50 % VCC 极, L_CMOS≦15 pF |
|
输出电压 |
VOH |
VCC-0.4V Min. |
|
|
VOL |
0.4 V Max. |
|
|
|
输出负载条件 |
L_CMOS |
20 pF Max. |
|
|
输入电压 |
VIH |
80% VCC Max. |
ST 终端 |
|
VIL |
20 % VCC Max. |
||
|
上升/下降时间 |
tr / tf |
4 ns Max. |
20 % VCC to 80 % VCC 极, L_CMOS=15 pF |
|
振荡启动时间 |
t_str |
5 ms Max. |
t=0 at 90 % |
|
频率老化 |
f_aging |
±5× 10-6 / year Max. |
+25 ℃, 初年度,第一年 |


石英晶振各项注意事项:
晶体谐振器
如果过大的激励电力对石英晶体谐振器外加电压,有可能导致特性老化或损坏,因此请在宣传册、规格书中规定的范围内使用。
让无源晶振振荡的电路宽裕度大致为负性阻抗值。本公司推荐此负性阻抗为谐振器串联电阻规格值的5倍以上,若是车载和安全设备,则推荐10倍 以上。
晶体振荡器
石英晶体振荡器的内部电路使用C-MOS。闭锁、静电对策请和一般的C-MOS IC一样考虑。
有些有源晶振没有和旁路电容器进行内部连接。使用时,请在Vdd-GND之间用0.01μF左右的高频特性较好的电容器(陶瓷片状电容器等)以 最短距离连接。关于个别机型请确认宣传册、规格书。
晶体滤波器
注意电路板图形的配置,避免输入端子和输出端子靠得太近。
如果贴装晶体滤光片的电路板的杂散电容较大,为了消除该杂散电容,有时需要配置调谐电路。
如果过大的激励电力对谐振器外加电压,有可能导致特性老化或损坏,因此请在声表面滤波器的输入电平在−10dBm以下的状态下使用。
光学产品
由于制造过程中进行了灰尘等异物管理,因此包装开封以后,请在进行清洁度管理的环境中使用。

Raltron晶振集团环保方针:
Raltron晶振公司不断改进设计,优化工艺,调整工厂布局,采取相应措施,减少各种污染环境的因素,尽可能地节省资源和能源,积极保护厂区和周围地区的环境,在本公司产品的生产与经营过程中充分考虑对环境的影响,为人类的健康生存和持续发展作出贡献.
1.为环境保护和降低成本开发绿色技术.
2.为协调发展,共同参与社会的环境、健康与安全的改善活动.
3.在石英晶振,3225贴片晶振产品的整个生命周期内确定、评价和改进重要的环境、健康和安全因素.
4.建立和维护以国际协定和国家环境、健康与安全法律法规为基础的企业内部标准.
5.为防止事故的发生和制造清洁的生产环境,开发生产过程的安全技术,明确紧急状态反应的职责.
6.Raltron晶振按照IS014001标准的要求,建立环境管理体系,并在环境目标和方案设定之后追求持续的环境改善.
7.建立和遵守其严格的基于活动所在地法律法规的环境、安全和健康标准.将不断地扩展循环利用、能源和废弃物管理项目.
8.积极使用压电石英晶体元器件、压电石英晶体、有源晶体、(PXO)普通晶体振荡器,(TCXO)温补晶体振荡器,(OCXO)恒温晶体振荡器等环保型原材料,减少生产过程中的废弃物产生量,努力向相关方施加环境影响。Raltron晶振,CMP302晶振,3225贴片晶振

服务热线:0755-27839045
Q Q联系:262320519
邮箱:szceob2b@163.com


