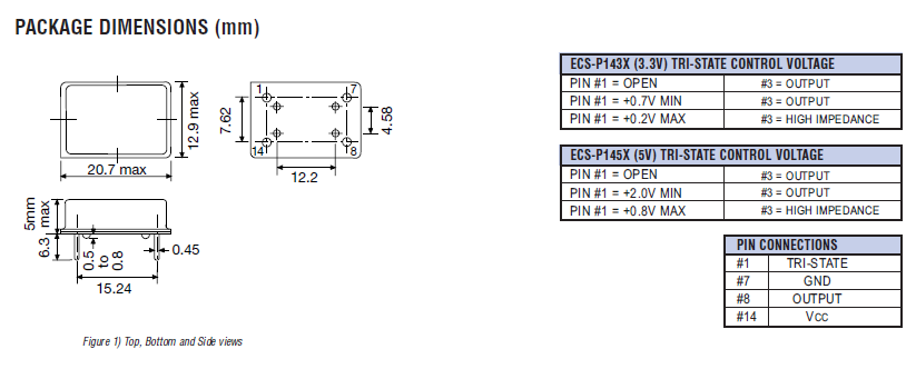
频率:1~150MHz 尺寸:20.7*12.9mm
有源晶振产品带来了更高的稳定性能,接缝密封石英晶体振荡器,精度高,覆盖频率范围宽的特点,SMD高速自动安装和高温回流焊设计,Optionable待机输出三态输出功能,电源电压范围:1.8V~5 V,高稳定性,低抖动,低功耗,主要应用领域:无线通讯,高端智能手机,平板笔记本WLAN,蓝牙,数码相机,DSL和其他IT产品的晶振应用,三态功能,PC和LCDM等高端数码领域,符合RoHS/无铅.

ECS晶振,ECS-P143X晶振,进口石英晶体振荡器,自1980年ECS Inc.晶振集团成立以来,在国际范围内进行了近35年的业务。ECS Inc.晶振集团是一家私人控股的全球领先企业,在维护全球日益增长的高可靠性创新频率控制设备需求方面处于领先地位.一流的研究公司和电子设备设计者,是全球领先的15家开发和生产创新频率控制解决方案的石英晶体,贴片晶振,石英晶体振荡器制造商,超过600家.ECS Inc晶振支持劳动力在香港、韩国、韩国、烟台、中国和美国的生产设施和物流中心超过225家。ECS Inc晶振不仅要让客户满意并且要超越客户所期望的.激励鼓励全体员工通过激发创造力、主动性和责任感来促进大家做更有意义的事.通过持续改进集成业务流程,以实现系统的有效性、效率和灵活性.
|
项目 |
符号 |
ECS-P143X |
条件 |
|
输出频率范围 |
f0 |
1~150MHz |
请联系我们以便获取其它可用频率的相关信息 |
|
电源电压 |
VCC |
3.3V |
请联系我们以了解更多相关信息 |
|
储存温度 |
T_stg |
-55℃ to +125℃ |
裸存 |
|
工作温度 |
T_use |
G: 0℃ to +70℃ |
请联系我们查看更多资料www.jingzhen95.com |
|
40℃ to +85℃ |
|||
|
频率稳定度 |
f_tol |
±50 × 10-6 |
|
|
±100 × 10-6 |
|||
|
功耗 |
ICC |
82 mA Max. |
无负载条件、最大工作频率 |
|
待机电流 |
I_std |
10μA Max. |
ST=GND |
|
占空比 |
SYM |
45 % to 55 % |
50 % VCC 极, L_CMOS≦15 pF |
|
输出电压 |
VOH |
VCC-0.4V Min. |
|
|
VOL |
0.4 V Max. |
|
|
|
输出负载条件 |
L_CMOS |
50 pF Max. |
|
|
输入电压 |
VIH |
80% VCC Max. |
ST 终端 |
|
VIL |
20 % VCC Max. |
||
|
上升/下降时间 |
tr / tf |
100ns Max. |
20 % VCC to 80 % VCC 极, L_CMOS=15 pF |
|
振荡启动时间 |
t_str |
4ms Max. |
t=0 at 90 % |
|
频率老化 |
f_aging |
±5× 10-6 / year Max. |
+25 ℃, 初年度,第一年 |


PCB设计指导
(1)理想情况下,机械蜂鸣器应安装在一个独立于晶体器件的PCB板上。如果您安装在同一个PCB板上,最好使用余量或切割PCB。当应用于PCB板本身或PCB板体内部时,机械振动程度有所不同。建议遵照内部板体特性。
(2)在设计时请参考相应的推荐封装。
(3)在使用焊料助焊剂时,按JIS标准(JIS C 60068-2-20/IEC 60,068-2-20).来使用。
(4)请按JIS标准(JIS Z 3282, Pb 含量 1000ppm, 0.1wt% 或更少)来使用无铅焊料。
存储事项
(1)在更高或更低温度或高湿度环境下长时间保存晶振时,会影响频率稳定性或焊接性。请在正常温度和湿度环境下保存这些石英晶振产品,并在开封后尽可能进行安装,以免长期储藏。
正常温度和湿度:
温度:+15°C 至 +35°C,湿度 25 % RH 至 85 % RH(请参阅“测试点JIS C 60068-1 / IEC 60068-1的标准条件”章节内容)。
(2)请仔细处理内外盒与卷带.外部压力会导致卷带受到损坏。ECS晶振,ECS-P143X晶振,进口石英晶体振荡器

ECS Inc国际晶振集团环保环境与发展对策:实行可持续发展战略.
1.采取有效措施,防治工业污染.提高能源利用效率,改善能源结构.运用经济手段保护环境.大力推进科技进步,加强环境科学研究,积极发展环境保护产业.健全环境法规,强化环境管理.加强环境教育,不断提高环境意识.
2.ECS晶振集团遵守所有适用的有关环境、健康和安全的法律和法规以及公司自己的有关环境、工业卫生和安全的方针和承诺.
3.与我们的员工一起开创并保持一个免于事故的压电石英晶体元器件、晶振,石英晶振,压电石英晶体、石英晶体振荡器工作场所.
4.ECS Inc国际晶振集团重视污染预防,消除偏离程序的行为强调通过员工努力这一最可行的方法持续改进我们经营活动的环境绩效.
5.ECS Inc国际晶振集团将持续的环境、健康和安全方面的改进、污染预防和员工的努力纳入日常运行当中.
6.加强污染防治,减少现有的污染废弃物以及在未来晶振,石英晶振,温补晶振, 石英水晶振荡子生产制造中所产生的污染.ECS晶振,ECS-P143X晶振,进口石英晶体振荡器

服务热线:0755-27839045
Q Q联系:262320519
邮箱:szceob2b@163.com


