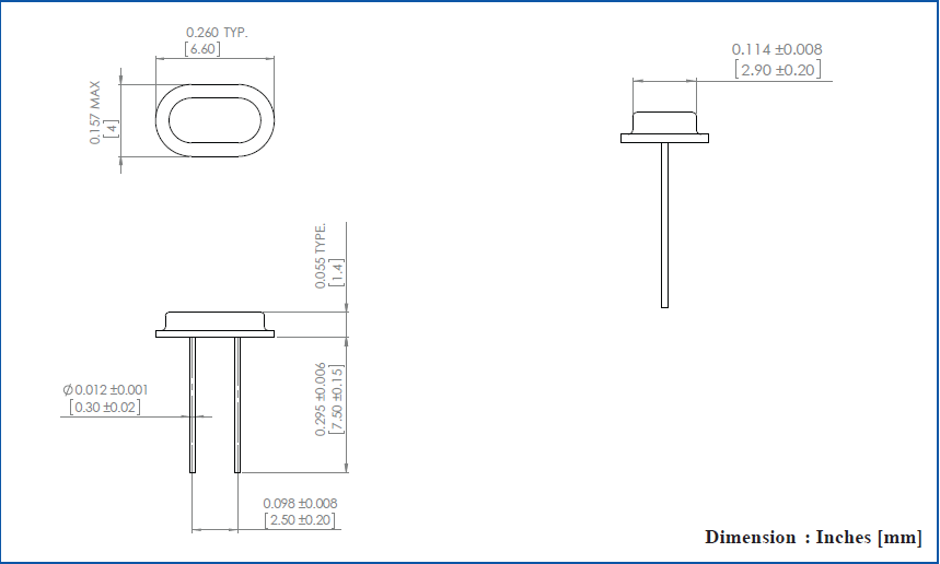
频率:12~40MHz 尺寸:6.6*4.0mm
插件石英晶振最适合用于比较低端的电子产品,比如儿童玩具,普通家用电器,即使在汽车电子领域中也能使产品高可靠性的使用.并且可用于安全控制装置的CPU时钟信号发生源部分,好比时钟单片机上的石英晶振,在极端严酷的环境条件下,晶振也能正常工作,具有稳定的起振特性,高耐热性,耐热循环性和耐振性等的高可靠性能

Abracon晶振,ABL7M2晶振,无源晶振,Abracon llc成立于1992年8月5日,是全球频率控制、信号调节、时钟分布和无源晶振元件的制造商.并拥有非并行应用工程和销售支持.为了实现这一愿景,Abracon llc晶振集团已通过iso9001:2008认证,在北美和海外的生产设施和技术合作伙伴中选择了股权投资,建立了与即将到来的技术公司的渠道伙伴关系,并在其加州的位置设立了一个国家的艺术工程实验室。

|
Abracon晶振规格 |
单位 |
ABL7M2晶振频率范围 |
石英晶振基本条件 |
|
标准频率 |
f_nom |
12~40MHz |
标准频率 |
|
储存温度 |
T_stg |
-40°C ~ +125°C |
裸存 |
|
工作温度 |
T_use |
0°C ~ +70°C |
标准温度 |
|
激励功率 |
DL |
50μW |
推荐:1μW ~ 100μW |
|
频率公差 |
f_— l |
±50 × 10-6 (标准) |
+25°C 对于超出标准的规格说明,请联系我们以便获取相关的信息, http://www.jingzhen95.com |
|
频率温度特征 |
f_tem |
±50× 10-6/0°C ~ +70°C |
超出标准的规格请联系我们. |
|
负载电容 |
CL |
18PF |
不同负载电容要求,请联系我们. |
|
串联电阻(ESR) |
R1 |
如下表所示 |
-40°C — +85°C, DL = 100μW |
|
频率老化 |
f_age |
±5 × 10-6 / year Max. |
+25°C,第一年 |

使用环境(温度和湿度)
请在规定的温度范围内使用石英晶振。这个温度涉及本体的和季节变化的温度。在高湿环境下,会由于凝露引起故障。请避免凝露的产生。
晶振/石英晶体振荡器
激励功率
在晶振上施加过多驱动力,会导致产品特性受到损害或破坏。电路设计必须能够维持适当的激励功率 (请参阅“激励功率”章节内容)。
负极电阻
除非石英晶体谐振器回路中分配足够多的负极电阻,否则振荡或振荡启动时间可能会增加(请参阅“关于振荡”章节内容)。
负载电容
有源晶振振荡电路中负载电容的不同,可能导致振荡频率与设计频率之间产生偏差。试图通过强力调整,可能只会导致不正常的振荡。在使用之前,请指明该振动电路的负载电容。
关于一般清洗液的使用以及超声波清洗没有问题,但这仅仅是对单个晶体产品进行试验所得的结果,因此请根据实际使用状态进行确认。

Abracon晶振集团环保环境与发展对策:实行可持续发展战略.采取有效措施,防治工业污染.提高能源利用效率,改善能源结构.运用经济手段保护环境.大力推进科技进步,加强环境科学研究,积极发展环境保护产业.健全环境法规,强化环境管理.加强环境教育,不断提高环境意识.
Abracon llc晶振集团采用系统的方法来解决贴片晶振,有源晶振, 压电石英晶体, 石英水晶振荡子对环境影响
Abracon llc晶振减少污染物排放,对不可再生的资源进行有效利用.减少废物的产生,对其排放的责任进行有效管理,有效地使用能源.通过设计工艺程序对员工进行培训保护环境以及人们的健康和安全.提供安全使用和废置我们的石英晶振、石英晶体谐振器的信息,对环境有重大健康安全和环境的运营现状进行纠正.
Abracon llc晶振保持就健康安全环境问题与临近摄取进行对话.通过在环境控制方面实施优秀的管理实践,以保护环境和与强生公司全球运作相关的自然资源.向员工灌输环境价值观,在所有的压控晶体振荡器(VCXO)、压电石英晶体、有源晶体和生产过程中应用最佳环境实用技术,为全球可持续发展做出贡献.Abracon晶振,ABL7M2晶振,无源晶振

服务热线:0755-27839045
Q Q联系:262320519
邮箱:szceob2b@163.com


