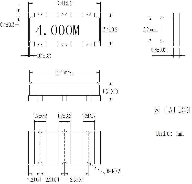
陶瓷晶振,陶瓷谐振器,ZTT7.2×3.4三脚晶振,产品特性具有对激励信号频率十分敏感的突出特点,当外加的交流电场的频率和谐振器的谐振频率发生共振时,电能和机械能的转换会发生在谐振器的谐振频率上。高频谐振器内建电容贴片 ZTTC 贴片 SMD 陶瓷谐振器的内置电容,而 ZTAC 则不含电容。
|
陶瓷晶振产品型 号 |
频率范围 |
频率精度 |
温度稳定性 |
老化率(10年) |
|
ZTACC*MG / ZTTCC*MG |
1.79 ~ 8.00 |
± 0.5 |
± 0.3 |
± 0.3 |
|
ZTACR*MG / ZTTCR*MG |
4.00 ~ 8.00 |
± 0.5 |
± 0.3 |
± 0.3 |
|
ZTACS*MT / ZTTCS*MT |
6.00 ~ 13.00 |
± 0.5 |
± 0.4 |
± 0.3 |
|
ZTACV*MT / ZTTCV*MT |
8.00 ~ 13.00 |
± 0.5 |
± 0.4 |
± 0.3 |
|
ZTACE*MG / ZTTCE*MG |
8.00 ~ 13.00 |
± 0.5 |
± 0.4 |
± 0.3 |
|
ZTACS*MX / ZTTCS*MX |
13.01 ~ 50.00 |
± 0.5 |
± 0.3 |
± 0.3 |
|
ZTACV*MX / ZTTCV*MX |
16.00 ~ 50.00 |
± 0.5 |
± 0.3 |
± 0.3 |
|
ZTACW*MX / ZTTCW*MX |
20.00 ~ 45.00 |
± 0.5 |
± 0.3 |
± 0.3 |
陶瓷晶振振动试验条件,振动频率10Hz∽55Hz,振幅1.5mm,三方向,每一方向扫频循环5次。要求电性能满足2.1∽2.4的规定,外观无机械损伤。
引线强度,试验条件沿引线方向施加10N力,持续时间10S。
要求电性能满足2.1∽2.4的规定,引线无松动,脱落现象。
耐焊接热,试验条件 将引线浸入260℃±5℃的焊锡槽中,浸入深度至引线根部2mm处,时间10S±1S,在室温条件下恢复24±2小时后进行测量。
要求电性能满足2.1∽2.4的规定,外观无可见损伤。
可焊性试验条件将引线浸入230℃±5℃的焊锡槽中,浸入深度至引线根部2mm处,时间5S±1S。要求 焊锡良好覆盖的面积应不少于浸锡面积的95%。
高温试验,试验条件温度85℃±2℃,时间96小时,在室温条件下恢复24±2小时后进行测量。要求电性能满足2.1∽2.4的规定。
低温试验,试验条件温度-25℃±2℃,时间96小时,在室温条件下恢复24±2小时后进行测量。
陶瓷晶振要求电性能满足2.1∽2.4的规定。
恒定湿热,试验条件 温度40℃±2℃,相对温度90%∽95%,时间96小时,在室温条件下恢复24小时后进行测量。
陶瓷晶振要求电性能满足2.1∽2.4的规定。
温度变化试验,试验条件试验温度-20℃.+80℃,转换时间2-3min,循环次数5次,在室温条件下恢复24小时后进行测量。要求电性能满足2.1∽2.4的规定。
按照IS014001标准的要求,建立环境管理体系,并在环境目标和方案设定之后追求持续的环境改善。
1.作为良好的企业市民,遵循本公司的行动方针,充分关心维护地球环境。遵守国内外的有关环保法规。
2.保护自然环境,充分关注自然生态等方面的环境保护,维持和保全生物多样性。
3.有效利用石英晶体,贴片晶振材料资源和能源,认识到资源和能源的有限性,努力进行石英晶振,有源晶体振荡器,水晶振荡子等原材料的有效利用。
4为构建循环型社会做出贡献,致力于减少废弃物及废弃物的再利用核再生循环,努力构建循环型社会。
5.推进晶振,石英晶振,有源晶振,压控振荡器, 压电石英晶体、有源晶体等元器件的环保型业务,充分发挥综合实力,推进环保型业务,为减轻社会的环境负荷做出贡献。
6.建立环境管理系统,充分运用环境管理系统,设定环境目的和目标,定期修正,不断改善,努力预防环境污染。
服务热线:0755-27839045
Q Q联系:262320519
邮箱:szceob2b@163.com


