频率:11~53MHz
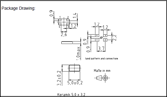
尺寸:5.0*3.2mm
表面贴片型石英晶振,最适合使用在汽车电子领域中,也是特别要求高可靠性的引擎控制用CPU的时钟部分.低频晶振可从7.98MHz起对应,小型,超薄型具备强防焊裂性,石英晶体在极端严酷的环境条件下也能发挥稳定的起振特性,产品本身具有耐热,耐振,耐撞击等优良的耐环境特性,满足无铅焊接以及高温回流温度曲线要求,符合AEC-Q200标准.
KVG晶振,5032晶振,XMP-7100谐振器.贴片石英晶振,外观尺寸具有薄型表面贴片型石英晶体谐振器,特别适用于有小型化要求的市场领域,比如智能手机,无线蓝牙,平板电脑等电子数码产品.晶振本身超小型,薄型,重量轻,晶体具有优良的耐环境特性,如耐热性,耐冲击性,在办公自动化,家电相关电器领域及Bluetooth,WirelessLAN等短距离无线通信领域可发挥优良的电气特性,满足无铅焊接的回流温度曲线要求.
贴片晶振多层,多金属的溅射镀膜技术:是目前研发及生产高精度,高稳定性石英晶体元器件——石英晶振必须攻克的关键技术之一.石英晶振该选用何镀材,镀几种材料,几种镀材的镀膜顺序,镀膜的工艺方法(如各镀材的功率设计等).使用此镀膜方法使镀膜后的晶振附着力增强,贴片晶振频率更加集中,能控制在最小ppm之内.
我们相信质量在我们的产品组装之前就已经开始了.通过保持我们的ISO 9001质量体系认证,持续改进我们有源晶振的流程是我们不断超越客户期望的承诺.对我们来说,质量不仅仅是一种技术或系统,它是一种无所不包,毫不妥协的哲学产品,不仅能满足我们客户的质量要求,而且还能以各种方式超越它们.
|
KVG晶振 |
单位 |
XMP-7100晶振 |
石英晶振基本条件 |
|
标准频率 |
f_nom |
11~53MHz |
标准频率 |
|
储存温度 |
T_stg |
-55°C+125°C |
裸存 |
|
工作温度 |
T_use |
0+50°C,-10+60°C, -20+70°C,-40°C+85°C |
标准温度 |
|
激励功率 |
DL |
1μW Max. |
推荐:1μW~100μW |
|
频率公差 |
f_— l |
±20ppm |
+25°C 对于超出标准的规格说明,
请联系我们以便获取相关的信息,http://www.jingzhen95.com/
|
|
频率温度特征 |
f_tem |
±10,±15,±20,±25,±30,±50ppm |
超出标准的规格请联系我们. |
|
负载电容 |
CL |
9~32pF |
不同负载电容要求,请联系我们. |
|
串联电阻(ESR) |
R1 |
如下表所示 |
-10°C~65°C, DL=100μW |
|
频率老化 |
f_age |
±3×10-6/year Max. |
+25°C,第一年 |
振荡电路中负载电容的不同,可能导致振荡频率与设计频率之间产生偏差.试图通过强力调整,可能只会导致不正常的振荡.在使用之前,请指明该振动电路的负载电容(请参阅“负载电容”章节内容).
所有5032晶振和实时时钟模块都以IC形式提供.
噪音
在电源或输入端上施加执行级别(过高)的不相干(外部的)噪音,可能导致会引发功能失常或击穿的闭门或杂散现象.
电源线路
电源的线路阻抗应尽可能低.
输出负载
建议将输出负载安装在尽可能靠近进口晶振的地方(在20mm范围之间).
未用输入终端的处理
未用针脚可能会引起噪声响应,从而导致非正常工作.同时,当P通道和N通道都处于打开时,电源功率消耗也会增加;因此,请将未用输入终端连接到VCC或GND.
热影响
重复的温度巨大变化可能会降低受损害的耐高温晶振单元的产品特性,并导致塑料封装里的线路击穿.必须避免这种情况.
安装方向
振荡器的不正确安装会导致故障以及崩溃,因此安装时,请检查安装方向是否正确.
KVG晶振集团将有效率的使用自然资源和能源,以便从源头减少废物产生和排放.我们将在关注于预防环境和安全事故,保护公众健康的同时,努力改进我们的操作.我公司将积极参与加强公众环境,健康和安全意识的活动,提高公众对普遍的环境,健康和安全问题的注意.
所有的经营组织都将积极应用国际标准以及适用的法律法规.为促进合理有效的公共政策的制订实施加强战略联系.
KVG晶振集团消除事故和环境方面的偶发事件,减少晶体谐振器,石英晶振材料废物的产生和排放,有效的使用能源和各种自然资源,对紧急事件做好充分准备,以便及时做出反应.
对我们的产品进行检验,同时告知我们的员工顾客以及公众,如何安全的使用,如何使用对环境影响较小,帮助我们的雇员合同方商业伙伴服务提供上理解他们的行为如何影响着环境.
KVG晶振遵守所有适用的有关环境,健康和安全的法律和法规以及公司自己的有关环境,工业卫生和安全的方针和承诺.
与我们的员工一起开创并保持一个免于事故的工作场所.
KVG晶振重视污染预防,消除偏离程序的行为强调通过员工努力这一最可行的方法持续改进我们经营活动的环境绩效.
KVG晶振将持续的环境,健康和安全方面的改进,污染预防和员工的努力纳入日常运行当中.加强污染防治,减少现有的污染废弃物以及在未来晶体谐振器,普通晶体振荡器,石英晶振生产制造中所产生的污染.
KVG石英晶振环保环境与发展对策:实行可持续发展战略.采取有效措施,防治工业污染.提高能源利用效率,改善能源结构.运用经济手段保护环境.大力推进科技进步,加强环境科学研究,积极发展环境保护产业.健全环境法规,强化环境管理.加强环境教育,不断提高环境意识.
KVG晶振减少污染物排放,对不可再生的资源进行有效利用.减少废物的产生,对其排放的责任进行有效管理,有效地使用能源.通过石英晶振,贴片晶振,温补晶振,石英晶体振荡器设计工艺程序对员工进行培训保护环境以及人们的健康和安全.提供安全使用和废置我们的产品的信息,对环境有重大健康安全和环境的运营现状进行纠正.
服务热线:0755-27839045
Q Q联系:262320519
邮箱:szceob2b@163.com

频率:8~150MHz
尺寸:5.0*3.2mm
贴片晶振本身体积小,超薄型石英晶体谐振器,特别适用于有目前高速发展的高端电子数码产品,因为石英水晶振子本身小型化需求的市场领域,小型,薄型是对应陶瓷谐振器(偏差大)和普通的石英晶体谐振器(偏差小)的中间领域的一种性价比较出色的产品.产品广泛用于笔记本电脑,无线电话,卫星导航SSD,USB,Blu-ray等用途,符合无铅焊接的高温回流焊曲线特性.

频率:8~60MHz
尺寸:5.0*3.2mm
小型SMD有源晶振,从最初超大体积到现在的7050mm,6035mm,5032mm,3225mm,2520mm体积,有着翻天覆地的改变,体积的变小也使产品带来了更高的稳定性能,接缝密封石英晶体振荡器,精度高,覆盖频率范围宽的特点,SMD高速自动安装和高温回流焊设计,Optionable待机输出三态输出功能,电源电压范围:1.8V?5V,高稳定性,低抖动,低功耗,主要应用领域:无线通讯,高端智能手机,平板笔记本WLAN,蓝牙,数码相机,DSL和其他IT产品的晶振应用,三态功能,PC和LCDM等高端数码领域,符合RoHS/无铅.

频率:10~150MHz
尺寸:5.0*3.2mm
表面贴片型SMD晶振,最适合使用在汽车电子领域中,也是特别要求高可靠性的引擎控制用CPU的时钟部分.低频晶振可从7.98MHz起对应,小型,超薄型具备强防焊裂性,5032石英晶振在极端严酷的环境条件下也能发挥稳定的起振特性,产品本身具有耐热,耐振,耐撞击等优良的耐环境特性,满足无铅焊接以及高温回流温度曲线要求,符合AEC-Q200标准.