CTS晶振,OSC晶振,VFXO110晶振,1968年在台湾建立了石英晶振,有源贴片晶振的生产操作的离岸生产设施服务北美建立oem和计数器组件制造低成本的亚洲。全球市场的增加,帮助CTS进一步扩大了产品应用到国际市场。质量、成本更低的CTS石英晶体被设计成新的应用。
自1896年以来,CTS晶振一直是未来的一部分。随着技术的不断进步,我们也一直在与之一起,为满足人们不断变化的需求而设计智能的方法。我们的产品在许多行业都得到了认可,所生产石英晶振,高精度贴片晶振,石英晶体振荡器的性能、可靠性和工程技术都很出色。我们的客户以我们卓越的、一贯的服务水平和我们与他们合作的能力来评价我们。我们的全球足迹使我们能够为全球市场和大公司服务,并与本地市场中的中小企业合作,从而实现一个智能和无缝的世界。

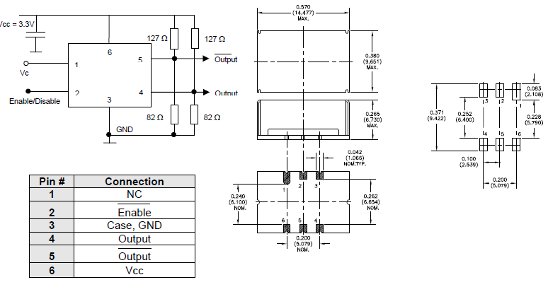
项目
符号
VFXO110晶振规格说明
条件
输出频率范围
f0
19MHz to 200MHz
请联系我们以便获取其它可用频率的相关信息
电源电压
VCC
3.3V
请联系我们以了解更多相关信息
储存温度
T_stg
-55℃ to +125℃
裸存
工作温度
T_use
G: 2℃ to +70℃
请联系我们查看更多资料http://www.jingzhen95.com/
H: -40℃ to +85℃
J: -55℃ to +125℃
频率稳定度
f_tol
±25× 10-6
L: ±50× 10-6
±100× 10-6
功耗
ICC
75mA
无负载条件、最大工作频率
待机电流
I_std
10μA
ST=GND
占空比
SYM
45 % to 55 %
50 % VCC 极, L_CMOS≦15 pF
输出电压
VOH
VCC-0.4V Min.
VOL
0.4 V Max.
输出负载条件
L_CMOS
15pF Max.
输入电压
VIH
80% VCC Max.
ST 终端
VIL
20 % VCC Max.
上升/下降时间
tr / tf
100ns
20 % VCC to 80 % VCC 极, L_CMOS=15 pF
振荡启动时间
t_str
10ms
t=0 at 90 %
频率老化
f_aging
±3 × 10-6 / year Max.
+25 ℃, 初年度,第一年


使用每种产品时,请在产品规格说明或产品目录规定使用条件下使用。石英晶体产品的设计和生产满足它的规格书。通过严格的出厂前可靠性测试以提供高质量高可靠性的产品.但是为了产品的品质和可靠性,必须在适当的条件下存储,安 装,运输。请注意以下的注意事项并在最佳的条件下使用石英晶体振荡器产品,我们将对于客户按自己的判断而使用产品所导致的不良不负任何责任。
PCB设计指导
(1) 理想情况下,机械蜂鸣器应安装在一个独立于晶体器件的PCB板上。如果您安装在同一个PCB板上,最好使用余量或切割PCB。当应用于PCB板本身或PCB板体内部时,机械振动程度有所不同。建议遵照内部板体特性。
(2) 在设计时请参考相应的推荐封装。
(3) 在使用焊料助焊剂时,按JIS标准(JIS C 60068-2-20/IEC 60,068-2-20).来使用。
(4) 请按JIS标准(JIS Z 3282, Pb 含量 1000ppm, 0.1wt% 或更少)来使用无铅焊料.CTS晶振,OSC晶振,VFXO110晶振
CTS晶振集团建立一种可测量的发展和改进的目标指标,定期对有源晶振进行内审和管理评审。在现有的或新生的各种活动中不断监测和改进环境绩效。通过对生产活动的持续改进和促进对低效或无效的环境法律法规进行合理化转变,努力提高环境管理中资本的效力。
有效利用石英晶体,贴片晶振材料资源和能源,认识到资源和能源的有限性,努力进行石英晶振,有源晶体振荡器,水晶振荡子等原材料的有效利用.
CTS晶振集团运用ISO14001环境管理系统进行环境管理,尽最大可能减小业务活动对环境造成的负担,并通过业务发展推进环境改善。
CTS晶振遵守所有适用的有关环境、健康和安全的法律和法规以及CTS晶振集团自己的有关环境、工业卫生和安全的方针和承诺。
我们将定期对雇员进行教育和培训,确保他们能够安全高效的工作,树立他们的环保责任感。 与雇员、客户、公众、政府持续改进晶振生产过程及应用最佳环境实用技术,为全球可持续发展做出贡献.CTS晶振,OSC晶振,VFXO110晶振
服务热线:0755-27839045
Q Q联系:262320519
邮箱:szceob2b@163.com

频率:25MHZ 尺寸:14.0x9.8mm
智能手机晶振,产品具有高精度超小型的表面贴片型石英晶体振荡器,最适用于移动通信终端的基准时钟等移动通信领域.比如智能手机,无线通信,卫星导航,平台基站等较高端的数码产品

频率:32MHZ 尺寸:14.0x9.8mm
插件石英晶振最适合用于比较低端的电子产品,比如儿童玩具,普通家用电器,即使在汽车电子领域中也能使产品高可靠性的使用.并且可用于安全控制装置的CPU时钟信号发生源部分,好比时钟单片机上的石英晶振,在极端严酷的环境条件下,晶振也能正常工作,具有稳定的起振特性,高耐热性,耐热循环性和耐振性等的高可靠性能.

频率:32.768kHz,1.5~50MHz 尺寸:7.5*5.0mm
有源晶振,是只晶体本身起振需要外部电压供应,起振后可直接驱动CMOS 集成电路,产品本身已实现与薄型IC(TSSOP封装,TVSOP封装)同样的1mm厚度,断开时的消费电流是15 µA以下,编带包装方式可对应自动搭载及IR回流焊接(无铅对应)产品有几种电压供选1.8V,2.5V,3V3.3V,5V,以应对不同IC产品需要..