高利奇晶振,无源晶振,UM-4J晶振,高利奇晶振公司专业和高效的方法使之成为世界上许多领先的电子oem和CEMs的首选供应商.专用IT人员确保操作得到最高质量和安全系统的支持.高利奇是英国增长最快的石英晶体元器件、压电石英晶体、有源晶体频率产品供应商。高利奇公司晶振现在是英国领先的频率控制产品供应商,所生产的产品范围包括:石英晶体,振荡器,实时时钟,温补晶振,压控晶振,温控晶振,水晶过滤器,(表面声波)设备等.产品广泛应用于电子工业,包括电信、卫星、微处理器、航空航天、汽车、仪表和医疗应用.
|
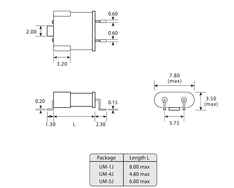
高利奇晶振规格 |
单位 |
UM-4J晶振频率范围 |
石英晶振基本条件 |
|
标准频率 |
f_nom |
10~300MHz |
标准频率 |
|
储存温度 |
T_stg |
-40°C ~ +85°C |
裸存 |
|
工作温度 |
T_use |
-10°C ~ +60°C |
标准温度 |
|
激励功率 |
DL |
100μW Max. |
推荐:1μW ~ 100μW |
|
频率公差 |
f_— l |
±20 × 10-6 |
+25°C 对于超出标准的规格说明, |
|
频率温度特征 |
f_tem |
±20 × 10-6/-10°C ~ +60°C |
超出标准的规格请联系我们. |
|
负载电容 |
CL |
12pF,16pF,20pF,30pF |
不同负载电容要求,请联系我们. |
|
串联电阻(ESR) |
R1 |
如下表所示 |
-40°C — +85°C, DL = 100μW |
|
频率老化 |
f_age |
±5 × 10-6 / year Max. |
+25°C,第一年 |

自动安装时的冲击
自动安装和真空化引发的冲击会破坏产品特性并影响这些产品。请设置安装条件以尽可能将冲击降至最低,并确保在安装前未对产品特性产生影响。条件改变时,请重新检查安装条件。同时,在安装前后,请确保晶体产品未撞击机器或其他电路板等。
操作
请勿用镊子或任何坚硬的工具,夹具直接接触IC的表面。
使用环境(温度和湿度)
请在规定的温度范围内使用晶振产品。这个温度涉及本体的和季节变化的温度。在高湿环境下,会由于凝露引起故障。请避免凝露的产生。
晶体单元/谐振器
激励功率
在晶体单元上施加过多驱动力,会导致产品特性受到损害或破坏。电路设计必须能够维持适当的激励功率 (请参阅“激励功率”章节内容)。
负极电阻
除非振荡回路中分配足够多的负极电阻,否则振荡或振荡启动时间可能会增加(请参阅“关于振荡”章节内容)。
负载电容
振荡电路中负载电容的不同,可能导致振荡频率与设计频率之间产生偏差。试图通过强力调整,可能只会导致不正常的振荡。在使用之前,请指明该振动电路的负载电容(请参阅“负载电容”章节内容)。高利奇晶振,无源晶振,UM-4J晶振
高利奇晶振公司通过BSI质量保证,获得了ISO 9001:2015的认证.BSI是世界领先的认证机构之一:自我们于1996年在ISO 9002 - 1994的原始认证以来,每一项评估都显示出一份清洁的健康法案,没有不一致的情况.
高利奇石英晶振公司坚持运用,不断完善,持续改进石英晶体谐振器元器件、晶振,石英晶振,压电石英晶体、有源晶体生产技术,更要针对新情况、新问题,不断学习先进,总结经验,结合实际,及时改进旧方法,勇于摈弃落后方法.公司深入贯彻落实科学发展观,牢固树立安全发展理念,强化责任,狠抓落实,加强防范,坚决遏制重特大事故发生.
要毫不松懈地抓好压电石英晶体元器件、压电石英晶体、贴片晶振,圆柱晶振、安全环保工作,坚持把“环保优先、安全第一、质量至上、以人为本”的理念落实到生产建设全过程.带动各项安全环保工作规范化、程序化、科学化管理,加快实现安全环保形势持续好转、根本好转的工作思路.高利奇晶振,无源晶振,UM-4J晶振

服务热线:0755-27839045
Q Q联系:262320519
邮箱:szceob2b@163.com


