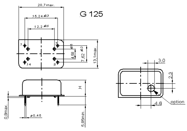
频率:6.400MHz~50.000MHz 尺寸:20.7*13.1mm
贴片式温补石英晶体振荡器,低电压启动功率,并且有多种电压供选择,比如有1.8V,2.5V,3.3V,3.8V,5V等,产品被广泛应用于,平板笔记本,GPS系统,光纤通道,千兆以太网,串行ATA,串行连接SCSI,PCI-Express的SDH/SONET发射基站等领域.符合RoHS/无铅.
|
型号 |
TX-402晶振(TCXO) |
|
|
输出频率范围 |
6.4~50MHz |
|
|
标准频率 |
16.3676MHz/16.367667MHz/16.368MHz/16.369MHz/16.8MHz/26MHz/33.6MHz |
|
|
电源电压范围 |
+1.8?+3.3V |
|
|
电源电压(Vcc) |
+1.8V/+2.6V/+2.8V/+3.0V/+3.3V |
|
|
消耗电流 |
+1.5mA max.(f≦26MHz)/+2.0mA max.(26<f≦52MHz) |
|
|
待机时电流 |
- |
|
|
输出电压 |
0.8Vp-p min.(f≦52MHz)(削峰正弦波/DC-coupled) |
|
|
输出负载 |
10kΩ//10pF |
|
|
频率稳定度 |
常温偏差 |
±1.5×10-6 max.(After 2 reflows) |
|
温度特性 |
±0.5×10-6,±2.5×10-6 max./-30?+85℃ |
|
|
电源电压特性 |
±0.2×10-6 max.(VCC ±5%) |
|
|
负载变化特性 |
±0.2×10-6 max.(10kΩ//10pF±10%) |
|
|
长期变化 |
±1.0×10-6 max./year |
|
|
频率控制 |
控制灵敏度 |
- |
|
频率控制极性 |
- |
|
|
启动时间 |
2.0ms max. |
|
我们的活动、插件有源晶振产品和服务首先要遵守和符合有关环境的法律和其他环境要求.努力探索生产中所使用的有毒有害物质的替代,本着污染预防的思想,使我们的有源晶振,压控振荡器, 晶振,石英晶振更趋于绿色,提高本公司的社会形象.金属面插件形TCXO晶振,温度补偿型晶体振荡子,TX-402晶振
VectronVectron国际晶振集团不断改进设计,优化工艺,调整工厂布局,采取相应措施,减少各种污染环境的因素,尽可能地节省资源和能源,积极保护厂区和周围地区的环境,在本公司石英晶振,贴片晶振,压电石英晶体、20.8*13.2温补振荡器、有源晶体的生产与经营过程中充分考虑对环境的影响,为人类的健康生存和持续发展作出贡献.
环境行为评价:评价我们运行以及员工的环境行为表现,确认支撑着本方针的成绩.我们将向我们的员工提供信息,以及能够将方针与各自工作职责完全结合的培训.
加强环境意识教育,提高全员环境意识,充分调动职工的积极性,积极使用温补晶体振荡器(TCXO)、恒温晶体振荡器(OCXO),晶振,石英晶振,有源晶振环保型原材料,减少生产过程中的废弃物产生量,努力向相关方施加环境影响.
推进环保型业务,充分发挥综合实力,推进石英晶振,贴片晶振环保型业务,为减轻社会的环境负荷做出贡献.建立环境管理系统,充分运用环境管理系统,设定环境目的和目标,定期修正,不断改善,努力预防环境污染.Vectron晶振,TCXO振荡器,TX-402晶振
服务热线:0755-27839045
Q Q联系:262320519
邮箱:szceob2b@163.com


