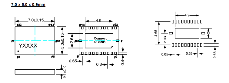
频率:1~220MHz 尺寸:5.0*7.0mm
时钟信号发生器是产生用于同步系统操作的定时信号的电路。在最基本的层面上,一个时钟发生器由一个谐振电路和一个放大器组成。所产生的时序信号(或时钟信号)可以从简单的50%占空比方波到更复杂的布置。谐振电路通常是石英压电振荡器,尽管在一些情况下可以使用更简单的振荡电路甚至RC电路。随着时钟产生时序输出变得更加复杂,我们通常将这些器件称为频率合成器或时钟合成器

SITIME晶振,SiT9103晶振,可编程时钟发生器,SiTime晶振公司,MEMS和模拟半导体公司,提供了业界最好的时间解决方案.我们的团队热衷于解决高性能电子产品中最困难的时间问题.在过去的几十年里,石英晶体振荡器、时钟发生器和石英晶体谐振器是电子器件中主要的参考计时元件.由于没有其他选择,OEMs和ODMs接受了石英定时装置固有的局限性.现在,有了强大的MEMS谐振器和高性能模拟电路,SiTime晶振公司已经开发出突破石英器件限制的突破性解决方案,研发出高性能贴片晶振,压控晶体振荡器,可编程石英晶体振荡器等.
|
项目 |
符号 |
SiT9103晶振规格说明 |
条件 |
|
输出频率范围 |
f0 |
1MHz to 220 MHz |
请联系我们以便获取其它可用频率的相关信息 |
|
电源电压 |
VCC |
1.8 V ,2.5V,3.3 V |
请联系我们以了解更多相关信息 |
|
储存温度 |
T_stg |
-40℃ to +125℃ |
裸存 |
|
工作温度 |
T_use |
G: -20℃ to +70℃ |
请联系我们查看更多资料http://www.jingzhen95.com/ |
|
H: -40℃ to +85℃ |
|||
|
|
|||
|
频率稳定度 |
f_tol |
J: ±25× 10-6 |
|
|
L: ±50 × 10-6 |
|||
|
|
|||
|
功耗 |
ICC |
3.5 mA Max. |
无负载条件、最大工作频率 |
|
待机电流 |
I_std |
3.3μA Max. |
ST=GND |
|
占空比 |
SYM |
45 % to 55 % |
50 % VCC 极, L_CMOS≦15 pF |
|
输出电压 |
VOH |
VCC-0.4V Min. |
|
|
VOL |
0.4 V Max. |
|
|
|
输出负载条件 |
L_CMOS |
15 pF Max. |
|
|
输入电压 |
VIH |
80% VCC Max. |
ST 终端 |
|
VIL |
20 % VCC Max. |
||
|
上升/下降时间 |
tr / tf |
4 ns Max. |
20 % VCC to 80 % VCC 极, L_CMOS=15 pF |
|
振荡启动时间 |
t_str |
3 ms Max. |
t=0 at 90 % |
|
频率老化 |
f_aging |
±3 × 10-6 / year Max. |
+25 ℃, 初年度,第一年 |


PCB设计指导
(1) 理想情况下,机械蜂鸣器应安装在一个独立于晶体器件的PCB板上。如果您安装在同一个PCB板上,最好使用余量或切割PCB。当应用于PCB板本身或PCB板体内部时,机械振动程度有所不同。建议遵照内部板体特性。
(2) 在设计时请参考相应的推荐封装。
(3) 在使用焊料助焊剂时,按JIS标准(JIS C 60068-2-20/IEC 60,068-2-20).来使用。
(4) 请按JIS标准(JIS Z 3282, Pb 含量 1000ppm, 0.1wt% 或更少)来使用无铅焊料。
存储事项
(1) 在更高或更低温度或高湿度环境下长时间保存晶振时,会影响频率稳定性或焊接性。请在正常温度和湿度环境下保存这些石英晶振产品,并在开封后尽可能进行安装,以免长期储藏。
正常温度和湿度:
温度:+15°C 至 +35°C,湿度 25 % RH 至 85 % RH(请参阅“测试点JIS C 60068-1 / IEC 60068-1的标准条件”章节内容)。
(2) 请仔细处理内外盒与卷带。外部压力会导致卷带受到损坏.SITIME晶振,SiT9103晶振,可编程时钟发生器

SITIME晶振环保基本理念:
1.减少石英晶振晶体材料污染,节能降耗——污染预防的承诺;依法治理——遵守现行适用的环境法律、法规和其他要求的承诺;
2.“减少污染,节能降耗,建造美丽家园;依法治理,持续改进,净化一片蓝天”提供了建立和评审环境目标和指标的框架.
3.SiTime晶振采用系统的方法来解决其产品的环境影响.开发和销售拥有最有利的环境特性同时又满足最高可能功效标准的晶振,石英晶振,有源晶振,压控振荡器,温补晶振(TCXO)、恒温晶体振荡器(OCXO)等产品
4.在石英水晶振荡子,陶瓷振动子,有源晶振,时钟晶体,压电石英晶体系列产品开发和制造过程中使用对环境健康的、可回收利用的材料
5.为开发高效的、对环境影响最小的运输系统而工作.无论公司在世界何处,其经营都应保证生产过程和产品符合同等的环境标准
6.确保业务合作伙伴对环境问题同等关注从事并参与环境领域的研究和开发活动
7.SiTime晶振集团将建立可行的技术及经济性环境目标,并确保其环境保护活动的质量.
8.集团公司将关注所有环境适用的法律、法规和协议的遵守情况.另外为更有效的进行环境保护,将建立自己的特有的环境标准.
9.集团将在各领域内的商务运作中实施持续改进,包括能源资源的保持,回收再利用以及减少晶振,石英晶振, 石英水晶振荡子材料废弃物等.SITIME晶振,SiT9103晶振,可编程时钟发生器

服务热线:0755-27839045
Q Q联系:262320519
邮箱:szceob2b@163.com


