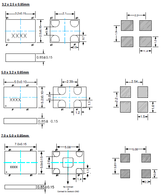
频率:1~125MHz 尺寸:2.5*2.0mm,3.2*2.5mm,5.0*3.2mm,5.0*7.0mm
SiTime晶振的可配置解决方案帮助客户提高产品性能,缩小产品尺寸,提升产品可靠性,并在市场竞争中脱颖而出。SiTime MEMS振荡器计时解决方案丰富的配套功能和灵活的定制性,确保客户在优化其物料供应链的同时,降低拥有成本,加快产品开发上市周期。SiTime产品采用标准半导体制造工艺和高量产塑料封装技术的生产流程,提供业界最强的供货能力和最短的交货时间

SITIME晶振,SiT8002AA晶振,有源晶体振荡器,SiTime晶振集团的MEMS技术起源于博世和斯坦福大学.在我们的创始人创办SiTime之前,他们花了几年时间在位于德国的博世和加州的帕洛阿尔托开发了拯救生命的MEMS解决方案.自2005年成立以来,SiTime已经开发了几代先进的kHz晶体和MHz MEMS谐振器,具有最高的性能、最低的漂移、最小的尺寸和最好的可靠性.我们还开发了一个全面的开发和仿真平台,确保所有MEMS谐振器的第一个硅成功.SITIME硅晶振不仅在我们销售的每一种产品中都有,其他半导体公司在其SOCs中集成了SiTime的MEMS谐振器,以提供独特的、高容量的解决方案,不需要外部时钟.
|
项目 |
符号 |
SiT8002AA晶振规格说明 |
条件 |
|
输出频率范围 |
f0 |
1MHz to 125 MHz |
请联系我们以便获取其它可用频率的相关信息 |
|
电源电压 |
VCC |
1.8 V 2.5V, 3.3 V |
请联系我们以了解更多相关信息 |
|
储存温度 |
T_stg |
-40℃ to +125℃ |
裸存 |
|
工作温度 |
T_use |
G: -40℃ to +85℃ |
请联系我们查看更多资料http://www.jingzhen95.com/ |
|
H: -40℃ to +105℃ |
|||
|
J: -40℃ to +125℃ |
|||
|
频率稳定度 |
f_tol |
J: ±100 × 10-6 |
|
|
L: ±200 × 10-6 |
|||
|
T: ±500 × 10-6 |
|||
|
功耗 |
ICC |
3.5 mA Max. |
无负载条件、最大工作频率 |
|
待机电流 |
I_std |
3.3μA Max. |
ST=GND |
|
占空比 |
SYM |
45 % to 55 % |
50 % VCC 极, L_CMOS≦15 pF |
|
输出电压 |
VOH |
VCC-0.4V Min. |
|
|
VOL |
0.4 V Max. |
|
|
|
输出负载条件 |
L_CMOS |
15 pF Max. |
|
|
输入电压 |
VIH |
80% VCC Max. |
ST 终端 |
|
VIL |
20 % VCC Max. |
||
|
上升/下降时间 |
tr / tf |
4 ns Max. |
20 % VCC to 80 % VCC 极, L_CMOS=15 pF |
|
振荡启动时间 |
t_str |
3 ms Max. |
t=0 at 90 % |
|
频率老化 |
f_aging |
±3 × 10-6 / year Max. |
+25 ℃, 初年度,第一年 |


所有产品的共同点
1:抗冲击
抗冲击是指晶振产品可能会在某些条件下受到损坏。例如从桌上跌落,摔打,高空抛压或在贴装过程中受到冲击。如果产品已受过冲击请勿使用。因为无论何种石英晶振,其内部晶片都是石英晶振制作而成的,高空跌落摔打都会给晶振照成不良影响。
2:辐射
将贴片晶振暴露于辐射环境会导致产品性能受到损害,因此应避免阳光长时间的照射。
3:化学制剂 / pH值环境
请勿在PH值范围可能导致腐蚀或溶解石英晶振或包装材料的环境下使用或储藏这些产品。
4:粘合剂
请勿使用可能导致石英晶振所用的封装材料,终端,组件,玻璃材料以及气相沉积材料等受到腐蚀的胶粘剂。(比如,氯基胶粘剂可能腐蚀一个晶振的金属“盖”,从而破坏密封质量,降低性能
5:卤化合物
请勿在卤素气体环境下使用晶振。即使少量的卤素气体,比如在空气中的氯气内或封装所用金属部件内,都可能产生腐蚀。同时,请勿使用任何会释放出卤素气体的树脂。
6:静电
过高的静电可能会损坏贴片晶振,请注意抗静电条件。请为容器和封装材料选择导电材料。在处理的时候,请使用电焊枪和无高电压泄漏的测量电路,并进行接地操作.SITIME晶振,SiT8002AA晶振,有源晶体振荡器

SITIME晶振环保基本理念:
1.减少石英晶振晶体材料污染,节能降耗——污染预防的承诺;依法治理——遵守现行适用的环境法律、法规和其他要求的承诺;
2.“减少污染,节能降耗,建造美丽家园;依法治理,持续改进,净化一片蓝天”提供了建立和评审环境目标和指标的框架.
3.SiTime晶振采用系统的方法来解决其产品的环境影响.开发和销售拥有最有利的环境特性同时又满足最高可能功效标准的晶振,石英晶振,有源晶振,压控振荡器,温补晶体振荡器(TCXO)、恒温晶体振荡器(OCXO)等产品
4.在石英水晶振荡子,陶瓷振动子,石英晶体振荡器,时钟晶体,压电石英晶体系列产品开发和制造过程中使用对环境健康的、可回收利用的材料
5.为开发高效的、对环境影响最小的运输系统而工作.无论公司在世界何处,其经营都应保证生产过程和产品符合同等的环境标准
6.确保业务合作伙伴对环境问题同等关注从事并参与环境领域的研究和开发活动
7.SiTime晶振集团将建立可行的技术及经济性环境目标,并确保其环境保护活动的质量.
8.集团公司将关注所有环境适用的法律、法规和协议的遵守情况.另外为更有效的进行环境保护,将建立自己的特有的环境标准.
9.集团将在各领域内的商务运作中实施持续改进,包括能源资源的保持,回收再利用以及减少晶振,7050贴片晶振, 石英水晶振荡子材料废弃物等.SITIME晶振,SiT8002AA晶振,有源晶体振荡器

服务热线:0755-27839045
Q Q联系:262320519
邮箱:szceob2b@163.com


