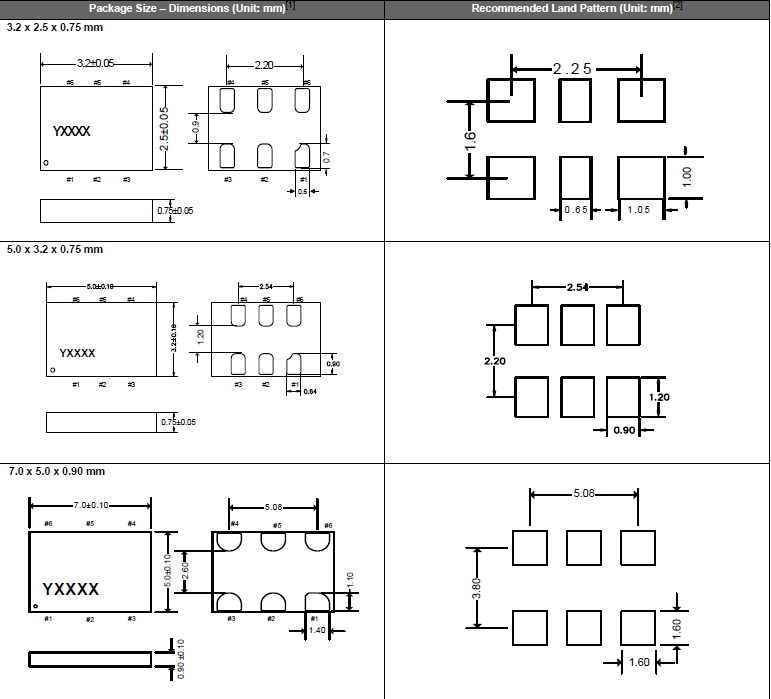
频率:1~220MHz 尺寸:3.2*2.5mm,5.0*3.2mm,5.0*7.0mm
与普通石英晶振,石英晶体,石英振荡器相比,SiTime的MEMS振荡器提供了更高的性能.通过将硅的固有优势与SiTime晶振的专业技术结合起来,我们正在开发具有更多特性、高性能和无与伦比的优点的最具创新性的计时产品石英贴片晶振,石英晶体振荡器.

SITIME晶振,SiT3821晶振,可编程振荡器,SiTime Corporation是一家美国模拟半导体公司,致力于用可取代传统石英产品的SITIME硅晶振计时解决方案改变全球50亿美元的计时市场。凭借着85%的市场份额和2013年超过2亿片器件的出货量,SiTime正在推动硅基计时技术在电子工业中的全面普及。SiTime晶振公司拥有一个世界级的模拟工程团队,它为业界提供了最高的性能和最灵活的有源晶振.自从2006年我们的第一次产品介绍以来,我们已经改进了频率稳定性能250次(根据价值的数字来衡量),改进了抖动性能800次,改善了阿伦的偏差3万次,提高了功率消耗100次,同时保持了我们的产品的灵活性和可靠性.SiTime最近的精英平台就是这样一个例子——基于此架构的产品提供了最好的动态性能,比市场上的任何振荡器都具有更多的特性.
|
型号 |
SiT3821(VCXO) |
|
|
输出频率范围 |
1~220MHz |
|
|
电源电压范围 |
2.5 to 3.3V |
|
|
电源电压(Vcc) |
+1.8V/+2.6V/+2.8V/+3.0V/+3.3V |
|
|
消耗电流 |
+33mA max |
|
|
待机时电流 |
- |
|
|
输出电压 |
0.8Vp-p min.(f≦52MHz)(削峰正弦波/DC-coupled) |
|
|
输出负载 |
10kΩ//5pF |
|
|
频 率 稳 定 度 |
常温偏差 |
±1.5×10-6 max.(After 2 reflows) |
|
温度特性 |
±10×10-6,±25×10-6 max./-20~+70℃ |
|
|
电源电压特性 |
±0.2×10-6 max.(VCC ±5%) |
|
|
负载变化特性 |
±0.2×10-6 max.(10kΩ//10pF±10%) |
|
|
长期变化 |
±1.0×10-6 max./year |
|
|
频 率 控 制 |
控制灵敏度 |
±3.0×10-6~±5.0×10-6/Vcont=+1.4V±1V @VCC≧+2.6V |
|
频率控制极性 |
正极性 |
|


石英晶振各项注意事项:
机械振动的影响
当石英晶体产品上存在任何给定冲击或受到周期性机械振动时,比如:压电扬声器,压电蜂鸣器,以及喇叭等,输出频率和幅度会受到影响。这种现象对通信器材通信质量有影响。尽管晶体产品设计可最小化这种机械振动的影响,我们推荐事先检查并按照下列安装指南进行操作。
自动安装时的冲击
自动安装和真空化引发的冲击会破坏产品特性并影响这些产品。请设置安装条件以尽可能将冲击降至最低,并确保在安装前未对产品特性产生影响。条件改变时,请重新检查安装条件。同时,在安装前后,请确保晶体产品未撞击机器或其他电路板等。
操作
请勿用镊子或任何坚硬的工具,夹具直接接触IC的表面。
使用环境(温度和湿度)
请在规定的温度范围内使用SMD晶振产品。这个温度涉及本体的和季节变化的温度。在高湿环境下,会由于凝露引起故障。请避免凝露的产生。
晶体单元/谐振器
激励功率
在晶体单元上施加过多驱动力,会导致石英晶体谐振器产品特性受到损害或破坏。电路设计必须能够维持适当的激励功率 (请参阅“激励功率”章节内容)。
负极电阻
除非振荡回路中分配足够多的负极电阻,否则振荡或振荡启动时间可能会增加(请参阅“关于振荡”章节内容)。SITIME晶振,SiT3821晶振,可编程振荡器

SITIME晶振环保基本理念:
1.作为良好的企业市民,遵循本公司的行动方针,充分关心维护地球环境.遵守国内外的有关环保法规.
2.在石英水晶振荡子,陶瓷振动子,压控晶振,压电石英晶体系列产品开发和制造过程中使用对环境健康的、可回收利用的材料
3.有效利用资源和能源,认识到资源和能源的有限性,努力进行有效利用.
4为构建循环型社会做出贡献,致力于贴片晶振原材料减少废弃物及废弃物的再利用核再生循环,努力构建循环型社会.
5.推进环保型业务,充分发挥综合实力,推进环保型业务,为减轻社会的环境负荷做出贡献.
6.建立环境管理系统,充分运用环境管理系统,设定环境目的和目标,定期修正,不断改善,努力预防环境污染.
7.建造美丽家园——适合于我公司的生产活动、产品以及服务过程的性质.规模与环境影响。SITIME晶振,SiT3821晶振,可编程振荡器

服务热线:0755-27839045
Q Q联系:262320519
邮箱:szceob2b@163.com


