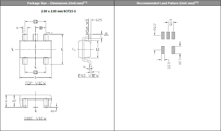
频率:115.2~137MHz 尺寸:2.9*2.8mm
SiTime公司提供超低抖动时钟发生产品,适合无线基础设施、仪器仪表、宽带、自动测试设备和其他要求亚皮秒性能的应用。 我们的时钟产品非常适合为高性能模数转换器和数模转换器提供高速、低噪声时钟信号。SiTime公司时钟IC在小型芯片级封装中集成PLL内核、分频器、相位偏移、偏斜调整和时钟驱动器。

SITIME晶振,SiT2025B晶振,汽车振荡器,SiTime晶振公司,MEMS和模拟半导体公司,提供了业界最好的时间解决方案.我们的团队热衷于解决高性能电子产品中最困难的时间问题.与普通石英晶振,石英晶体,石英振荡器相比,SiTime的MEMS振荡器提供了更高的性能.由于石英设备针对特定的参数进行了优化,因此无法提供基于内存的解决方案提供的组合性能和特性.
通过将硅的固有优势与SiTime晶振的专业技术结合起来,我们正在开发具有更多特性、高性能和无与伦比的优点的最具创新性的计时产品有源晶振,石英晶体振荡器.
|
项目 |
符号 |
SiT2025B晶振规格说明 |
条件 |
|
输出频率范围 |
f0 |
115.2MHz to 137 MHz |
请联系我们以便获取其它可用频率的相关信息 |
|
电源电压 |
VCC |
1.8 V to 3.3 V |
请联系我们以了解更多相关信息 |
|
储存温度 |
T_stg |
-55℃ to +125℃ |
裸存 |
|
工作温度 |
T_use |
G: -40℃ to +85℃ |
请联系我们查看更多资料http://www.jingzhen95.com/ |
|
H: -40℃ to +105℃ |
|||
|
J: -55℃ to +125℃ |
|||
|
频率稳定度 |
f_tol |
J: ±20 × 10-6 |
|
|
L: ±25 × 10-6 |
|||
|
T: ±50 × 10-6 |
|||
|
功耗 |
ICC |
3.5 mA Max. |
无负载条件、最大工作频率 |
|
待机电流 |
I_std |
3.3μA Max. |
ST=GND |
|
占空比 |
SYM |
45 % to 55 % |
50 % VCC 极, L_CMOS≦15 pF |
|
输出电压 |
VOH |
VCC-0.4V Min. |
|
|
VOL |
0.4 V Max. |
|
|
|
输出负载条件 |
L_CMOS |
15 pF Max. |
|
|
输入电压 |
VIH |
80% VCC Max. |
ST 终端 |
|
VIL |
20 % VCC Max. |
||
|
上升/下降时间 |
tr / tf |
4 ns Max. |
20 % VCC to 80 % VCC 极, L_CMOS=15 pF |
|
振荡启动时间 |
t_str |
3 ms Max. |
t=0 at 90 % |
|
频率老化 |
f_aging |
±3 × 10-6 / year Max. |
+25 ℃, 初年度,第一年 |


PCB设计指导
(1) 理想情况下,机械蜂鸣器应安装在一个独立于晶体器件的PCB板上。如果您安装在同一个PCB板上,最好使用余量或切割PCB。当应用于PCB板本身或PCB板体内部时,机械振动程度有所不同。建议遵照内部板体特性。
(2) 在设计时请参考相应的推荐封装。
(3) 在使用焊料助焊剂时,按JIS标准(JIS C 60068-2-20/IEC 60,068-2-20).来使用。
(4) 请按JIS标准(JIS Z 3282, Pb 含量 1000ppm, 0.1wt% 或更少)来使用无铅焊料。
存储事项
(1) 在更高或更低温度或高湿度环境下长时间保存晶振时,会影响频率稳定性或焊接性。请在正常温度和湿度环境下保存这些石英晶振产品,并在开封后尽可能进行安装,以免长期储藏。
正常温度和湿度:
温度:+15°C 至 +35°C,湿度 25 % RH 至 85 % RH(请参阅“测试点JIS C 60068-1 / IEC 60068-1的标准条件”章节内容)。
(2) 请仔细处理内外盒与卷带。外部压力会导致卷带受到损坏.SITIME晶振,SiT2025B晶振,汽车振荡器

SITIME晶振环保基本理念:
1.SiTime晶振减少污染物排放,对不可再生的资源进行有效利用.减少废物的产生,对其排放的责任进行有效管理,有效地使用能源.通过设计工艺程序对员工进行培训保护环境以及人们的健康和安全.提供安全使用和废置我们的产品的信息,对环境有重大健康安全和环境的运营现状进行纠正.
2.在石英水晶振荡子,陶瓷振动子,32.768K有源晶振,时钟晶体,压电石英晶体系列产品开发和制造过程中使用对环境健康的、可回收利用的材料。
3.SiTime晶振集团将建立可行的技术及经济性环境目标,并确保其环境保护活动的质量.
4.集团公司将关注所有环境适用的法律、法规和协议的遵守情况.另外为更有效的进行环境保护,将建立自己的特有的环境标准.
5.集团将在各领域内的商务运作中实施持续改进,包括能源资源的保持,回收再利用以及减少晶振,石英晶振, 石英水晶振荡子材料废弃物等.
6.SiTime晶振尽可能的采用无害的石英晶体振荡器, 压电石英晶体元器件、压电石英晶体、有源晶体原材料和生产技术,避免有害物质的产生,比如消耗臭氧层物质、温室气体及其它污染物.集团公司同时将致力于这些物质的收集和回收,最小化有害原料的使用.SITIME晶振,SiT2025B晶振,汽车振荡器

服务热线:0755-27839045
Q Q联系:262320519
邮箱:szceob2b@163.com


