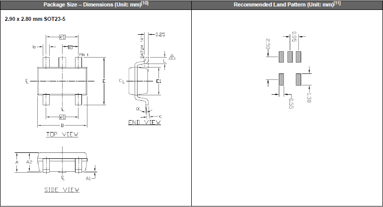
频率:1~110MHz 尺寸:2.9*2.8mm
有源晶振,是只晶体本身起振需要外部电压供应,起振后可直接驱动CMOS 集成电路,产品本身已实现与薄型IC(TSSOP封装,TVSOP封装)同样的1mm厚度,断开时的消费电流是15 µA以下,编带包装方式可对应自动搭载及IR回流焊接.

SITIME晶振,SiT2001B晶振,有源晶振,SiTime晶振公司,MEMS和模拟半导体公司,提供了业界最好的时间解决方案.我们的团队热衷于解决高性能电子产品中最困难的时间问题.在过去的几十年里,石英晶体振荡器、时钟发生器和石英晶体谐振器是电子器件中主要的参考计时元件.由于没有其他选择,OEMs和ODMs接受了石英定时装置固有的局限性.现在,有了强大的MEMS谐振器和高性能模拟电路,SiTime晶振公司已经开发出突破石英器件限制的突破性解决方案,研发出高性能贴片晶振,压控晶体振荡器,可编程石英晶体振荡器等.
|
项目 |
符号 |
SiT2001B晶振规格说明 |
条件 |
|
输出频率范围 |
f0 |
1MHz to 110 MHz |
请联系我们以便获取其它可用频率的相关信息 |
|
电源电压 |
VCC |
1.8 V to 3.3 V |
请联系我们以了解更多相关信息 |
|
储存温度 |
T_stg |
-40℃ to +85℃ |
裸存 |
|
工作温度 |
T_use |
G: -40℃ to +85℃ |
请联系我们查看更多资料http://www.jingzhen95.com/ |
|
H: -40℃ to +105℃ |
|||
|
J: -40℃ to +125℃ |
|||
|
频率稳定度 |
f_tol |
J: ±20 × 10-6 |
|
|
L: ±25 × 10-6 |
|||
|
T: ±50 × 10-6 |
|||
|
功耗 |
ICC |
3.5 mA Max. |
无负载条件、最大工作频率 |
|
待机电流 |
I_std |
3.3μA Max. |
ST=GND |
|
占空比 |
SYM |
45 % to 55 % |
50 % VCC 极, L_CMOS≦15 pF |
|
输出电压 |
VOH |
VCC-0.4V Min. |
|
|
VOL |
0.4 V Max. |
|
|
|
输出负载条件 |
L_CMOS |
15 pF Max. |
|
|
输入电压 |
VIH |
80% VCC Max. |
ST 终端 |
|
VIL |
20 % VCC Max. |
||
|
上升/下降时间 |
tr / tf |
4 ns Max. |
20 % VCC to 80 % VCC 极, L_CMOS=15 pF |
|
振荡启动时间 |
t_str |
3 ms Max. |
t=0 at 90 % |
|
频率老化 |
f_aging |
±3 × 10-6 / year Max. |
+25 ℃, 初年度,第一年 |


PCB设计指导
(1) 理想情况下,机械蜂鸣器应安装在一个独立于晶体器件的PCB板上。如果您安装在同一个PCB板上,最好使用余量或切割PCB。当应用于PCB板本身或PCB板体内部时,机械振动程度有所不同。建议遵照内部板体特性。
(2) 在设计时请参考相应的推荐封装。
(3) 在使用焊料助焊剂时,按JIS标准(JIS C 60068-2-20/IEC 60,068-2-20).来使用。
(4) 请按JIS标准(JIS Z 3282, Pb 含量 1000ppm, 0.1wt% 或更少)来使用无铅焊料。
存储事项
(1) 在更高或更低温度或高湿度环境下长时间保存晶振时,会影响频率稳定性或焊接性。请在正常温度和湿度环境下保存这些石英晶振产品,并在开封后尽可能进行安装,以免长期储藏。
正常温度和湿度:
温度:+15°C 至 +35°C,湿度 25 % RH 至 85 % RH(请参阅“测试点JIS C 60068-1 / IEC 60068-1的标准条件”章节内容)。
(2) 请仔细处理内外盒与卷带。外部压力会导致卷带受到损坏.SITIME晶振,SiT2001B晶振,有源晶振

SITIME晶振环保基本理念:
1.作为良好的企业市民,遵循本公司的行动方针,充分关心维护地球环境.遵守国内外的有关环保法规.
2.在石英水晶振荡子,陶瓷振动子,32.768K,时钟晶体,压电石英晶体系列产品开发和制造过程中使用对环境健康的、可回收利用的材料
3.有效利用资源和能源,认识到资源和能源的有限性,努力进行有效利用.
4为构建循环型社会做出贡献,致力于有源晶振原材料减少废弃物及废弃物的再利用核再生循环,努力构建循环型社会.
5.推进环保型业务,充分发挥综合实力,推进环保型业务,为减轻社会的环境负荷做出贡献.
6.建立环境管理系统,充分运用环境管理系统,设定环境目的和目标,定期修正,不断改善,努力预防环境污染.
7.建造美丽家园——适合于我公司的生产活动、产品以及服务过程的性质.规模与环境影响;SITIME晶振,SiT2001B晶振,有源晶振

服务热线:0755-27839045
Q Q联系:262320519
邮箱:szceob2b@163.com


