瑞康晶振,VCXO晶振,RVX1490M晶振,RAKON瑞康晶振的产品范围包括较低的稳定石英晶体振荡器(XO),压控晶体振荡器(VCXO)和石英晶振产品,通过体积精度高温度补偿晶体振荡器(TCXO),烤箱控制晶体振荡器(OCXO)、声表面滤波器(SAW)和专业产品的极端表现。
VCXO压控晶振Rakon已经在广泛的专业技能标准性能、高性能和高可靠性的压控晶体振荡器(VCXO)和电压控制时钟振荡器(VCXO)。VCXO特性的高性能范围低抖动、相位噪声低、可选择的输出频率,使其适合应用在全球定位和电信市场。晶振产品的高可靠性VCXO压控晶振范围耐冲击和振动在严酷的环境下。规范配置文件使它们成为空间应用程序的一个很好的解决方案。
|
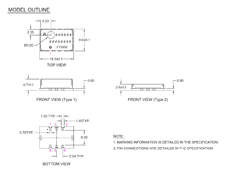
型号 |
RVX1490M(VCXO) |
|
|
输出频率范围 |
50~500MHz |
|
|
标准频率 |
500MHz |
|
|
电源电压范围 |
0~+3.3V |
|
|
电源电压(Vcc) |
3.3V |
|
|
消耗电流 |
+70mA (f≦26MHz)/+2.0mA max.(26<f≦52MHz)/+2.5mA max.(f≦60MHz) |
|
|
待机时电流 |
- |
|
|
输出电压 |
0.8Vp-p min.(f≦52MHz)(削峰正弦波/DC-coupled) |
|
|
输出负载 |
5MΩ//10pF |
|
|
频率稳定度 |
常温偏差 |
±1.5×10-6 max.(After 2 reflows) |
|
温度特性 |
±1.0×10-6,±2.5×10-6 max./-30~+85℃ |
|
|
电源电压特性 |
±0.2×10-6 max.(VCC ±5%) |
|
|
负载变化特性 |
±0.2×10-6 max.(10kΩ//10pF±10%) |
|
|
长期变化 |
±1.0×10-6 max./year |
|
|
频率控制 |
控制灵敏度 |
±3.0×10-6~±5.0×10-6/Vcont=+1.4V±1V @VCC≧+2.6V |
|
频率控制极性 |
正极性 |
|




超声波清洗
(1)使用AT-切割晶体和表面声波(SAW)谐振器/滤波器的产品,可以通过超声波进行清洗。但是,在某些条件下, 晶体特性可能会受到影响,而且内部线路可能受到损坏。确保已事先检查系统的适用性。
(2)使用音叉晶体和陀螺仪传感器的产品无法确保能够通过超声波方法进行清洗,因为晶体可能受到破坏。
(3)请勿清洗开启式产品
(4)对于可清洗产品,应避免使用可能对产品产生负面影响的清洗剂或溶剂等。
(5)焊料助焊剂的残留会吸收水分并凝固。这会引起诸如位移等其它现象。这将会负面影响石英晶体的可靠性和质量。请清理残余的助焊剂并烘干PCB。
激励功率
在晶体单元上施加过多驱动力,会导致产品特性受到损害或破坏。电路设计必须能够维持适当的激励功率。
负极电阻
除非振荡回路中分配足够多的负极电阻,否则振荡或振荡启动时间可能会增加。瑞康晶振,VCXO晶振,RVX1490M晶振
我们知道,人类的永续发展需要干净的环境,如果我们产品中的物质会对环境造成污染,影响到人类生存的基本条件,不论产品的功能再先进再齐全,也无法对环境与社会带来多大的帮助。
有效利用贴片晶振材料资源和能源,认识到资源和能源的有限性,有源晶体振荡器,水晶振荡子等原材料的有效利用.瑞康晶振公司事业废弃物产出量逐年降低,可回收、再利用之废弃物比例逐年提高,各项排放检测数据符合政府法规要求.并由原材料管控禁用或限用环境危害物质与国际大厂对于石英晶体振荡器的要求相符,于2004年通过绿色伙伴(Green Partner)验证.
自从欧盟颁布各项绿色环保指令(如RoHS)后,世界各国已陆续制定公布相关之法令规章,推动「绿色产品」的发展。瑞康晶振为了对环境与人类贡献一己之力,导入绿色设计之概念,致力生产符合国际绿色环保指令与客户特殊要求的晶振,石英晶振, 压控晶振,压控振荡器。
瑞康晶振进一步解放思想,学习先进,总结实践,针对新形势、新情况,抓好理念创新,促进安全环保工作更加科学、更加有效。瑞康晶振,VCXO晶振,RVX1490M晶振
服务热线:0755-27839045
Q Q联系:262320519
邮箱:szceob2b@163.com


