NDK晶振,石英晶体振荡器,NY13M09WA晶振,日本电波工业株式NDK晶振会社于1948年成立。经营范围:晶体谐振器、晶体振荡器等晶体元器件、应用器件、石英晶振,陶瓷晶振,声表面谐振器,有源晶振,压控振荡器,贴片晶振,人工水晶及芯片等的晶体相关产品的制造与销售
要认识到作为世界一流厂家的使命和责任,要始终在行业中起带头作用。抢先取得社会需求,为客户提供高质量的服务与晶振,石英晶振,有源晶振,压控晶体振荡器,陶瓷晶振,声表面谐振器,贴片晶振。追求使用更方便、更稳定的发振源,创造更高的附加价值。不畏失败,向困难挑战,努力培养出能自我开发的人才。通过工作发扬人格。尊重个人,努力提高员工的生活水平。
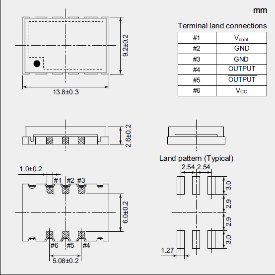
|
型号 |
符号 |
NY13M09WA |
|
输出规格 |
- |
LV-PECL |
|
输出频率范围 |
fo |
1680~2200MHz |
|
电源电压 |
VCC |
+3.3 ± 10 % |
|
频率公差 |
f_tol |
±50×10-6 max., ±100×10-6 max. |
|
保存温度范围 |
T_stg |
-55~+125℃ |
|
运行温度范围 |
T_use |
-10~+85℃ |
|
消耗电流 |
ICC |
100mA max. (fo≦170MHz) |
|
待机时电流(#1引脚"L") |
I_std |
10μA max. |
|
输出负载 |
Load-R |
50Ω to VCC-2V |
|
波形对称 |
SYM |
40~60% [at outputs cross point] |
|
0电平电压 |
VOL |
VCC-1.81~VCC-1.62V |
|
1电平电压 |
VOH |
VCC-1.025~VCC-0.88V |
|
上升时间 下降时间 |
tr, tf |
0.5ns max. [20~80% Output, OutputN] |
|
差分输出电压 |
VOD1, VOD2 |
- |
|
差分输出误差 |
⊿VOD |
- |
|
补偿电压 |
VOS |
- |
|
补偿电压误差 |
⊿VOS |
- |
|
交叉点电压 |
Vcr |
- |
|
OE端子0电平输入电压 |
VIL |
VCC×0.3 max. |
|
OE端子1电平输入电压 |
VIH |
VCC×0.7 min. |
|
输出禁用时间 |
tPLZ |
200ns |
|
输出使能时间 |
tPZL |
2ms |
|
周期抖动(1) |
tRMS |
5ps typ. (13.5MHz≦fo<27MHz) / 2.5ps typ. (27MHz≦fo<212.5MHz) (σ) |
|
tp-p |
33ps typ. (13.5MHz≦fo<27MHz) / 22ps typ. (27MHz≦fo<212.5MHz) (Peak to peak) |
|
|
总抖动(1) |
tTL |
50ps typ. (13.5MHz≦fo<27MHz) / 35ps typ. (27MHz≦fo<212.5MHz) [tDJ + n×tRJ n=14.1(BER=1×10-12) (2)] |
|
相位抖动 |
tpj |
1.5ps max. (13.5MHz≦fo<27MHz) / 1ps max. (27MHz≦fo<212.5MHz) |
PCB设计指导
(1) 理想情况下,机械蜂鸣器应安装在一个独立于晶体器件的PCB板上。如果您安装在同一个PCB板上,最好使用余量或切割PCB。当应用于PCB板本身或PCB板体内部时,机械振动程度有所不同。建议遵照内部板体特性。
(2) 在设计时请参考相应的推荐封装。
(3) 在使用焊料助焊剂时,按JIS标准(JIS C 60068-2-20/IEC 60,068-2-20).来使用。
(4) 请按JIS标准(JIS Z 3282, Pb 含量 1000ppm, 0.1wt% 或更少)来使用无铅焊料。
存储事项
(1) 在更高或更低温度或高湿度环境下长时间保存晶振时,会影响频率稳定性或焊接性。请在正常温度和湿度环境下保存这些石英晶振产品,并在开封后尽可能进行安装,以免长期储藏。
正常温度和湿度:
温度:+15°C 至 +35°C,湿度 25 % RH 至 85 % RH(请参阅“测试点JIS C 60068-1 / IEC 60068-1的标准条件”章节内容)。
(2) 请仔细处理内外盒与卷带。外部压力会导致卷带受到损坏。NDK晶振,石英晶体振荡器,NY13M09WA晶振

日本电波工业株式NDK晶振所说的LCA指的是“生命周期评估”,它包括评估产品的寿命。在这里,产品的生命不仅仅是产品本身的制造阶段,而是包括原料组成产品的零件/材料的开采阶段,包括产品的制造阶段,销售阶段,包括到产品交付给用户使用的阶段,包括产品使用由用户和维修/维护参与它,和处置阶段,通过用户废弃产品回收,回收或处置。在ISO14000系列环境标准中也建立了国际标准。
日本电波工业株式石英晶振超低电压驱动的CO2排放量(0.8V ~)型时钟振荡器(nz2520sf)采用最先进的技术和传统的产品开发(2700系列)是由环境LCA技术相比。二氧化碳排放量的计算量的部分制造,产品制造和我们的产品纳入笔记本电脑的功耗,以及产品运输的燃料消耗量。所采用的分析方法是“现场类型”,研究工厂和生产线单位的功耗,然后从产品的总金额,每产品的功耗。
日本电波工业株式NDK晶振由于制造普通晶体振荡器(PXO)、压控晶体振荡器(VCXO)、温补晶体振荡器(TCXO)、恒温晶体振荡器(OCXO)、陶瓷谐振器等涉及高温处理,所以需要大量电力的过程。通过使产品更加紧凑,可以增加每个工序引入的零件数量。设备功耗几乎不影响零件数量。因此,每个产品的功耗减少由于增加的部件的数量,然后抑制二氧化碳排放。与这项改革,减少功耗设备也实施。为了快速响应我们的客户需求,我们整合了我们的基本技术,设计技术,生产技术和制造技术,成功地减少和减轻产品使用最先进的技术。NDK晶振,石英晶体振荡器,NY13M09WA晶振
服务热线:0755-27839045
Q Q联系:262320519
邮箱:szceob2b@163.com


