
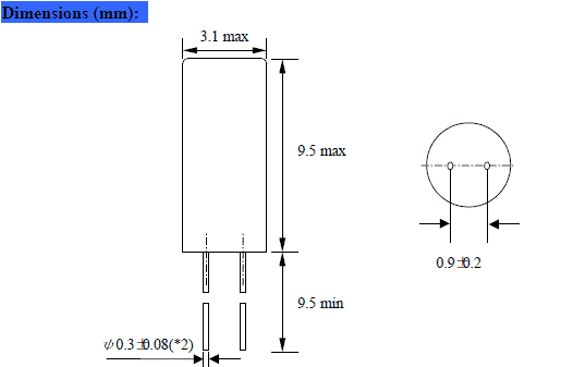
NSK晶振,石英晶振,NXF3-9晶振,小体积,轻型的音叉表晶型石英晶体谐振器,具有优良的耐高温,耐环境特性,可发挥优良的电气特性,石英晶振的切割设计:用不同角度对晶振的石英晶棒进行切割,可获得不同特性的石英晶片,通常我们把晶振的石英晶片对晶棒坐标轴某种方位(角度)的切割称为石英晶片的切型。不同切型的石英晶片,因其弹性性质,压电性质,温度性质不同,其电特性也各异,石英晶振目前主要使用的有 AT 切、BT 切。其它切型还有CT、DT、GT、NT 等
|
NSK晶振规格 |
单位 |
NXF3-9晶振频率范围 |
石英晶振基本条件 |
|
标准频率 |
f_nom |
3.579545M~160MHZ |
标准频率 |
|
储存温度 |
T_stg |
-20°C ~ +70°C |
裸存 |
|
工作温度 |
T_use |
-10°C ~ +60°C |
标准温度 |
|
激励功率 |
DL |
200μW Max. |
推荐:1μW ~ 100μW |
|
频率公差 |
f_— l |
±50 × 10-6 (标准), |
+25°C 对于超出标准的规格说明, |
|
频率温度特征 |
f_tem |
±30 × 10-6/-20°C ~+70°C |
超出标准的规格请联系我们. |
|
负载电容 |
CL |
10PF~32PF |
超出标准说明,请联系我们. |
|
串联电阻(ESR) |
R1 |
如下表所示 |
-40°C — +85°C, DL = 100μW |
|
频率老化 |
f_age |
±5 × 10-6 / year Max. |
+25°C,第一年 |

所有产品的共同点
1:抗冲击
抗冲击是指晶振产品可能会在某些条件下受到损坏。例如从桌上跌落,摔打,高空抛压或在贴装过程中受到冲击。如果产品已受过冲击请勿使用。因为无论何种石英晶振,其内部晶片都是石英晶振制作而成的,高空跌落摔打都会给晶振照成不良影响。
2:辐射
将贴片晶振暴露于辐射环境会导致产品性能受到损害,因此应避免阳光长时间的照射。
3:化学制剂 / pH值环境
请勿在PH值范围可能导致腐蚀或溶解石英晶振或包装材料的环境下使用或储藏这些产品。
4:粘合剂
请勿使用可能导致石英晶振所用的封装材料,终端,组件,玻璃材料以及气相沉积材料等受到腐蚀的胶粘剂。(比如,氯基胶粘剂可能腐蚀一个晶振的金属“盖”,从而破坏密封质量,降低性能。)
5:卤化合物
请勿在卤素气体环境下使用晶振。即使少量的卤素气体,比如在空气中的氯气内或封装所用金属部件内,都可能产生腐蚀。同时,请勿使用任何会释放出卤素气体的树脂。
6:静电
过高的静电可能会损坏贴片晶振,请注意抗静电条件。请为容器和封装材料选择导电材料。在处理的时候,请使用电焊枪和无高电压泄漏的测量电路,并进行接地操作。NSK晶振,石英晶振,NXF3-9晶振
台湾津绽晶振科技股份有限公司藉由环境/安卫管理系统的推动执行,以整合内部资源,奠定经营管理的基础.藉执行环境考虑面/安卫危害鉴别作业,环境/安卫管理方案和内部稽核为手段,合理化推动环境/安卫管理,落实环境/安卫系统有效实施.并不断透过教育训练灌输员工环境/安卫观念及意识,藉由改善公司制程以达到污染预防、工业减废、安全与卫生、符合法规要求使企业永续发展减少环境/安卫负担,并满足客户需求,获得客户的信赖而努力.
1.作为良好的企业市民,遵循本公司的行动方针,充分关心维护地球环境。遵守国内外的有关环保法规。
2.保护自然环境,充分关注自然生态等方面的环境保护,维持和保全生物多样性。
3.有效利用资源和能源,认识到资源和能源的有限性,努力进行有效利用。
4为构建循环型社会做出贡献,致力于减少废弃物及废弃物的再利用核再生循环,努力构建循环型社会。
5.推进环保型业务,充分发挥综合实力,推进环保型业务,为减轻社会的环境负荷做出贡献。
6.建立环境管理系统,充分运用环境管理系统,设定环境目的和目标,定期修正,不断改善,努力预防环境污染。
服务热线:0755-27839045
Q Q联系:262320519
邮箱:szceob2b@163.com


