SMD,5032mm,12.288MHz,±50ppm,NX5032GA-12.288000MHZ-LN-CD-1,日本进口NDK晶振,型号NX5032GA,编码为NX5032GA-12.288000MHZ-LN-CD-1,是一款小体积晶振尺寸5.0x3.2x1.3mm封装,两脚贴片晶振,无源晶振,贴片石英晶振,石英水晶谐振器,无铅环保晶振,频率:12.288MHz,工作温度范围:-40℃至+150℃,表面安装晶体单元,适用于汽车应用,兼容发动机控制单片机时钟,这需要高可靠性的,即使在极端恶劣的环境条件下也能保持稳定的启动特性,优异的抗环境性能,如耐热、振动和抗冲击,回流温度分布(可用于无铅焊接),符合AEC-Q200,超小型轻薄型耐高温晶振,适用于汽车配件,消费电子产品,车载控制器晶振,汽车音响控制器晶振,汽车电子中控晶振,参考时钟来源的视频和音频设备应用。
SMD,5032mm,12.288MHz,±50ppm,NX5032GA-12.288000MHZ-LN-CD-1,日本进口NDK晶振,型号NX5032GA,编码为NX5032GA-12.288000MHZ-LN-CD-1,是一款小体积晶振尺寸5.0x3.2x1.3mm封装,两脚贴片晶振,无源晶振,贴片石英晶振,石英水晶谐振器,无铅环保晶振,频率:12.288MHz,工作温度范围:-40℃至+150℃,表面安装晶体单元,适用于汽车应用,兼容发动机控制单片机时钟,这需要高可靠性的,即使在极端恶劣的环境条件下也能保持稳定的启动特性,优异的抗环境性能,如耐热、振动和抗冲击,回流温度分布(可用于无铅焊接),符合AEC-Q200,超小型轻薄型耐高温晶振,适用于汽车配件,消费电子产品,车载控制器晶振,汽车音响控制器晶振,汽车电子中控晶振,参考时钟来源的视频和音频设备应用。
SMD,5032mm,12.288MHz,±50ppm,NX5032GA-12.288000MHZ-LN-CD-1,参数图
Item
Model
NX5032GA
Nominal Frequency
8 to 10.5 MHz
10.5 to 50 MHz
8 to 10.5 MHz
10.5 to 50 MHz
50 to 55 MHz
Overtone Order
Fundamental
Frequency Tolerance (25 ±3 °C)
±30 × 10−6
±20 × 10−6
Frequency versus Temperature Characteristics (with reference to +25 °C)
±50 × 10−6
±30 × 10−6
Operating Temperature Range
−40 to +85 °C
−10 to +70 °C
Storage Temperature Range
−40 to +125 °C
−40 to +85 °C
Equivalent Series Resistance
Refer to *1
Refer to *2
Level of Drive
50 μW (Max. 500 μW)
Load Capacitance
8 pF
Specifications Number
STD-CSK-7
STD-CSK-8
STD-CSK-3
STD-CSK-4
STD-CKW3

SMD,5032mm,12.288MHz,±50ppm,NX5032GA-12.288000MHZ-LN-CD-1,尺寸图
SMD,5032mm,12.288MHz,±50ppm,NX5032GA-12.288000MHZ-LN-CD-1,NDK相关编码:
| 原厂编码 | 晶振厂家 | 型号 | 频率 | 频率稳定度 | 包装/封装 |
| NX5032GA-24.000000MHZ-LN-CD-1 | NDK晶振 | NX5032GA | 24MHz | ±50ppm | 2-SMD, No Lead |
| NX5032GA-25.000000MHZ-LN-CD-1 | NDK晶振 | NX5032GA | 25MHz | ±50ppm | 2-SMD, No Lead |
| NX5032GA-27.000000MHZ-LN-CD-1 | NDK晶振 | NX5032GA | 27MHz | ±50ppm | 2-SMD, No Lead |
| NX5032GA-16.000000MHZ-LN-CD-1 | NDK晶振 | NX5032GA | 16MHz | ±50ppm | 2-SMD, No Lead |
| NX5032GA-10.000000MHZ-LN-CD-1 | NDK晶振 | NX5032GA | 10MHz | ±50ppm | 2-SMD, No Lead |
| NX5032GA-12.000000MHZ-LN-CD-1 | NDK晶振 | NX5032GA | 12MHz | ±50ppm | 2-SMD, No Lead |
| NX5032GA-48.000000MHZ-LN-CD-1 | NDK晶振 | NX5032GA | 48MHz | ±50ppm | 2-SMD, No Lead |
| NX5032GA-16.384000MHZ-LN-CD-1 | NDK晶振 | NX5032GA | 16.384MHz | ±50ppm | 2-SMD, No Lead |
| NX5032GA-20.000000MHZ-LN-CD-1 | NDK晶振 | NX5032GA | 20MHz | ±50ppm | 2-SMD, No Lead |
| NX5032GA-32.000000MHZ-LN-CD-1 | NDK晶振 | NX5032GA | 32MHz | ±50ppm | 2-SMD, No Lead |
| NX5032GA-27M-STD-CSK-4 | NDK晶振 | NX5032GA | 27MHz | ±30ppm | 2-SMD, No Lead |
| NX5032GA-12.288M-STD-CSK-4 | NDK晶振 | NX5032GA | 12.288MHz | ±30ppm | 2-SMD, No Lead |
| NX5032GA-14.31818M-STD-CSK-4 | NDK晶振 | NX5032GA | 14.31818MHz | ±30ppm | 2-SMD, No Lead |
| NX5032GA-25.000M-STD-CSK-4 | NDK晶振 | NX5032GA | 25MHz | ±30ppm | 2-SMD, No Lead |
| NX5032GA-12MHZ-STD-CSK-4 | NDK晶振 | NX5032GA | 12MHz | ±30ppm | 2-SMD, No Lead |
| NX5032GA-10.000M-STD-CSU-1 | NDK晶振 | NX5032GA | 10MHz | ±150ppm | 2-SMD, No Lead |
| NX5032GA-20.000M-STD-CSU-2 | NDK晶振 | NX5032GA | 20MHz | ±150ppm | 2-SMD, No Lead |
| NX5032GA-12.000M-STD-CSU-2 | NDK晶振 | NX5032GA | 12MHz | ±150ppm | 2-SMD, No Lead |
| NX5032GA-20.000M-STD-CSK-4 | NDK晶振 | NX5032GA | 20MHz | ±30ppm | 2-SMD, No Lead |
| NX5032GA-13.56M-STD-CSK-4 | 贴片晶振 | NX5032GA | 13.56MHz | ±30ppm | 2-SMD, No Lead |
| NX5032GA-12.288000MHZ-LN-CD-1 | NDK晶振 | NX5032GA | 12.288MHz | ±50ppm | 2-SMD, No Lead |
| NX5032GA-16MHZ-STD-CSK-8 | NDK晶振 | NX5032GA | 16MHz | ±50ppm | 2-SMD, No Lead |
| NX5032GA-16MHZ-STD-CSK-4 | NDK晶振 | NX5032GA | 16MHz | ±30ppm | 2-SMD, No Lead |
| NX5032GA- 9.84375M-STD-CSU-1 | NDK晶振 | NX5032GA | 9.84375MHz | ±150ppm | 2-SMD, No Lead |
| NX5032GA-10.000M-STD-CSK-3 | NDK晶振 | NX5032GA | 10MHz | ±30ppm | 2-SMD, No Lead |
| NX5032GA-30.000000MHZ-LN-CD-1 | NDK晶振 | NX5032GA | 30MHz | ±50ppm | 2-SMD, No Lead |
| NX5032GA-40.000000MHZ-LN-CD-1 | NDK晶振 | NX5032GA | 40MHz | ±50ppm | 2-SMD, No Lead |
| NX5032GA-12MHZ-STD-CSK-8 | NDK晶振 | NX5032GA | 12MHz | ±50ppm | 2-SMD, No Lead |
| NX5032GA-16.000M-STD-CSU-2 | NDK晶振 | NX5032GA | 16MHz | ±150ppm | 2-SMD, No Lead |
| NX5032GA-8.000M-STD-CSU-1 | NDK晶振 | NX5032GA | 8MHz | ±150ppm | 2-SMD, No Lead |
| NX5032GA-13.560000MHZ-LN-CD-1 | NDK晶振 | NX5032GA | 13.56MHz | ±50ppm | 2-SMD, No Lead |
| NX5032GA-11.0592M-STD-CSK-4 | NDK晶振 | NX5032GA | 11.0592MHz | ±30ppm | 2-SMD, No Lead |
| NX5032GA-30.000M-STD-CSK-4 | NDK晶振 | NX5032GA | 30MHz | ±30ppm | 2-SMD, No Lead |
| NX5032GA-24.000M-STD-CSK-4 | NDK晶振 | NX5032GA | 24MHz | ±30ppm | 2-SMD, No Lead |
| NX5032GA-40.000M-STD-CSU-2 | NDK晶振 | NX5032GA | 40MHz | ±150ppm | 2-SMD, No Lead |
| NX5032GA -13.56M-STD-CSU-2 | NDK晶振 | NX5032GA | 13.56MHz | ±150ppm | 2-SMD, No Lead |
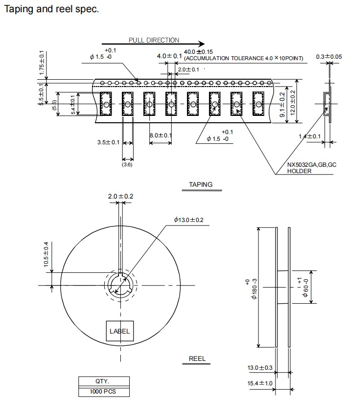
SMD,5032mm,12.288MHz,±50ppm,NX5032GA-12.288000MHZ-LN-CD-1,胶带和卷轴规格
服务热线:0755-27839045
Q Q联系:262320519
邮箱:szceob2b@163.com


