
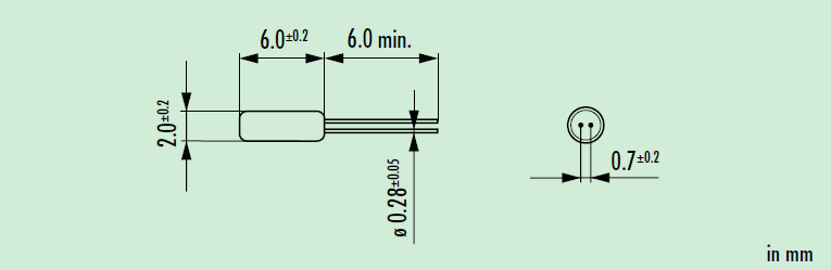
Jauch晶振,圆柱晶振,MMTF32晶振,Jauch晶振集团公司成立于1954年,现在是一家领先的压电石英晶体元器件、压电石英晶体、有源晶体频率控制产品行业的公司,最近也有创新的MEMS计时时钟.我们提供各种压电石英晶体元器件、压电石英晶体、贴片晶振、石英晶振,有源晶振,压控振荡器产品,从Jauch的产品组合.电力供应、连接器和电缆、声学组件、键盘和变压器为我们提供了在法国市场上额外的销售和增长机会.以及时的方式满足世界各地的客户需求。
|
Jauch晶振规格 |
单位 |
MMTF32晶振频率范围 |
石英晶振基本条件 |
|
标准频率 |
f_nom |
32.768KHZ |
标准频率 |
|
储存温度 |
T_stg |
-40°C ~ +90°C |
裸存 |
|
工作温度 |
T_use |
-20°C ~ +70°C -40°C ~ +85°C |
标准温度 |
|
激励功率 |
DL |
1μW Max. |
推荐:1μW ~ 100μW |
|
频率公差 |
f_— l |
±10 × 10-6 (标准), |
+25°C 对于超出标准的规格说明,请联系我们以便获取相关的信息, http://www.jingzhen95.com/ |
|
频率温度特征 |
f_tem |
-80 × 10-6/-20°C ~ +70°C |
超出标准的规格请联系我们. |
|
负载电容 |
CL |
12.5pF |
不同负载要求,请联系我们. |
|
串联电阻(ESR) |
R1 |
如下表所示 |
-40°C — +85°C, DL = 100μW |
|
频率老化 |
f_age |
±5 × 10-6 / year Max. |
+25°C,第一年 |


晶振使用注意事项
使用每种产品时,请在产品规格说明或产品目录规定使用条件下使用。 晶体产品的设计和生产满足它的规格书。通过严格的出厂前可靠性测试以提供高质量高可靠性的产品.但是为了产品的品质和可靠性,必须在适当的条件下存储,安 装,运输。请注意以下的注意事项并在最佳的条件下使用产品,我们将对于客户按自己的判断而使用产品所导致的不良不负任何责任。
抗冲击
石英晶体产品可能会在某些条件下受到损坏。例如从桌上跌落或在贴装过程中受到冲击。如果产品已受过冲击请勿使用。
辐射
暴露于辐射环境会导致产品性能受到损害,因此应避免照射。
化学制剂 / pH值环境
请勿在PH值范围可能导致腐蚀或溶解产品或包装材料的环境下使用或储藏这些产品。
粘合剂
请勿使用可能导致石英晶体谐振器所用的封装材料,终端,组件,玻璃材料以及气相沉积材料等受到腐蚀的胶粘剂。 (比如,氯基胶粘剂可能腐蚀一个晶体单元的金属“盖”,从而破坏密封质量,降低性能。)
卤化合物
请勿在卤素气体环境下使用产品。即使少量的卤素气体,比如在空气中的氯气内或封装所用金属部件内,都可能产生腐蚀。同时,请勿使用任何会释放出卤素气体的树脂。
静电
过高的静电可能会损坏SMD晶振产品,请注意抗静电条件。请为容器和封装材料选择导电材料。在处理的时候,请使用电焊枪和无高电压泄漏的测量电路,并进行接地操作。
噪音
在电源或输入端上施加执行级别(过高)的不相干(外部的)噪音,可能导致会引发功能失常或击穿的闭门或杂散现象。Jauch晶振,圆柱晶振,MMTF32晶振

Jauch晶振环保事项:
1.为环境保护和降低成本开发绿色技术.
2.为协调发展,共同参与社会的环境、健康与安全的改善活动.
3.在石英晶体谐振器,石英晶体, 石英晶振,有源晶振,压控振荡器产品的整个生命周期内确定、评价和改进重要的环境、健康和安全因素.
4.建立和维护以国际协定和国家环境、健康与安全法律法规为基础的企业内部标准.
5.为防止事故的发生和制造清洁的生产环境,开发生产过程的安全技术,明确紧急状态反应的职责.
6.自觉遵守有关环境法律、法规,培养员工的环保意识和能力,持续改进环保绩效,优先使用石英晶体谐振器,石英晶体环保型材料、设备及施工工艺,做到污染预防,最终创建具有环保、节能、适宜性特征的优质工程.
7.实施创新战略,提高自主创新能力,确保公司可持续发展.实施节约战略,提高建设节约环保型企业能力,确保实现节能环保规划目标.

服务热线:0755-27839045
Q Q联系:262320519
邮箱:szceob2b@163.com


