
Jauch晶振,TCXO晶振,JT22C晶振,Jauch石英晶振集团成立于1954年,现在是一家领先的压电石英晶体元器件、石英晶体、有源晶体频率控制产品行业的公司,最近也有创新的MEMS计时时钟.自2003年以来,Jauch Quartz France一直是Jauch集团的组成部分.快速反应时间,一个有才华员工的小而灵活的团队,以及我们强大的客户中心使我们成为典型的Jauch公司.我们提供各种压电石英晶体元器件、压电石英晶体、无源晶振、石英晶振,有源晶振,压控振荡器产品.以及时的方式满足世界各地的客户需求:MEMS振荡器在我们自己的生产设施中配置和交付,并注重及时.
|
项目 |
符号 |
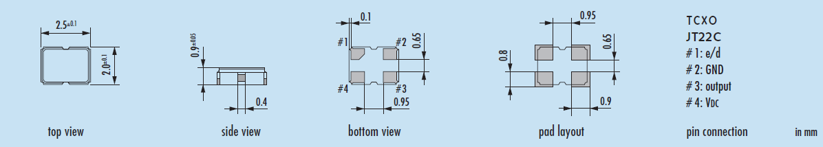
JT22C晶振规格说明 |
条件 |
|
输出频率范围 |
f0 |
4.0~54.0 MHz |
请联系我们以便获取其它可用频率的相关信息 |
|
电源电压 |
VCC |
2.5 V ~ 3.3 V |
请联系我们以了解更多相关信息 |
|
储存温度 |
T_stg |
-40℃ to +125℃ |
裸存 |
|
工作温度 |
T_use |
G: -30℃ to +75℃ |
请联系我们查看更多资料http://www.jingzhen95.com/ |
|
H: -40℃ to +85℃ |
|||
|
频率稳定度 |
f_tol |
J: ±2.5 × 10-6 |
|
|
|
|||
|
功耗 |
ICC |
4.0 mA Max. |
无负载条件、最大工作频率 |
|
待机电流 |
I_std |
10μA Max. |
ST=GND |
|
占空比 |
SYM |
45 % to 55 % |
50 % VCC 极, L_CMOS≦15 pF |
|
输出电压 |
VOH |
VCC-0.4V Min. |
|
|
VOL |
0.4 V Max. |
|
|
|
输出负载条件 |
L_CMOS |
15 pF Max. |
|
|
输入电压 |
VIH |
80% VCC Max. |
ST 终端 |
|
VIL |
20 % VCC Max. |
||
|
上升/下降时间 |
tr / tf |
4 ns Max. |
20 % VCC to 80 % VCC 极, L_CMOS=15 pF |
|
振荡启动时间 |
t_str |
10 ms Max. |
t=0 at 90 % |
|
频率老化 |
f_aging |
±1 × 10-6 / year Max. |
+25 ℃, 初年度,第一年 |


晶振使用注意事项
操作
请勿用镊子或任何坚硬的工具,夹具直接接触IC的表面。
使用环境(温度和湿度)
请在规定的温度范围内使用SMD晶振产品。这个温度涉及本体的和季节变化的温度。在高湿环境下,会由于凝露引起故障。请避免凝露的产生。
晶体单元/谐振器
激励功率
在晶体单元上施加过多驱动力,会导致石英晶体谐振器产品特性受到损害或破坏。电路设计必须能够维持适当的激励功率 (请参阅“激励功率”章节内容)。
负极电阻
除非振荡回路中分配足够多的负极电阻,否则振荡或振荡启动时间可能会增加(请参阅“关于振荡”章节内容)。
负载电容
振荡电路中负载电容的不同,可能导致振荡频率与设计频率之间产生偏差。试图通过强力调整,可能只会导致不正常的振荡。在使用之前,请指明该振动电路的负载电容(请参阅“负载电容”章节内容)。Jauch晶振,TCXO晶振,JT22C晶振

Jauch晶振环保事项:
1.为环境保护和降低成本开发绿色技术.
2.在石英晶体谐振器,石英晶体, 石英晶振,有源晶振,压控振荡器产品的整个生命周期内确定、评价和改进重要的环境、健康和安全因素
3.为协调发展,共同参与社会的环境、健康与安全的改善活动.
4.提高石英晶振,2520晶振,压控振荡器, 温补晶振,石英晶体振荡器等产品和服务的质量.
5.断提高员工的质量意识和能力,履行合约、信守承诺,坚持开拓创新,不断提升企业的施工技术素质和质量管理水平,以科学学严密的施工管理和真诚的服务让业主高度满意.
6.优先选用安全系数高的温补晶振, 石英晶体谐振器,石英晶体材料、设备及工艺,提高事故预防水平,创造良好的工作环境,保障员工的身心健康.
7.为防止事故的发生和制造清洁的生产环境,开发生产过程的安全技术,明确紧急状态反应的职责。Jauch晶振,TCXO晶振,JT22C晶振

服务热线:0755-27839045
Q Q联系:262320519
邮箱:szceob2b@163.com


