高利奇晶振,石英晶体振荡器,GTXO-566晶振,高利奇公司晶振总部位于英格兰西南部腹地的一个美丽的农场建筑,向全世界50多个国家出口,占收入的60%以上。经过多年的持续增长,高利奇公司的石英晶振现在是英国领先的频率控制产品供应商.高利奇晶振公司是全球电子工业生产频率控制产品的主要供应商.所生产的产品范围包括:石英晶体,压控晶体振荡器,实时时钟,温补晶振,压控晶振,温控晶振,水晶过滤器,(表面声波)设备等.产品广泛应用于电子工业,包括电信、卫星、微处理器、航空航天、汽车、仪表和医疗应用。

|
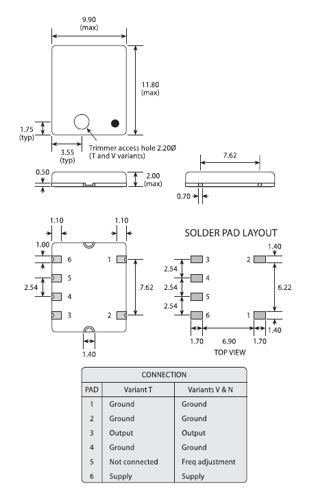
型号 |
GTXO- 566(TCXO) |
|
|
输出频率范围 |
10~40MHz |
|
|
标准频率 |
16.3676MHz/16.367667MHz/16.368MHz/16.369MHz/16.8MHz/26MHz/33.6MHz |
|
|
电源电压范围 |
+3~5V |
|
|
电源电压(Vcc) |
+3.0V (±5%) |
|
|
消耗电流 |
2.0mA max (<22.0MHz) |
|
|
待机时电流 |
- |
|
|
输出电压 |
0.8Vp-p min.(f≦52MHz)(削峰正弦波/DC-coupled) |
|
|
输出负载 |
10kΩ//10pF |
|
|
频率稳定度 |
常温偏差 |
±1.5×10-6 max.(After 2 reflows) |
|
温度特性 |
±2.5×10-6 max./-40~+85℃ |
|
|
电源电压特性 |
±0.2×10-6 max.(VCC ±5%) |
|
|
负载变化特性 |
±0.2×10-6 max.(10kΩ//10pF±10%) |
|
|
长期变化 |
±1.0×10-6 max./year |
|
|
频率控制 |
控制灵敏度 |
- |
|
频率控制极性 |
- |
|
|
启动时间 |
2.0ms max. |
|


高利奇晶振公司认真对待环境,管理环境管理系统,并将其重新编码到ISO14001.我们的环境政策,作为我们不断改进的动力的一部分,我们也鼓励员工在生活的各个方面都意识到他们对环境的影响.
作为世界领先的石英晶振,贴片晶振, 石英晶体谐振器,石英晶体供应商,高利奇晶振公司敏锐地意识到我们的责任,确保我们的产品不受有害物质和高度关注的物质的影响,而且所有的部件材料都是由无冲突地区负责的.
在我们的环境范围允许的情况下,我们致力于防止污染.最低限度我们将确保遵守所有相关的环境法规和规章和内部环境程序.在此之上,我们将不断努力改善我们的环境性能.
要毫不松懈地抓好压电石英晶体元器件、压电石英晶体、贴片晶振,温补晶振、安全环保工作,坚持把“环保优先、安全第一、质量至上、以人为本”的理念落实到生产建设全过程.高利奇晶振,石英晶体振荡器,GTXO-566晶振

服务热线:0755-27839045
Q Q联系:262320519
邮箱:szceob2b@163.com


