高利奇晶振,无源晶振,GSX-200晶振,高利奇晶振公司自1990年成立,是全球电子工业生产频率控制产品的主要供应商.所生产的产品范围包括:石英晶体,石英晶体振荡器,实时时钟,温补晶振,压控晶振,温控晶振,水晶过滤器,(表面声波)设备等.产品广泛应用于电子工业,包括电信、卫星、微处理器、航空航天、汽车、仪表和医疗应用.高利奇是英国增长最快的压电石英晶体元器件、压电石英晶体、无源晶振产品供应商.我们在竞争市场上的持续成功是对我们产品质量和卓越服务的敬意.电子和技术相关产业正在迅速发展.在技术进步和商业世界的发展中,高利奇有足够的资源和灵活性来支持客户的需求.
|
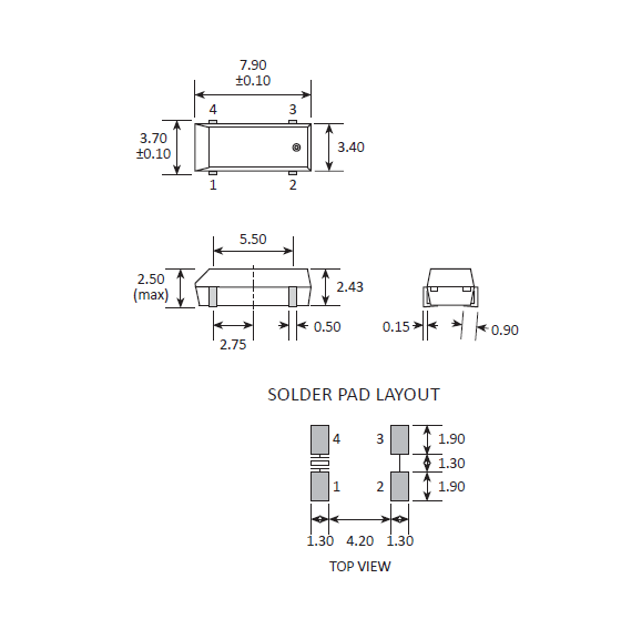
高利奇晶振规格 |
单位 |
GSX-200晶振频率范围 |
石英晶振基本条件 |
|
|
标准频率 |
f_nom |
32.768KHZ |
标准频率 |
|
|
储存温度 |
T_stg |
-55°C ~ +125°C |
裸存 |
|
|
工作温度 |
T_use |
-40°C ~ +85°C
|
标准温度 |
|
|
激励功率 |
DL |
1.0μW Max. |
推荐:1μW ~ 100μW |
|
|
频率公差 |
f_— l |
±20 × 10-6
±100 × 10-6 (±20 × 10-6 ~ ±10 × 60-6 可用) |
+25°C 对于超出标准的规格说明,请联系我们以便获取相关的信息, http://www.jingzhen95.com |
|
|
频率温度特征 |
f_tem |
±50 × 10-6/-40°C ~+85°C |
超出标准的规格请联系我们. |
|
|
负载电容 |
CL |
4pF ,6pF,7pF,9pF,12.5pF |
不同负载要求,请联系我们. |
|
|
串联电阻(ESR) |
R1 |
如下表所示 |
-40°C — +85°C, DL = 100μW |
|
|
频率老化 |
f_age |
±3 × 10-6 / year Max. |
+25°C,第一年 |
|

石英晶振各项注意事项:
1:抗冲击
抗冲击是指晶振产品可能会在某些条件下受到损坏。例如从桌上跌落,摔打,高空抛压或在贴装过程中受到冲击。如果产品已受过冲击请勿使用。因为无论何种石英晶振,其内部晶片都是石英晶振制作而成的,高空跌落摔打都会给晶振照成不良影响。
2:辐射
将贴片晶振暴露于辐射环境会导致产品性能受到损害,因此应避免阳光长时间的照射。
3:化学制剂 / pH值环境
请勿在PH值范围可能导致腐蚀或溶解石英晶振或包装材料的环境下使用或储藏这些产品。
4:粘合剂
请勿使用可能导致石英晶振所用的封装材料,终端,组件,玻璃材料以及气相沉积材料等受到腐蚀的胶粘剂。(比如,氯基胶粘剂可能腐蚀一个晶振的金属“盖”,从而破坏密封质量,降低性能。
5:卤化合物
请勿在卤素气体环境下使用晶振。即使少量的卤素气体,比如在空气中的氯气内或封装所用金属部件内,都可能产生腐蚀。同时,请勿使用任何会释放出卤素气体的树脂。
6:静电
过高的静电可能会损坏贴片晶振,请注意抗静电条件。请为容器和封装材料选择导电材料。在处理的时候,请使用电焊枪和无高电压泄漏的测量电路,并进行接地操作。高利奇晶振,无源晶振,GSX-200晶振
高利奇晶振公司通过BSI质量保证,获得了ISO 9001:2015的认证.BSI是世界领先的认证机构之一:自我们于1996年在ISO 9002 - 1994的原始认证以来,每一项评估都显示出一份清洁的健康法案,没有不一致的情况.
作为世界领先的石英晶振,贴片晶振, 石英晶体谐振器,石英晶体供应商,高利奇晶振公司敏锐地意识到我们的责任,确保我们的产品不受有害物质和高度关注的物质的影响,而且所有的部件材料都是由无冲突地区负责的.
在我们的环境范围允许的情况下,我们致力于防止污染.最低限度我们将确保遵守所有相关的环境法规和规章和内部环境程序.在选择32.768K晶振,石英振荡器原材料供应商和承包商时考虑环境因素,从而减少污染。
要毫不松懈地抓好压电石英晶体元器件、压电石英晶体、8038晶振、安全环保工作,坚持把“环保优先、安全第一、质量至上、以人为本”的理念落实到生产建设全过程.带动各项安全环保工作规范化、程序化、科学化管理,加快实现安全环保形势持续好转、根本好转的工作思路.高利奇晶振,无源晶振,GSX-200晶振

服务热线:0755-27839045
Q Q联系:262320519
邮箱:szceob2b@163.com


CTS西迪斯振荡器,长方型钟振,MXO45T-2C-27M000000,6G模块,美国进口晶振,西迪斯晶振,有源贴片晶振,时钟振荡器,有源插件振荡器,6G模块专用晶振,OSC晶振,CTS MXO45和MXO45HS是传统的通孔时钟振荡器,提供了一个低成本的设计,支持旧的HCMOS/TTL应用程序。MXO45/MXO45HS不推荐用于新的设计活动,但可用于支持为完整和半尺寸的金属DIP包开发的现有应用程序。
Oscillator Crystal产品应用领域:计算机和外设,微控制器和FPGAs,存储区域网络,宽带接入,数据通信,网络设备,以太网/千兆以太网,光纤通道,测试和测量,6G模块等领域。CTS西迪斯振荡器,长方型钟振,MXO45T-2C-27M000000,6G模块.

频率: 1~200MHz 尺寸:2.5*2.0mm,3.2*2.5mm,5.0*3.2mm,5.0*7.0mm
SiTime MEMS硅晶振,是一种采用半导体标准半导体工艺制程,将先进的MEMS微机电系统与CMOS电路技术相结合的高性能全硅时钟频率元件,彻底解决有人工大量参与生产的石英振荡器稳定性不高,频率有限,尺寸较大,品质一致性差,易停振、不起振、温漂大、备货时间长,并且受材料特性限制产能等一系列问题。