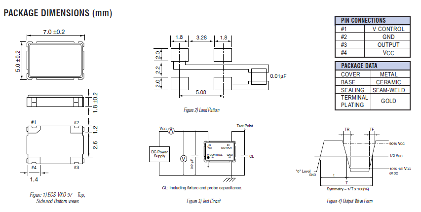
频率:8~40MHz 尺寸:5.0*7.0mm
压控晶振(VCXO)压控石英晶体振荡器基本解决方案,PECL输出,输出频率60 MHz到200 MHz之间,出色的低相位噪声和抖动,三态功能,应用:SDH/ SONET,以太网,基站,笔记本晶振应用,符合RoHS/无铅

ECS晶振,ECS-VX0-97晶振,VCXO晶振,自1980年ECS Inc.晶振集团成立以来,在国际范围内进行了近35年的业务。ECS Inc集团拥有顶尖人才和技术,以及创新的产品开发理念,使其能够解决复杂的客户问题.压控晶振,贴片晶振,有源晶振,压电水晶的批量生产在日本、中国、台湾和韩国的世界级认证的制造设施.内部检测和测试确保所有产品达到或超过ECS公司的质量保证标准.这些制造地点拥有最严格的质量管理认证,开始于ISO 9001 / 2008、同位素的ISO14001和AECQ产品的国际组织.
|
型号 |
ECS-VXO-97 (VCXO) |
|
|
输出频率范围 |
8~40MHz |
|
|
电源电压范围 |
3.3V |
|
|
电源电压(Vcc) |
+3.3V |
|
|
消耗电流 |
+25mA max |
|
|
待机时电流 |
- |
|
|
输出电压 |
0.8Vp-p min.(f≦52MHz)(削峰正弦波/DC-coupled) |
|
|
输出负载 |
10kΩ//15pF |
|
|
频 率 稳 定 度 |
常温偏差 |
±1.5×10-6 max.(After 2 reflows) |
|
温度特性 |
±1.0×10-6,±2.5×10-6 max./-30~+85℃ |
|
|
电源电压特性 |
±0.2×10-6 max.(VCC ±5%) |
|
|
负载变化特性 |
±0.2×10-6 max.(10kΩ//10pF±10%) |
|
|
长期变化 |
±5×10-6 max./year |
|
|
频 率 控 制 |
控制灵敏度 |
±3.0×10-6~±5.0×10-6/Vcont=+1.4V±1V @VCC≧+2.6V |
|
频率控制极性 |
正极性 |
|


操作
请勿用镊子或任何坚硬的工具,夹具直接接触IC的表面。
使用环境(温度和湿度)
请在规定的温度范围内使用产品。这个温度涉及本体的和季节变化的温度。在高湿环境下,会由于凝露引起故障。请避免凝露的产生。
晶体单元/谐振器
激励功率
在晶体单元上施加过多驱动力,会导致石英晶体特性受到损害或破坏。电路设计必须能够维持适当的激励功率 (请参阅“激励功率”章节内容)。
负极电阻
除非振荡回路中分配足够多的负极电阻,否则振荡或振荡启动时间可能会增加(请参阅“关于振荡”章节内容)。
负载电容
振荡电路中负载电容的不同,可能导致振荡频率与设计频率之间产生偏差。试图通过强力调整,可能只会导致不正常的振荡。在使用之前,请指明该振动电路的负载电容(请参阅“负载电容”章节内容)。
晶体振荡器和实时时钟模块
所有晶体振荡器和实时时钟模块都以IC形式提供。
噪音
在电源或输入端上施加执行级别(过高)的不相干(外部的)噪音,可能导致会引发功能失常或击穿的闭门或杂散现象。
电源线路
电源的线路阻抗应尽可能低。
耐焊性
加热包装材料至+150°C以上会破坏产品特性或损害产品。如需在+150°C以上焊接晶体产品,建议使用SMD晶振产品。在下列回流条件下,对晶体产品甚至SMD产品使用更高温度,会破坏产品特性。建议使用下列配置情况的回流条件。安装这些产品之前,应检查焊接温度和时间。同时,在安装条件更改的情况下,请再次进行检查。ECS晶振,ECS-VX0-97晶振,VCXO晶振

ECS Inc国际晶振集团环保环境与发展对策:实行可持续发展战略.
1.采取有效措施,防治工业污染.提高能源利用效率,改善能源结构.运用经济手段保护环境.大力推进科技进步,加强环境科学研究,积极发展环境保护产业.健全环境法规,强化环境管理.加强环境教育,不断提高环境意识.
2.ECS晶振集团遵守所有适用的有关环境、健康和安全的法律和法规以及公司自己的有关环境、工业卫生和安全的方针和承诺.
3.与我们的员工一起开创并保持一个免于事故的压电石英晶体元器件、晶振,压电石英晶体、石英晶体振荡器工作场所.
4.ECS Inc国际晶振集团重视污染预防,消除偏离程序的行为强调通过员工努力这一最可行的方法持续改进我们经营活动的环境绩效.
5.ECS Inc国际晶振集团将持续的环境、健康和安全方面的改进、污染预防和员工的努力纳入日常运行当中.
6.加强污染防治,减少现有的污染废弃物以及在未来晶振,石英晶振,5070晶振, 石英水晶振荡子生产制造中所产生的污染.ECS晶振,ECS-VX0-97晶振,VCXO晶振

服务热线:0755-27839045
Q Q联系:262320519
邮箱:szceob2b@163.com


