微处理器6G通讯晶振,CO6100-10.000-EXT-T,拉隆石英振荡器,欧美进口,进口晶振,Raltron拉隆晶振,型号CO6系列,编码为:CO6100-10.000-EXT-T,频率为:10.000MHz,尺寸为:20.8x13.2mm,14 PIN DIP,通孔时钟振荡器,石英晶振,有源晶振,石英晶体振荡器,无铅环保晶振,±25PPM的耐受性和稳定性,电源电压3.3V,适用于16和32位处理器的出色时钟,扩展工作温度范围:-40℃至+85℃,应用于:钟表、数码产品、车载数码、手机、对讲机、数码相机、MID平板电脑,光电技术等通讯设备及各种频率控制设备。
微处理器6G通讯晶振,CO6100-10.000-EXT-T,拉隆石英振荡器,参数图
| SERIES | CO6 | CO12 | |||||||||||||||||
| PACKAGE | 14 PIN DIP | 8 PIN DIP | |||||||||||||||||
| FREQUENCY RANGE | 500.00 KHz TO 125.00 MHz | 500.00 KHz TO 125.00 MHz | |||||||||||||||||
| FREQUENCY STABILITY† | CO6100 : ±100 PPM | CO12100 : ±100 PPM | |||||||||||||||||
| CO6050 : ±50 PPM | CO12050 : ±50 PPM | ||||||||||||||||||
| CO6025 : ±25 PPM | CO12025 : ±25 PPM | ||||||||||||||||||
| OPERATING TEMPERATURE RANGE |
0° C TO +70° C STANDARD -40° C TO 85° C EXTENDED |
0° C TO +70° C STANDARD -40° C TO 85° C EXTENDED |
|||||||||||||||||
| STORAGE TEMPERATURE RANGE | -55° C TO +125° C | -55° C TO +125° C | |||||||||||||||||
| INPUT | VOLTAGE†† | +5 VDC ±0.5 VDC | +5 VDC ±0.5 VDC | ||||||||||||||||
| CURRENT (MAX) | 500 KHz TO 19.999 MHz: 20 mA | 500 KHz TO 19.999 MHz: 20 mA | |||||||||||||||||
| 20 MHz TO 34.999 MHz: 30 mA | 20 MHz TO 34.999 MHz: 30 mA | ||||||||||||||||||
| 35 MHz TO 69.999 MHz: 40 mA | 35 MHz TO 69.999 MHz: 40 mA | ||||||||||||||||||
| 70 MHz TO 125 MHz: 60 mA | 70 MHz TO 125 MHz: 60 mA | ||||||||||||||||||
|
|
SYMMETRY |
40 TO 60% NORMAL 45 TO 55% TIGHT |
40 TO 60% NORMAL 45 TO 55% TIGHT |
||||||||||||||||
|
RISE AND FALL TIME (0.5 - 4.5 VDC) |
UNDER 24 MHz : ±10 ns MAX | UNDER 24 MHz : ±10 ns MAX | |||||||||||||||||
| 24 MHz TO 70 MHz : ±6 ns MAX | 24 MHz TO 70 MHz : ±6 ns MAX | ||||||||||||||||||
| 70 MHz TO 125 MHz : ±3 ns MAX | 70 MHz TO 125 MHz : ±3 ns MAX | ||||||||||||||||||
| LOGIC "0" LEVEL |
|
+0.5 V MAX. (10% VDD) | |||||||||||||||||
| LOGIC "1" LEVEL | +4.5 V MIN (90% VDD) | +4.5 V MIN (90% VDD) | |||||||||||||||||
| LOAD††† | 15 pF OR 10 LS TTL STANDARD | 15 pF OR 10 LS TTL STANDARD | |||||||||||||||||
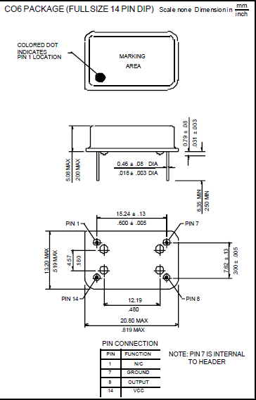
微处理器6G通讯晶振,CO6100-10.000-EXT-T,拉隆石英振荡器,尺寸图
| 元器件详情 | 频率 | 频率稳定性 | 电源电压 |
| CO4305-25.000-EXT-T-TR | 25MHz | ±50ppm | 3.3V |
| Raltron | |||
| CO4 Series 25 MHz 3.3 V ±50 ppm -40°C TO +85°C SMT CMOS Clock Oscillator | |||
| CO4305-25.000-T-TR | 25MHz | ±50ppm | 3.3V |
| Raltron | |||
| CO43 系列 25 MHz 7 x 5 mm 3.3 V ±50 ppm 表面贴装 时钟振荡器 | |||
| C01100-66.666MHZ | 66.666MHz | ||
| Raltron | |||
| CO1 Series 66.666 MHz 20.8 x 13.2 mm 5 V ±100 ppm Through Hole Clock Oscillator | |||
| C019100-20.000 | 20MHz | ±100ppm | 5V |
| Raltron | |||
| CO1 Series 20 MHz 5 V ±100 ppm -20°C TO +70°C Thru-Hole HCMOS Clock Oscillator | |||
| C04302-27.000-EXT-T | 27MHz | ±20ppm | 3.3V |
| Raltron | |||
| CO43 Series 27 MHz 7 x 5 mm 3.3 V ±20 ppm Surface Mount Clock Oscillator | |||
| CO4310-32.000-EXT-T-TR | 32MHz | ||
| Raltron | |||
| CO4 Series 32 MHz 3.3 V ±100 ppm -40°C TO +85°C SMT CMOS Clock Oscillator | |||
| CO4310-32.000-EXT-TR | 32MHz | ±100ppm | 3.3V |
| Raltron | |||
| CO43 Series 32 MHz 7 x 5 mm 3.3 V ±100 ppm Surface Mount Clock Oscillator | |||
| C04610-80.000-T-TR | 80MHz | ±100ppm | 3.3V |
| Raltron 拉隆晶振 | |||
| CO46 系列 80 MHz 7 x 5 mm 3.3 V ±100 ppm 表面贴装 时钟振荡器 | |||
| C04810-20.000MHZ-EXT-TR | 20MHz | ±100ppm | 5V |
| Raltron | |||
| CO48 Series 20 MHz 7 x 5 mm 5 V ±100 ppm Surface Mount Clock Oscillator | |||
| CLDPTSH-125.000 | 125MHz | ±50ppm | 2.5V |
| Raltron | |||
| Clock Series 125 MHz 2.5V ±50 ppm -0°C TO +70°C SMT LVDS Clock Oscillator | |||
| CO1050-29.4912 | 29.4912MHz | ±50ppm | 5V |
| Raltron | |||
| CO1 Series 29.4912 MHz 20.8 x 13.2 mm 5 V ±50 ppm Through Hole Clock Oscillator | |||
| CO1100-1.8432MHZ | 1.8432MHz | ±100ppm | 5V |
| Raltron | |||
| CO1 Series 1.8432 MHz 20.8 x 13.2 mm 5 V ±100 ppm Through Hole Clock Oscillator | |||
| CO1100-11.0592MHZ | 11.0592MHz | ±100ppm | 5V |
| Raltron | |||
| CO1 Series 4.9152 MHz 20.8 x 13.2 mm 5 V ±100 ppm Through Hole Clock Oscillator | |||
| CO1100-16.000MHZ-T | 16MHz | ±100ppm | 5V |
| Raltron | |||
| CO1 Series 16 MHz 5 V ±100 ppm -20°C TO +70°C Thru-Hole TTL Clock Oscillator | |||
| CO1100-18.432-T | 18.432MHz | ±100ppm | 5V |
| Raltron | |||
| CO1 Series 18.432 MHz 5 V ±100 ppm -20°C TO +70°C Thru-Hole TTL Clock Oscillator | |||
| CO1100-18.432-T | 18.432MHz | ±100ppm | 5V |
| Raltron | |||
| CO1 Series 18.432 MHz 5 V ±100 ppm -20°C TO +70°C Thru-Hole TTL Clock Oscillator | |||
| CO1100-39.3216-T | 39.3216MHz | ±100ppm | 5V |
| Raltron | |||
| CO1100 系列 39.3216 MHz 100 ppm 0° C至+70° C 时钟振荡器 | |||
| CO1100-4.9152MHZ | 4.9152MHz | ±100ppm | 5V |
| Raltron | |||
| CO1 Series 4.9152 MHz 20.8 x 13.2 mm 5 V ±100 ppm Through Hole Clock Oscillator | |||
| CO1100-4.9152MHZ-40 | 4.9152MHz | ±100ppm | 5V |
| Raltron | |||
| CO1 Series 4.9152 MHz 5 V ±100 ppm -20°C TO +70°C Thru-Hole TTL Clock Oscillator | |||
| CO1100-40.000MHZ | 40MHz | ±100ppm | 5V |
| Raltron | |||
| CO1 Series 40 MHz 20.8 x 13.2 mm 5 V ±100 ppm Through Hole Clock Oscillator | |||
| CO1100-7.777728MHZ-40 | 7.77773MHz | ±100ppm | 5V |
| Raltron | |||
| CO1 Series 7.7777 MHz 5 V ±100 ppm -40°C TO +85°C Thru-Hole TTL Clock Oscillator | |||
| CO1100-70.000 | 70MHz | ±100ppm | 5V |
| Raltron 有源晶振 | |||
| CO1 Series 70 MHz 20.8 x 13.2 mm 5 V ±100 ppm Through Hole Clock Oscillator | |||
| CO12050-20.000-EXT | 20MHz | ±50ppm | 5V |
| Raltron | |||
| CO1 Series 20.00 MHz 5 V ±50 ppm -40°C TO +85°C Thru-Hole HCMOS Clock Oscillator | |||
| CO12050-20.000-EXT | 20MHz | ±50ppm | 5V |
| Raltron | |||
| CO1 Series 20.00 MHz 5 V ±50 ppm -40°C TO +85°C Thru-Hole HCMOS Clock Oscillator | |||
| CO12100-14.31818MHZ | 14.3182MHz | ±100ppm | 5V |
| Raltron | |||
| CO12 Series 14.31818 MHz 13.21x13.21mm 5 V ±100ppm Through Hole Clock Oscillator | |||
| CO12100-48.000 | 48MHz | ±100ppm | 5V |
| Raltron | |||
| CO1 Series 48.0 MHz 5 V ±100 ppm -20°C TO +70°C Thru-Hole HCMOS Clock Oscillator | |||
| CO13100-32.000-EXT | 32MHz | ±100ppm | 5V |
| Raltron | |||
| CO13 系列 32 MHz 13.21 x 13.21 mm 5 V ±100 ppm 通孔 时钟振荡器 | |||
| CO19050-40.000-T | 40MHz | ±100ppm | 5V |
| Raltron | |||
| CO1 Series 40 MHz 5 V ±100 ppm -20°C TO +70°C Thru-Hole HCMOS Clock Oscillator | |||
| CO2016-20.000-3.3-50-T-TR | 20MHz | ±50ppm | 3.3V |
| Raltron | |||
| CO2016 系列 2 x 1.6 mm 20 MHz 3.3 V ±50 ppm 表面贴装 时钟振荡器 | |||
| CO2016-25.000-3.3-50-T-TR | 25MHz | ±50ppm | 3.3V |
| Raltron | |||
| CO2016 系列 2 x 1.6 mm 25 MHz 3.3 V ±50 ppm 表面贴装 时钟振荡器 | |||
| CO2016-50.000-3.3-50-T-TR | 50MHz | ±50ppm | 3.3V |
| Raltron | |||
| CO2016 系列 2 x 1.6 mm 50 MHz 3.3 V ±50 ppm 表面贴装 时钟振荡器 | |||
| CO4302-25.000-EXT-T-T | 25MHz | ±20ppm | 3.3V |
| Raltron | |||
| CO4 Series 25 MHz 3.3 V ±20 ppm -40°C TO +85°C SMT CMOS Clock Oscillator | |||
| CO4302-40.000-T-EXT-TR | 40MHz | ±20ppm | 3.3V |
| Raltron | |||
| CO43 系列 40 MHz ±20 ppm -40 至 +85°C 严格对称 标准贴装 时钟 振荡器 | |||
| CO43025-11.184-TR | 11.184MHz | ±25ppm | 3.3V |
| Raltron | |||
| CO43025 系列 11.184 MHz 薄型 5 X 7 mm 3.3 V 25 PPM 表面贴装 振荡器 | |||
| CO43025-12.960-TR | 12.96MHz | ±25ppm | 3.3V |
| Raltron | |||
| CO43025 系列 12.960 MHz 薄型 5 X 7 mm 3.3 V 25 PPM 表面贴装 振荡器 | |||
| CO43025-14.31818-T | 14.3182MHz | ±25ppm | 3.3V |
| Raltron | |||
| CO43025 系列 14.31818 MHz 薄型 5 X 7 mm 3.3 V 25 PPM 表面贴装 振荡器 | |||
| CO43025-14.31818-T-TR | 14.3182MHz | ±25ppm | 3.3V |
服务热线:0755-27839045
Q Q联系:262320519
邮箱:szceob2b@163.com


