爱普生晶振,圆柱晶振,CA-301晶振,"CA-301 6.0000M-C:PBFREE",爱普生晶振公司加强人力资源的全功能,技术,生产,销售和支持和环境问题,利用信息技术,推进我们的原始制造模式寻求实现我们的愿景。日本精工爱普生晶振接受了中国苏州政府2007 年的招商引资,命名为【爱普生拓优科梦水晶元器件(苏州)有限公司】 爱普生拓优科梦(Epson Toyocom)是精工爱普生(精工爱普生晶振)株式会社与爱普生晶振(中国)有限公司共同投资成立的有限责任公司(外商合资)。
爱普生晶振公司已经建立了一个原始的垂直整合制造模型的最佳手段持续为客户创造新的价值,并决定使用这个模型来驱动前面提到的四个关键领域的创新.这意味着从头开始创建产品:创建我们自己的独特的核心技术和设备,使用这些作为基地的规划和设计提供独特价值的产品,生产或制造的艺术和科学,我们积累了多年的专业知识,然后生产晶振,石英晶振,有源晶振,压控振荡器, 32.768K钟表晶振,温补晶振等出售给我们的客户.
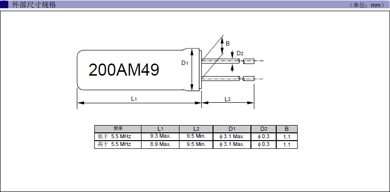
爱普生晶振规格
单位
CA-301晶振频率范围
石英晶振基本条件
标准频率
f_nom
4.00MHZ~64.0MHZ
标准频率
储存温度
T_stg
-40°C ~ +85°C
裸存
工作温度
T_use
-20°C ~ +70°C
标准温度
激励功率
DL
10~100μW
推荐:1μW ~ 100μW
频率公差
f_— l
±30 × 10-6 (标准),
(±15 × 10-6 ~ ±50 × 10-6 可用)
+25°C 对于超出标准的规格说明,
请联系我们以便获取相关的信息,http://www.jingzhen95.com/
频率温度特征
f_tem
低于 5.5 MHz:±50 × 10-6
超出 5.5 MHz:±30 × 10-6
超出标准的规格请联系我们.
负载电容
CL
10PF~∞
超出标准说明,请联系我们.
串联电阻(ESR)
R1
-40°C — +85°C, DL = 100μW
频率老化
f_age
±5 × 10-6 / year Max.
+25°C,第一年
如下表所示
所有产品的共同点
1:抗冲击
抗冲击是指晶振产品可能会在某些条件下受到损坏。例如从桌上跌落,摔打,高空抛压或在贴装过程中受到冲击。如果产品已受过冲击请勿使用。因为无论何种石英晶振,其内部晶片都是石英晶振制作而成的,高空跌落摔打都会给晶振照成不良影响。
2:辐射
将贴片晶振暴露于辐射环境会导致产品性能受到损害,因此应避免阳光长时间的照射。
3:化学制剂 / pH值环境
请勿在PH值范围可能导致腐蚀或溶解石英晶振或包装材料的环境下使用或储藏这些产品。
4:粘合剂
请勿使用可能导致石英晶振所用的封装材料,终端,组件,玻璃材料以及气相沉积材料等受到腐蚀的胶粘剂。(比如,氯基胶粘剂可能腐蚀一个晶振的金属“盖”,从而破坏密封质量,降低性能。)
5:卤化合物
请勿在卤素气体环境下使用晶振。即使少量的卤素气体,比如在空气中的氯气内或封装所用金属部件内,都可能产生腐蚀。同时,请勿使用任何会释放出卤素气体的树脂。
6:静电
过高的静电可能会损坏贴片晶振,请注意抗静电条件。请为容器和封装材料选择导电材料。在处理的时候,请使用电焊枪和无高电压泄漏的测量电路,并进行接地操作。爱普生晶振,圆柱晶振,CA-301晶振,"CA-301 6.0000M-C:PBFREE"
爱普生株式会社圆柱晶振不仅遵守与环保相关的法规、条例及其他本公司赞同的要求事项,也根据需要自主性的制定基准,通过持续性的展开环保活动来预防污染。在设定环保目的与目标展开活动的同时,定期重审环境管理体系,努力提高环保活动的水平。
爱普生贴片晶振集团将建立可行的技术及经济性环境目标,并确保其环境保护活动的质量。将环保活动的信息向公司内外公开,积极努力的与地区社会及相关人员建立信赖关系,为社会的发展做出贡献。
爱普生株式会社无源晶振通过与地区的交流及社会贡献活动,为地区的环保做贡献。通过此方针的公文化,在向公司员工及从事本事业领域业务的所有相关人员彻底传达的同时,也向公司外部公开。爱普生晶振集团将建立可行的技术及经济性环境目标,并确保其环境保护活动的质量。
爱普生晶振集团公司将关注所有环境适用的法律、法规和协议的遵守情况。另外为更有效的进行环境保护,将建立自己的特有的环境标准。爱普生晶振,圆柱晶振,CA-301晶振,"CA-301 6.0000M-C:PBFREE"
服务热线:0755-27839045
Q Q联系:262320519
邮箱:szceob2b@163.com


