CTS晶振,进口石英晶振,ATS-SM晶振,CTS晶振公司成立于1896年,CTS晶振公司(NYSE:CTS)是一个领先的设计师和制造商的传感器、执行器和电子组件.石英晶振在航空航天、通讯、国防、工业、信息技术、医疗和交通运输市场。CTS晶振公司在北美、亚洲和欧洲拥有12个生产基地,致力于为全球各地的工业伙伴提供先进的技术、卓越的客户服务和优越的价值.
为什么我们会成功?我们的产品晶振,石英晶体振荡器等设计精良、可靠,并始终如一地兑现承诺。我们认识到,在过去的一百多年里,人们一直在推动我们成为一个充满活力和蓬勃发展的公司。我们的员工塑造了我们产品的多样化,这是我们成功和追求卓越的基石。
|
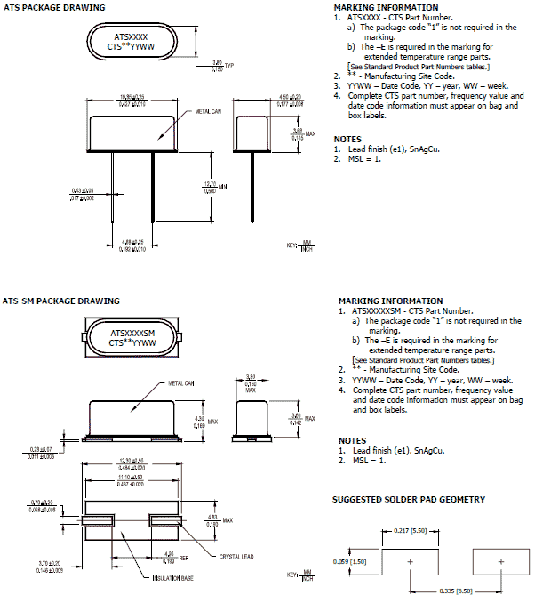
CTS晶振规格 |
单位 |
ATS晶振频率范围 |
石英晶振基本条件 |
|
标准频率 |
f_nom |
3.2MHZ~64.0MHZ |
标准频率 |
|
储存温度 |
T_stg |
-40°C ~ +125°C |
裸存 |
|
工作温度 |
T_use |
-40°C ~ +85°C |
标准温度 |
|
激励功率 |
DL |
100μW |
推荐:1μW ~ 100μW |
|
频率公差 |
f_— l |
±30 × 10-6 (标准), |
+25°C 对于超出标准的规格说明, |
|
频率温度特征 |
f_tem |
±30 × 10-6/-20°C ~ +70°C |
超出标准的规格请联系我们. |
|
负载电容 |
CL |
7pF |
不同负载电容要求,请联系我们. |
|
串联电阻(ESR) |
R1 |
如下表所示 |
-40°C — +85°C, DL = 100μW |
|
频率老化 |
f_age |
±5 × 10-6 / year Max. |
+25°C,第一年 |




CTS晶振公司集团作为“地球内企业”,在保护地球环境方面发挥着领导作用。我们尊重历史、文化和传统的多样性,并致力于“CSR经营”和“环境经营”。为取得社会的信任,为推动环境负荷最小化,CTS晶振集团还开展了各种各样的活动。
CTS晶振集团在“制造、使用、有效利用、再利用”这样一个无源晶振生命周期中,努力创造丰富的价值,给社会带来温馨和安宁,感动和惊喜,同时为减少环境影响,努力做好“防止地球变暖、有效利用资源、对化学物质进行管理”,实现与地球的和谐相处。
CTS晶振集团运用ISO14001环境管理系统进行环境管理,尽最大可能减小业务活动对环境造成的负担,并通过业务发展推进环境改善。
CTS晶振遵守所有适用的有关环境、健康和安全的法律和法规以及CTS晶振集团自己的有关环境、工业卫生和安全的方针和承诺。
与我们的员工一起开创并保持一个免于事故的工作场所。重视污染预防,消除偏离程序的行为强调通过员工努力这一最可行的方法持续改进我们经营活动的环境绩效CTS晶振集团为确保安全、提高保护预防措施、石英晶体谐振器的可靠性以及职业安全,确保职业健康与环境的优越性,通过正式的管理评审和对健康、安全和环境实施效果的持续改进,保护人群及财产与环境。CTS晶振,进口石英晶振,ATS晶振

服务热线:0755-27839045
Q Q联系:262320519
邮箱:szceob2b@163.com


