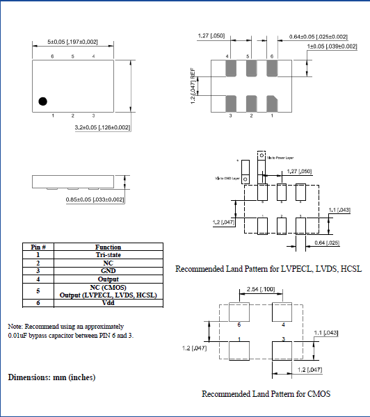
频率:2.3~460MHz 尺寸:5.0*3.2mm
有源晶振,是只晶体本身起振需要外部电压供应,起振后可直接驱动CMOS 集成电路,产品本身已实现与薄型IC(TSSOP封装,TVSOP封装)同样的1mm厚度,断开时的消费电流是15 µA以下,编带包装方式可对应自动搭载及IR回流焊接(无铅对应)

Abracon晶振,ASFLMP晶振,ASFLMPLV-100.000MHZ-LR-T晶振,MEMS振荡器,Abracon成立于1992年,总部设在德克萨斯州的Spicewood,是全球领先的无源和机电定时,同步,电源,连接和RF解决方案的全球制造商。Abracon提供多种石英定时晶体和振荡器,MEMS振荡器,实时时钟(RTC),蓝牙模块,陶瓷谐振器,SAW滤波器和谐振器,电源和RF电感器,变压器,电路保护组件和RF天线和无线充电线圈。

|
项目 |
符号 |
ASFLMP晶振规格说明 |
条件 |
|
输出频率范围 |
f0 |
2.3MHz to 460MHz |
请联系我们以便获取其它可用频率的相关信息 |
|
电源电压 |
VCC |
2.25V to 3.6 V |
请联系我们以了解更多相关信息 |
|
储存温度 |
T_stg |
-55℃ to +150℃ |
裸存 |
|
工作温度 |
T_use |
-20℃ to +70℃ |
请联系我们查看更多资料http://www.jingzhen95.com/ |
|
|
|||
|
频率稳定度 |
f_tol |
±50 × 10-6 |
|
|
|
|||
|
功耗 |
ICC |
22 mA Max. |
无负载条件、最大工作频率 |
|
待机电流 |
I_std |
1μA Max. |
ST=GND |
|
占空比 |
SYM |
45 % to 55 % |
50 % VCC 极, L_CMOS≦15 pF |
|
输出电压 |
VOH |
VCC-0.4V Min. |
|
|
VOL |
0.4 V Max. |
|
|
|
输出负载条件 |
L_CMOS |
15 pF Max. |
|
|
输入电压 |
VIH |
80% VCC Max. |
ST 终端 |
|
VIL |
20 % VCC Max. |
||
|
上升/下降时间 |
tr / tf |
100 ns Max. |
20 % VCC to 80 % VCC 极, L_CMOS=15 pF |
|
振荡启动时间 |
t_str |
3 ms Max. |
t=0 at 90 % |
|
频率老化 |
f_aging |
±5 × 10-6 / year Max. |
+25 ℃, 初年度,第一年 |


所有产品的共同点
请勿用镊子或任何坚硬的工具,夹具直接接触IC的表面。
使用环境(温度和湿度)
请在规定的温度范围内使用耐高温晶振。这个温度涉及本体的和季节变化的温度。在高湿环境下,会由于凝露引起故障。请避免凝露的产生。
激励功率
在晶体单元上施加过多驱动力,会导致晶振特性受到损害或破坏。电路设计必须能够维持适当的激励功率 (请参阅“激励功率”章节内容)。
负极电阻
除非振荡回路中分配足够多的负极电阻,否则振荡或振荡启动时间可能会增加(请参阅“关于振荡”章节内容)。
负载电容
振荡电路中负载电容的不同,可能欧美进口晶振导致振荡频率与设计频率之间产生偏差。试图通过强力调整,可能只会导致不正常的振荡。在使用之前,请指明该振动电路的负载电容(请参阅“负载电容”章节内容)。

Abracon晶振集团环保方针
Abracon晶振集团环保环境与发展对策:实行可持续发展战略.采取有效措施,防治工业污染.提高能源利用效率,改善能源结构.运用经济手段保护环境.大力推进科技进步,加强环境科学研究,积极发展环境保护产业.健全环境法规,强化环境管理.加强环境教育,不断提高环境意识.
无论Abracon llc晶振集团在世界何处,其经营都应保证生产过程和产品符合同等的环境标准,确保业务合作伙伴对环境问题同等关注.从事并参与环境领域的研究和开发活动,以公开和客观的方式提供有关其环境影响的信息.
Abracon晶振公司的目标是保证石英晶振,贴片晶振,石英晶体振荡器,有源晶振产品继续满足客户要求的同时对环境的影响降到最小,在生产过程中不断节约能源和资源,努力实现环境管理体系与环境行为持续改进.
带动各项安全环保工作规范化、程序化、科学化管理,加快实现安全环保形势持续好转、根本好转的工作思路.
Abracon llc晶振进一步解放思想,学习先进,总结实践,针对新形势、新情况,抓好理念创新,促进5032晶振,有源晶振, 32.768K钟表晶振,温补晶振安全环保工作更加科学、更加有效.
Abracon llc晶振坚持运用,不断完善,持续改进,更要针对新情况、新问题,不断学习先进,总结经验,结合实际,及时改进旧方法,勇于摈弃落后方法.要积极开展安全经验分享活动,让每一个单位、每一个人的经验和教训变成大家的经验,成为企业的财富.Abracon晶振,ASFLMP晶振,ASFLMPLV-100.000MHZ-LR-T晶振,MEMS振荡器

服务热线:0755-27839045
Q Q联系:262320519
邮箱:szceob2b@163.com


Skyworks物联网差分晶振,Si595低电压晶振,595NG250M000DG,尺寸7.0*5.0mm,频率360MHZ,输出逻辑LVDS,电压3.3V,频率稳定性50ppm,欧美进口晶振,思佳讯差分振荡器,Skyworks有源晶振,LVDS差分输出晶振,6脚贴片晶振,差分晶体振荡器,差分贴片晶振,石英差分振荡器,有源差分晶振,有源差分振荡器,高频差分振荡器,高品质差分晶振,低抖动差分晶振,低功耗差分晶振,低电压差分晶振,低相噪差分晶振,低损耗差分晶振,低相位差分晶振,物联网差分晶振,北斗模块差分晶振,智能家居差分晶振,小型设备差分晶振,航空电子差分晶振,交换机差分晶振,无线路由器差分晶振,智能体温计差分晶振,具有高品质低抖动的特点。有源晶振产品很适合用于物联网,北斗模块,智能家居,小型设备,航空电子,交换机,无线路由器,智能体温计等领域.Skyworks物联网差分晶振,Si595低电压晶振,595NG250M000DG.

Skyworks投影仪晶振,Si570有源振荡器,570ABB000126DGR,尺寸7.0*5.0mm,频率200MHZ,输出逻辑LVPECL,电压3.3V,频率稳定性20ppm,Skyworks差分晶振,欧美进口晶振,思佳讯差分晶振,石英差分振荡器,八脚差分晶振,7050mm差分晶振,有源差分晶振,LVPECL差分晶振,LV-PECL输出晶振,贴片差分晶振,差分晶体振荡器,高频差分振荡器,高性能差分晶振,低抖动差分晶振,低电压差分晶振,低损耗差分晶振,低相位差分晶振,低相噪差分晶振,投影仪差分晶振,光学模块差分晶振,北斗定位差分晶振,仪器仪表差分晶振,罗拉模块差分晶振,路由器差分晶振,室外基站差分晶振,北斗导航差分晶振,具有高性能低抖动的特点。
OSC晶振产品非常适合用于投影仪,光学模块,北斗定位,仪器仪表,罗拉模块,路由器,室外基站,北斗导航等领域.Skyworks投影仪晶振,Si570有源振荡器,570ABB000126DGR.