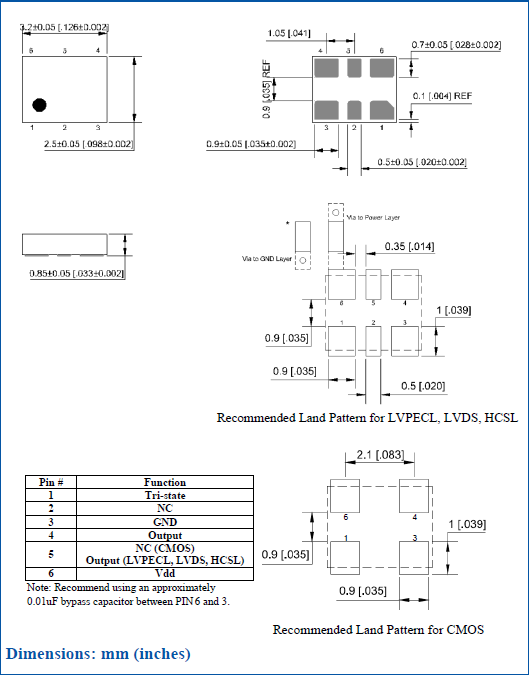
频率:2.3~460MHz 尺寸:3.2*2.5mm
有源晶振,是只晶体本身起振需要外部电压供应,起振后可直接驱动CMOS 集成电路,产品本身已实现与薄型IC(TSSOP封装,TVSOP封装)同样的1mm厚度,断开时的消费电流是15 μA以下,编带包装方式可对应自动搭载及IR回流焊接(无铅对应)产品有几种电压供选1.8V,2.5V,3V3.3V,5V,以应对不同IC产品需要..

Abracon晶振,ASEMP晶振,贴片MEMS振荡器,2013年11月,Abracon llc晶振集团在德克萨斯州奥斯汀建立了一个新的中西部订单执行中心.这种扩张是必要的,因为Abracon晶振的快速增长和更好的服务于我们的东海岸和欧洲的客户.Abracon提供多种石英定时晶体和振荡器,MEMS振荡器,实时时钟(RTC),蓝牙模块,陶瓷谐振器,SAW滤波器和谐振器,电源和RF电感器,变压器,电路保护组件和RF天线和无线充电线圈。

|
项目 |
符号 |
ASEMP晶振规格说明 |
条件 |
|
输出频率范围 |
f0 |
2.3MHz to 460MHz |
请联系我们以便获取其它可用频率的相关信息 |
|
电源电压 |
VCC |
2.25 V to 3.6 V |
请联系我们以了解更多相关信息 |
|
储存温度 |
T_stg |
-55℃ to +150℃ |
裸存 |
|
工作温度 |
T_use |
-20℃ to +70℃ |
请联系我们查看更多资料http://www.jingzhen95.com/ |
|
|
|||
|
频率稳定度 |
f_tol |
J: ±50 × 10-6 |
|
|
|
|||
|
功耗 |
ICC |
20 mA Max. |
无负载条件、最大工作频率 |
|
待机电流 |
I_std |
1μA Max. |
ST=GND |
|
占空比 |
SYM |
45 % to 55 % |
50 % VCC 极, L_CMOS≦15 pF |
|
输出电压 |
VOH |
VCC-0.4V Min. |
|
|
VOL |
0.4 V Max. |
|
|
|
输出负载条件 |
L_CMOS |
15 pF Max. |
|
|
输入电压 |
VIH |
80% VCC Max. |
ST 终端 |
|
VIL |
20 % VCC Max. |
||
|
上升/下降时间 |
tr / tf |
20 ns Max. |
20 % VCC to 80 % VCC 极, L_CMOS=15 pF |
|
振荡启动时间 |
t_str |
5 ms Max. |
t=0 at 90 % |
|
频率老化 |
f_aging |
±5 × 10-6 / year Max. |
+25 ℃, 初年度,第一年 |


PCB设计指导
(1)理想情况下,机械蜂鸣器应安装在一个独立于晶体器件的PCB板上。如果您安装在同一个PCB板上,最好使用余量或切割PCB。当应用于PCB板本身或PCB板体内部时,机械振动程度有所不同。建议遵照内部板体特性。
(2)在设计时请参考相应的推荐封装。
(3)在使用焊料助焊剂时,按JIS标准(JIS C 60068-2-20/IEC 60,068-2-20).来使用。
(4)请按JIS标准(JIS Z 3282, Pb 含量 1000ppm, 0.1wt% 或更少)来使用无铅焊料。
存储事项
(1)在更高或更低温度或高湿度环境下长时间保存晶振时,会影响频率稳定性或焊接性。请在正常温度和湿度环境下保存这些石英晶振产品,并在开封后尽可能进行安装,以免长期储藏。
正常温度和湿度:
温度:+15°C 至 +35°C,湿度 25 % RH 至 85 % RH(请参阅“测试点JIS C 60068-1 / IEC 60068-1的标准条件”章节内容)。
(2)请仔细处理内外盒与卷带.外部压力会导致卷带受到损坏。

Abracon晶振集团环保方针
Abracon晶振集团环保环境与发展对策:实行可持续发展战略.采取有效措施,防治工业污染.提高能源利用效率,改善能源结构.运用经济手段保护环境.大力推进科技进步,加强环境科学研究,积极发展环境保护产业.健全环境法规,强化环境管理.加强环境教育,不断提高环境意识.
无论Abracon llc晶振集团在世界何处,其经营都应保证生产过程和产品符合同等的环境标准,确保业务合作伙伴对环境问题同等关注.从事并参与环境领域的研究和开发活动,以公开和客观的方式提供有关其环境影响的信息.
Abracon llc晶振减少污染物排放,对不可再生的资源进行有效利用.减少废物的产生,对其排放的责任进行有效管理,有效地使用能源.通过设计工艺程序对员工进行培训保护环境以及人们的健康和安全.提供安全使用和废置我们的3225晶振的信息,对环境有重大健康安全和环境的运营现状进行纠正.
Abracon晶振承诺保护环境,重视员工、客户和公众的健康和安全.我们从事任何活动,都要以注重安全和环保方式,并考虑到生态系统的复杂性和相关性.
建立目标指标、监测程序,利用最好的管理手段,应用节约成本的技术,持续改进我们的环境表现.我们承诺采取积极的、预防性的战略管理来对自然环境和地方社区的影响最小化.

服务热线:0755-27839045
Q Q联系:262320519
邮箱:szceob2b@163.com


