低功耗6G通讯晶振,ACHL-14.31818MHz-LK-30G3,艾博康HCMOS振荡器,美国进口晶振,Abracon艾博康晶振,型号ACHL系列,编码为:ACHL-14.31818MHz-LK-30G3,频率为:14.31818MHz,紧凑的占地面积小体积尺寸:13.2 x 13.2 x 5.5mm,石英晶振,石英晶体振荡器,有源晶振,工作温度范围:0至+70℃,半尺寸下降低电压3.3V,HCMOS/TTL兼容的晶体时钟振荡器,三态启用/禁用选项,低电源电压3.3V,HCMOS和TTL兼容,紧密对称选项50% +/-5%,应用于:用于数字芯片和微处理器的时钟信号源,低功耗应用。
低功耗6G通讯晶振,ACHL-14.31818MHz-LK-30G3,艾博康HCMOS振荡器,参数图
Parameters
Minimum
Typical
Maximum
Units
Notes
Frequency Range
0
14.31818
MHz
Operating Temperature
0
-----
70
°C
See options
Storage Temperature
-55
-----
125
°C
Overall Frequency Stability
-100
-----
100
ppm
See options
Supply Voltage (Vdd)
2.97
3.3
3.63
V
Input Current
0.400MHz ~ 24.999MHz
-----
-----
20
mA
25.000MHz ~ 99.999MHz
-----
-----
40
100.000MHz ~ 16000MHz
-----
-----
80
Symmetry (@ 1/2Vdd)
40
50
60
%
See options
Rise and Fall Time (Tr/Tf)
0.400MHz ~ 24.999MHz
-----
-----
10
25.000MHz ~ 99.999MHz
-----
-----
5
ns
100.000MHz ~ 16000MHz
-----
-----
4
Output Load
-----
-----
15
pF
See options
-----
-----
5
TTL
Output Voltage
VOH
0.9*Vdd
-----
-----
V
VOL
-----
-----
0. 1*Vdd
V
VIH
2.2
-----
-----
V
"1" or Open:
Tri-state Function
Oscillation
VIL
-----
-----
0.8
V
"0": Output disable
(Hi Z)
Output Enable time
-----
-----
4
ms
For option A only
Output Disable time
-----
-----
100
ns
For option A only
Start-up Time
-----
1
10
ms
Phase Jitter RMS ( 12~20MHz)
-----
-----
1
ps
Reference only.
Please contact Abracon for specific frequencies
Aging
-5
-----
5
ppm
@+25°C First year
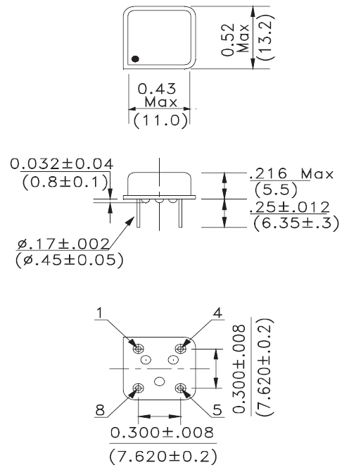
低功耗6G通讯晶振,ACHL-14.31818MHz-LK-30G3,艾博康HCMOS振荡器,尺寸图
低功耗6G通讯晶振,ACHL-14.31818MHz-LK-30G3,艾博康HCMOS振荡器
特征:
功能:
三态启用/禁用选项
低电源电压3.3V
HCMOS和TTL兼容
紧密对称选项50%+/-5%
应用程序:
数字芯片和微处理器的时钟信号源低功耗应用
原厂编码
晶振厂家
系列
类型
频率
电压
工作温度
ACHL-50.000MHZ-EK
Abracon晶振
ACHL
XO (Standard)
50MHz
3.3V
-20°C ~ 70°C
ACHL-40.000MHZ-EK
Abracon晶振
ACHL
XO (Standard)
40MHz
3.3V
-20°C ~ 70°C
ACHL-66.000MHZ-EK
Abracon晶振
ACHL
XO (Standard)
66MHz
3.3V
-20°C ~ 70°C
ACHL-8.000MHZ-EK
Abracon晶振
ACHL
XO (Standard)
8MHz
3.3V
-20°C ~ 70°C
ACHL-25.000MHZ-EK
Abracon晶振
ACHL
XO (Standard)
25MHz
3.3V
-20°C ~ 70°C
ACHL-16.000MHZ-EK
Abracon晶振
ACHL
XO (Standard)
16MHz
3.3V
-20°C ~ 70°C
ACHL-20.000MHZ-EK
Abracon晶振
ACHL
XO (Standard)
20MHz
3.3V
-20°C ~ 70°C
ACHL-10.000MHZ-EK
Abracon晶振
ACHL
XO (Standard)
10MHz
3.3V
-20°C ~ 70°C
ACHL-12.000MHZ-EK
Abracon晶振
ACHL
XO (Standard)
12MHz
3.3V
-20°C ~ 70°C
ACHL-32.000MHZ-EK
Abracon晶振
ACHL
石英晶体振荡器
32MHz
3.3V
-20°C ~ 70°C
ACHL-11.0592MHZ-EK
Abracon晶振
ACHL
XO (Standard)
11.0592MHz
3.3V
-20°C ~ 70°C
ACHL-32.768MHZ-EK
Abracon晶振
ACHL
XO (Standard)
32.768MHz
3.3V
-20°C ~ 70°C
ACHL-4.000MHZ-EK
Abracon晶振
ACHL
XO (Standard)
4MHz
3.3V
-20°C ~ 70°C
ACHL-27.000MHZ-EK
Abracon晶振
ACHL
XO (Standard)
27MHz
3.3V
-20°C ~ 70°C
ACHL-14.31818MHZ-EK
Abracon晶振
ACHL
XO (Standard)
14.31818MHz
3.3V
-20°C ~ 70°C
ACHL-18.432MHZ-EK
Abracon晶振
ACHL
XO (Standard)
18.432MHz
3.3V
-20°C ~ 70°C
ACHL-24.576MHZ-EK
Abracon晶振
ACHL
XO (Standard)
24.576MHz
3.3V
-20°C ~ 70°C
ACHL-3.6864MHZ-EK
Abracon晶振
ACHL
XO (Standard)
3.6864MHz
3.3V
-20°C ~ 70°C
ACHL-48.000MHZ-EK
Abracon晶振
ACHL
XO (Standard)
48MHz
3.3V
-20°C ~ 70°C
服务热线:0755-27839045
Q Q联系:262320519
邮箱:szceob2b@163.com


