TC31-5AV20.000MHz,TC31-5,20MHz,PDI低抖动晶振,移动通信晶振,美国进口晶振,PDI晶振,型号:TC31-5系列,编码为:TC31-5AV20.000MHz,频率范围:20.000MHz,尺寸:11.4x11.4mm,四脚贴片晶振,TCXO温补晶体振荡器,有源晶振,石英晶体振荡器,石英晶振,温度补偿晶体振荡器(TCXO),TC31-5系列提供了一系列紧凑的温度补偿晶体振荡器,工作在+5.0V供应,可与HCMOS或截止的正弦波输出。可选的电压控制功能和小尺寸使这一系列的TCXO是现有和未来应用的理想选择,其中可靠性、成本和性能是关键因素。贴片晶振,具有低抖动,低功耗,低相位噪声,低电平,低电源电压等特点。应用于:移动通讯设备,电信晶振,基站晶振,便捷式设备,测试系统晶振,GPS全球定位系列,仪器设备晶振等。
TC31-5AV20.000MHz,TC31-5,20MHz,PDI低抖动晶振,移动通信晶振,参数表
PARAMETER
MINIMUM
MAXIMUM
UNITS
NOMINAL FREQUENCY (Fo)
10
45
MHz
CALIBRATION TOLERANCE
- 1.0
+1.0
ppm
FREQUENCY STABILITY
Over Temperature Range (See Note 2)
Ageing (per year at +25℃)
Over Supply Voltage Variation (Vcc = +5.0V ±5.0%)
-2.5
- 1.0
-0.3
+2.5
+1.0
+0.3
ppm
OPERATING TEMPERATURE RANGE (See Note 2)
-20
+70
℃
STORAGE TEMPERATURE RANGE
-40
+85
℃
SUPPLY VOLTAGE (Vcc) (See Note 2)
+4.75
+5.25
V
SUPPLY CURRENT (Dependant upon nominal frequency)
2.0
15.0
mA
OUTPUT WAVEFORM HCMOS/TTL (Order code TC31-5A)
Logic Levels
Duty Cycle (@ Vcc/2)
Fall and rise times
0.1Vcc
40
3
0.9Vcc
60
10
V
%
ns
OUTPUT WAVEFORM Clipped sinewave (Order code TC31-5B)
Peak to Peak amplitude
1.0
V
FREQUENCY ADJUSTMENT (Internal trimmer)
±3
ppm
VOLTAGE CONTROL +2.5V ±2.0V (Add suffix V to order code)
±5
ppm

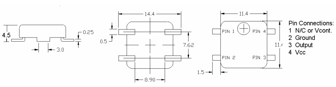
TC31-5AV20.000MHz,TC31-5,20MHz,PDI低抖动晶振,移动通信晶振
产品特点:
表面安装温补晶振
小尺寸
可选输出和调整方法。
工作频率范围广
应用程序:电信,便携式仪器,移动通信,全球定位系统(GPS)
注:
1)订购时,说明零件号、选项和标称频率,如TC31-5AV 20.000MHz
2)其他温度范围、稳定性和电源电压
3)可根据要求提供的其他规格书。
服务热线:0755-27839045
Q Q联系:262320519
邮箱:szceob2b@163.com


