Parameter
Symbol
Specifications
Remarks
Frequency range
FN
8.0 and 12.0 ~ 120.0MHz
Fundamental up to 60MHz
Overtone above 54MHz
Cut and operation mode
—
AT-Cut / FUND or 3rd OT
Frequency tolerance
Δf/f
±10ppm, ±20ppm, ±30ppm, ±50ppm
Other options available
Stability over operating temp.
TC
±10ppm, ±25ppm, ±50ppm, ±100ppm
Depending on operating temperature
range, other options available
Operating temperature range
TOP
– 20°C ~+70°C or –40°C ~+85°C
up to –40°C ~ +125°C
Options available
Load capacitance
CL
6 to 32pF or SERIES
Please specify load capacitance
Equivalent series resistance
ESR
500Ω MAX
100Ω ~ 80? MAX
80Ω ~ 60? MAX
60Ω ~ 50? MAX
50Ω ~ 40? MAX
40Ω ~ 30? MAX
100Ω MAX
FUND mode
FUND mode
FUND mode
FUND mode
FUND mode
FUND mode
3rd OT mode
8.000MHz
12 ~ 13MHz
13 ~ 16MHz
16 ~ 20MHz
20 ~ 26MHz
27 ~ 60MHz
54 ~120MHz
Drive level
DL
50µW TYP, 200µW MAX
—
Aging first year
Δf/y1
±3ppm
@+25°C
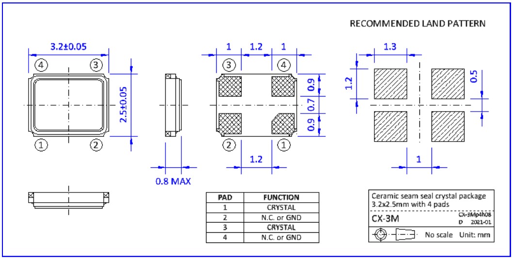
Mobil通信6G晶振,S3M28.0000F18E23-EXT,香港NKG无源晶振 尺寸图
Mobil通信6G晶振,S3M28.0000F18E23-EXT,香港NKG无源晶振
小型石英贴片晶振主要采用了,先进的晶片的抛光工艺技术,是晶体行业中石英晶片研磨技术中表面处理的最高技术,最终使晶片表面更光洁,平行度及平面度更好,大大的降低谐振电阻,使精度得到了很大的提升。改变了传统的生产工艺,使产品在各项参数得到了很大的改良,外观尺寸具有薄型表面贴片型石英晶体谐振器,特别适用于有小型化要求的市场领域,比如智能手机,无线蓝牙,平板电脑等电子数码产品。
服务热线:0755-27839045
Q Q联系:262320519
邮箱:szceob2b@163.com


