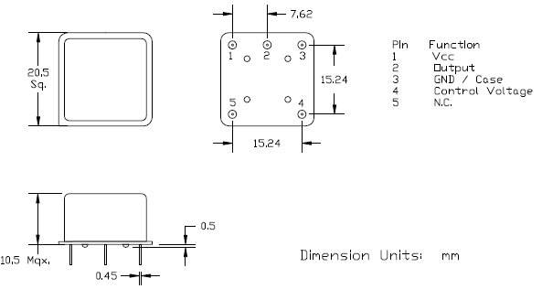
频率:1~150MHZ
尺寸:20.5*20.5mm
插件石英晶振适合用于比较低端的电子产品,比如儿童玩具,普通家用电器,即使在汽车电子领域中也能使产品高可靠性的使用.并且可用于安全控制装置的CPU时钟信号发生源部分,好比时钟单片机上的石英晶振,在恶劣严酷的环境条件下,高精度晶振也能正常工作,具有稳定的起振特性,高耐热性,耐热循环性和耐振性等的高可靠性能,由于在恒温晶体振荡器的底部装了树脂底座,就可作为产品电气特性和高可靠性无受损的表面插件型晶体振荡器使用,满足无铅焊接的回流温度曲线要求.
石英晶振产品电极的设计:美国进口晶振产品的电极对于石英晶体元器件来讲作用是1.改变频率;2.往外界引出电极;3.改变电阻;4.抑制杂波。第1、2、3项相对简单,第4项的设计很关键,电极的形状、尺寸、厚度以及电极的种类(如金、银等)都会导致第4项的变化。特别是随着晶振的晶片尺寸的缩小对于晶片电极设计的形状及尺寸和精度上都有更高的要求---公差大小、位置的一致性等对晶振产品的影响的程度增大,故对电极的设计提出了更精准的要求。
ILSI晶振,恒温晶振,I411晶振,烤箱控制晶体振荡器,插件式石英晶体振荡器,低电压启动功率,并且有多种电压供选择,比如有1.8V,2.5V,3.3V,3.8V,5V等,产品被广泛应用于,平板笔记本,卫星系统,光纤通道,千兆以太网,串行ATA,串行连接SCSI,PCI-EXPress的SDH / SONET发射基站等领域.符合RoHS/无铅.
2013年,ILSI收购了MMD Monitor / Quartztek。MMD Monitor / Quartztek的收购使我们现有的全球频率控制打印位置和活跃的客户群翻了一番。ILSI收购MMD的行为不会中断我们的客户供应链。ILSI现在在加利福尼亚州南部的MMD Monitor Monitor / Quartztek所在地的销售水平显着提高,因此2013年需要开设两个新的区域销售办事处,负责处理洛杉矶,加利福尼亚州,加利福尼亚州奥兰治县和加利福尼亚州圣地亚哥的地区。ILSI和MMD Monitor / Quartztek品牌作为ILSI-MMD Inc.基础设施下的品牌实体进行了积极的营销和销售。通过进口晶振增长和收购带来的销量增加需要重新调整我们的销售渠道,以更好地管理我们的全球客户群。
|
项目 |
符号 |
I411晶振(HC-MOS) |
条件 |
|
输出频率范围 |
f0 |
1~150MHZ |
请联系我们以便获取其它可用频率的相关信息 |
|
电源电压 |
VCC |
+5.0V |
请联系我们以了解更多相关信息 |
|
储存温度 |
T_stg |
-40℃- +85℃
|
裸存 |
|
工作温度 |
T_use |
-20℃- +70℃
|
请联系我们查看更多资料
|
|
-10℃- +70℃
|
|||
|
-0℃- +70℃ |
|||
|
频率稳定度 |
f_tol |
Y:0.5× 10-6 |
|
|
0.25× 10-6 |
|||
|
0.1 × 10-6 |
|||
|
功耗 |
ICC |
2 mA Max. |
无负载条件、最大工作频率 |
|
待机电流 |
I_std |
10μA Max. |
ST=GND |
|
占空比 |
SYM |
45 % to 55 % |
50 % VCC 极, L_CMOS≦15 pF |
|
输出电压 |
VOH |
-0.5V Min. |
|
|
VOL |
+7.0V Max. |
|
|
|
输出负载条件 |
L_CMOS |
15 pF Max. |
|
|
输入电压 |
VIH |
+2.5% VCC Max. |
ST 终端 |
|
VIL |
+3.3% VCC Max. |
||
|
上升/下降时间 |
tr / tf |
4 ns Max. |
20 % VCC to 80 % VCC 极, L_CMOS=15 pF |
|
振荡启动时间 |
t_str |
3 ms Max. |
t=0 at 90 % |
|
频率老化 |
f_aging |
±3× 10-6 / year Max. |
+25 ℃, 初年度,第一年 |
美国ILSI OCXO Crystal Oscillators型号:
所有石英振荡器和实时时钟模块都以IC形式提供。噪音:在电源或输入端上施加执行级别(过高)的不相干(外部的)噪音,可能导致会引发功能失常或击穿的闭门或杂散现象。电源线路:电源的线路阻抗应尽可能低。ILSI晶振,恒温晶振,I411晶振,烤箱控制晶体振荡器
输出负载:建议将石英晶振输出负载安装在尽可能靠近高精度晶振的地方(在20 mm范围之间)。未用输入终端的处理:未用针脚可能会引起噪声响应,从而导致非正常工作。同时,当P通道和N通道都处于打开时,电源功率消耗也会增加;因此,请将未用输入终端连接到VCC 或GND。
热影响:重复的温度巨大变化可能会降低受损害的无线电子晶振产品特性,并导致塑料封装里的线路击穿。必须避免这种情况。安装方向:振荡器的不正确安装会导致故障以及崩溃,因此安装时,请检查安装方向是否正确。通电:不建议从中间电位和/或极快速通电,否则会导致无法产生振荡和/或非正常工作。
由总裁和所有部门经理组成的管理团队专注于确保我们的产品和服务符合客户以及法定和监管要求。我们致力于不断提高恒温插件晶体振荡器质量管理体系的有效性和我们对客户满意度的承诺,通过监控我们的业绩与我们既定的目标以及通过促进员工参与的领导力来实现。这个概念代表了ILSI America LLC / ILSI-MMD Inc.对质量的承诺,以及越来越需要更好地服务于不断增长和要求苛刻的客户群。ILSI晶振,恒温晶振,I411晶振,烤箱控制晶体振荡器
ILSI America LLC / ILSI-MMD Inc.5G通讯插件晶振质量方针:ILSI America LLC / ILSI-MMD Inc.制定了我们认为适合我们组织的质量方针,并且符合ISO 9001:2008中规定的要求。该政策在整个公司内传达。部门经理和主管负责确保所有员工了解政策。为确保我们的政策适宜,我们至少每年在其管理评审会议上对其进行审查。
ILSI America LLC / ILSI-MMD Inc.质量方针:ILSI America LLC / ILSI-MMD Inc.致力于通过烤箱控制晶体振荡器坚持其建立的质量管理体系和持续改进的承诺,不断为其内部和外部客户提供高质量的产品和服务ILSI America LLC / ILSI-MMD Inc.质量管理体系采用Plan-Do-Check-Act循环。这是ISO管理体系标准的操作原则。
服务热线:0755-27839045
Q Q联系:262320519
邮箱:szceob2b@163.com

频率:1~50MHZ
尺寸:20.7*20.6mm
引脚焊接型石英晶体振荡器元件.工厂仓库长时间大量库存常用频点,高精度的频率和晶振本身更低的等效串联电阻,常用负载电容.插件石英晶振,因插件型晶体成本更低和更高的批量生产能力,主要应用于电视,机顶盒,LCDM和游戏机家用常规电器数码产品等的俱佳选择.符合RoHS/无铅.

频率:10~30MHZ
尺寸:25.7*25.7mm
引脚焊接型石英晶体元件.工厂仓库长时间大量库存常用频点,高精度的频率和恒温晶振本身更低的等效串联电阻,常用负载电容.插件石英晶振,因插件型晶体成本更低和更高的批量生产能力,主要应用于电视,机顶盒,LCDM和游戏机家用常规电器数码产品等的俱佳选择.符合RoHS/无铅.

频率:10MHZ
尺寸:26.16*26.16mm
插件石英晶振适合用于比较低端的电子产品,比如儿童玩具,普通家用电器,即使在汽车电子领域中也能使产品高可靠性的使用.并且可用于安全控制装置的CPU时钟信号发生源部分,好比时钟单片机上的晶振,在恶劣严酷的环境条件下,晶振也能正常工作,具有稳定的起振特性,高耐热性,耐热循环性和耐振性等的高可靠性能,由于在恒温晶体振荡器的底部装了树脂底座,就可作为产品电气特性和高可靠性无受损的表面插件型晶体振荡器使用,满足无铅焊接的回流温度曲线要求.