频率:1~51.84MHZ
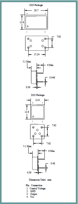
尺寸:12.6*12.6mm
压控晶振(VCXO),压控石英晶体振荡器基本解决方案,PECL输出,输出频率60 MHz到200 MHz之间,出色的低相位噪声和抖动,三态功能,应用:SDH/SONET,以太网,基站,笔记本晶振应用,符合RoHS/无铅.VCXO压控晶体应用:调制解调器,ADSL网络控制器,无线基站,程控交换设备智能手机,笔记本晶振等.
石英晶振高精度晶片的抛光技术:Oscillator是目前晶片研磨技术中表面处理技术的最高技术,最终使晶振晶片表面更光洁,平行度及平面度更好,降低谐振电阻,提高Q值。从而达到一般研磨所达不到的产品性能,使石英晶振的等效电阻等更接近理论值,使晶振可在更低功耗下工作。使用先进的牛顿环及单色光的方法去检测晶片表面的状态。
ILSI晶振,压控晶振,I202晶振,四脚贴片晶振,具有适合于移动通信设备用途的高稳定的频率温度特性.为对应低电源电压的产品.(可对应DC+1.8V±0.1V to+3.2V±0.1V )高度:高1.0 mm,体积:0.007 cm3,重量:0.024g,小型,轻型.低消耗电流,表面插件型产品.(可对应回流焊)无铅产品.满足无铅焊接的回流温度曲线要求.
ILSI-MMD提供广泛的频率控制产品包装,包括工业标准和定制金属罐通孔表面贴装石英晶体,塑料封装的手表晶体,陶瓷表面贴装晶体和陶瓷表面贴装时钟振荡器.②ILSI-MMD核心频率控制产品:晶体。XO,VCXO,TCXO,OCXO振荡器和谐振器.③ILSI-MMD是用于RF /无线应用的TCXO频率控制产品的市场领导者.④ILSI-MMD是一家通过ISO9001:2008 DNV认证的供应商.⑤ILSI-MMD是全球各合同制造/ EMS供应商的认可供应商.⑥ILSI-MMD通过香港的货运枢纽/仓库为我们的亚洲合同制造和亚洲直接客户提供支持,以简化物流具有35年频率控制产品经验的ILSI-MMD现场应用工程团队.
|
项目 |
符号 |
I202晶振(TTL/HC-MOS) |
条件 |
|
输出频率范围 |
f0 |
1~51.84MHZ |
请联系我们以便获取其它可用频率的相关信息 |
|
电源电压 |
VCC |
+3.3,5.0V |
请联系我们以了解更多相关信息 |
|
储存温度 |
T_stg |
-55℃- +125℃
|
裸存 |
|
工作温度 |
T_use |
-40℃- +85℃
|
请联系我们查看更多资料
|
|
-20℃- +70℃ |
|||
|
-0℃- +70℃ |
|||
|
频率稳定度 |
f_tol |
F=±20ppm |
|
|
X=±30ppm |
|||
|
B=±50ppm |
|||
|
功耗 |
ICC |
2 mA Max. |
无负载条件、最大工作频率 |
|
待机电流 |
I_std |
10μA Max. |
ST=GND |
|
占空比 |
SYM |
45 % to 55 % |
50 % VCC 极, L_CMOS≦15 pF |
|
输出电压 |
VOH |
-0.5V Min. |
|
|
VOL |
+7.0V Max. |
|
|
|
输出负载条件 |
L_CMOS |
15 pF Max. |
|
|
输入电压 |
VIH |
+2.5% VCC Max. |
ST 终端 |
|
VIL |
+3.3% VCC Max. |
||
|
上升/下降时间 |
tr / tf |
4 ns Max. |
20 % VCC to 80 % VCC 极, L_CMOS=15 pF |
|
振荡启动时间 |
t_str |
3 ms Max. |
t=0 at 90 % |
|
频率老化 |
f_aging |
±3× 10-6 / year Max. |
+25 ℃, 初年度,第一年 |
美国ILSI VCXO Crystal Oscillators型号:
晶振产品使用每种产品时,请在插件石英晶振规格说明或产品目录规定使用条件下使用。因很多种晶振产品性能,以及材料有所不同,所以使用注意事项也有所不同,比如焊接模式,运输模式,保存模式等等,都会有所差别。ILSI晶振,压控晶振,I202晶振,四脚贴片晶振
晶振产品的设计和生产直到出厂,都会经过严格的测试检测来满足它的规格要求。通过严格的出厂前可靠性测试以提供高质量高的可靠性的金属面晶振.但是为了石英晶振的品质和可靠性,必须在适当的条件下存储,安 装,运输。请注意以下的注意事项并在最佳的条件下使用产品,我们将对于客户按自己的判断而使用石英晶振所导致的不良不负任何责任。
机械振动的影响:当高精度晶振产品上存在任何给定冲击或受到周期性机械振动时,比如:压电扬声器,压电蜂鸣器,以及喇叭等,输出频率和幅度会受到影响。这种现象对通信器材通信质量有影响。尽管晶振产品设计可最小化这种机械振动的影响,我们推荐事先检查并按照下列安装指南进行操作。
由总裁和所有部门经理组成的管理团队专注于确保我们的产品和服务符合客户以及法定和监管要求。我们致力于不断提高金属面四脚DIP晶振质量管理体系的有效性和我们对客户满意度的承诺,通过监控我们的业绩与我们既定的目标以及通过促进员工参与的领导力来实现。这个概念代表了ILSI America LLC / ILSI-MMD Inc.对质量的承诺,以及越来越需要更好地服务于不断增长和要求苛刻的客户群。ILSI晶振,压控晶振,I202晶振,四脚贴片晶振
ILSI America LLC / ILSI-MMD Inc.压控插件石英晶振质量方针:ILSI America LLC / ILSI-MMD Inc.制定了我们认为适合我们组织的质量方针,并且符合ISO 9001:2008中规定的要求。该政策在整个公司内传达。部门经理和主管负责确保所有员工了解政策。为确保我们的政策适宜,我们至少每年在其管理评审会议上对其进行审查。
ILSI America LLC / ILSI-MMD Inc.质量方针:ILSI America LLC / ILSI-MMD Inc.致力于通过计算机终端系统晶振坚持其建立的质量管理体系和持续改进的承诺,不断为其内部和外部客户提供高质量的产品和服务ILSI America LLC / ILSI-MMD Inc.质量管理体系采用Plan-Do-Check-Act循环。这是ISO管理体系标准的操作原则。
服务热线:0755-27839045
Q Q联系:262320519
邮箱:szceob2b@163.com

频率:1~51.84MHZ
尺寸:20.7*12.6mm
插件进口晶振适合用于比较低端的电子产品,比如儿童玩具,普通家用电器,即使在汽车电子领域中也能使产品高可靠性的使用.并且可用于安全控制装置的CPU时钟信号发生源部分,好比时钟单片机上的石英晶振,在恶劣严酷的环境条件下,晶振也能正常工作,具有稳定的起振特性,高耐热性,耐热循环性和耐振性等的高可靠性能,由于在压控晶体振荡器的底部装了树脂底座,就可作为产品电气特性和高可靠性无受损的表面插件型晶体振荡器使用,满足无铅焊接的回流温度曲线要求.

频率:51.84*170MHZ
尺寸:20.7*12.6mm
引脚焊接型石英晶体元件.工厂仓库长时间大量库存常用频点,高精度的频率和VCXO晶振本身更低的等效串联电阻,常用负载电容.压控石英晶振,因插件型晶体成本更低和更高的批量生产能力,主要应用于电视,机顶盒,LCDM和游戏机家用常规电器数码产品等的俱佳选择.符合RoHS/无铅.

频率:51.84~170MHZ
尺寸:12.6*12.6mm
插件石英晶振适合用于比较低端的电子产品,比如儿童玩具,普通家用电器,即使在汽车电子领域中也能使产品高可靠性的使用.并且可用于安全控制装置的CPU时钟信号发生源部分,好比时钟单片机上的石英晶振,在恶劣严酷的环境条件下,晶振也能正常工作,具有稳定的起振特性,高耐热性,耐热循环性和耐振性等的高可靠性能,由于在压控晶体振荡器的底部装了树脂底座,就可作为产品电气特性和高可靠性无受损的表面插件型晶体振荡器使用,满足无铅焊接的回流温度曲线要求.