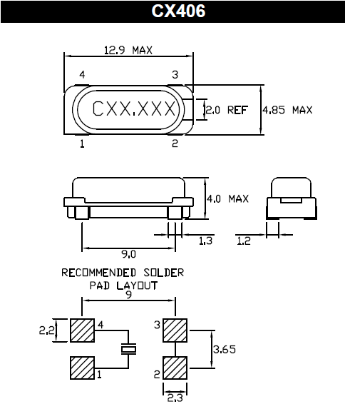
频率:3.6864~64MHZ
尺寸:12.9*4.85mm
普通贴片石英晶振外观使用金属材料封装的,具有高稳定性,高可靠性的石英晶体谐振器,晶振外观本身使用金属封装,充分的密封性能,可确保其高可靠性,采用编带包装,外包装采用朔胶盘,可在自动贴片机上对应自动贴装等优势.
Cardinal晶振,贴片晶振,CX406晶振,石英晶体谐振器,石英晶振的切割设计:用不同角度对晶振的石英晶棒进行切割,可获得不同特性的石英晶片,通常我们把晶振的石英晶片对晶棒坐标轴某种方位(角度)的切割称为石英晶片的切型。不同切型的石英晶片,因其弹性性质,压电性质,温度性质不同,其电特性也各异,石英晶振目前主要使用的有 AT 切、BT 切。其它切型还有 CT、DT、GT、NT 等。
普通石英晶振,外观完全使用金属材料封装的,产品本身采用全自动石英晶体检测仪,以及跌落,漏气等苛刻实验.产品本身具有高稳定性,高可靠性的石英晶体谐振器,焊接方面支持表面贴装,外观采用金属封装,具有充分的密封性能,晶振本身能确保其高可靠性,采用编带包装,可对应产品应用到自动贴片机告诉安装,满足无铅焊接的高温回流温度曲线要求.
Cardinal Components公司除了在石英晶体,振荡器,TCXO和VCXO石英基于时钟产品的商品市场上的竞争对手外,还有哪些产品?在Cardinal Components,Inc.自1986年以来,我们一直向北美,欧洲和亚洲的电子行业供应最优质的石英晶体和振荡器。在我们的历史中,我们与许多客户保持着长期的合作关系。他们回来是因为他们知道,不管挑战如何,Cardinal都能完成工作!
|
Cardinal晶振 |
单位 |
CX406晶振 |
石英晶振基本条件 |
|
标准频率 |
f_nom |
3.6864~64MHZ |
标准频率 |
|
储存温度 |
T_stg |
-40°C - +85°C |
裸存 |
|
工作温度 |
T_use |
-10° C- +85°C |
标准温度 |
|
激励功率 |
DL |
1mW Max. |
推荐:10μW~100μW |
|
频率公差 |
f_— l |
±15,30,50,100ppm×10-6 (标准), |
+25°C 对于超出标准的规格说明, |
|
频率温度特征 |
f_tem |
±10,30,50,100ppm/‐20°C ~ +70°C, |
超出标准的规格请联系我们. |
|
负载电容 |
CL |
16pF |
不同负载电容要求,请联系我们. |
|
串联电阻(ESR) |
R1 |
如下表所示 |
-10°C~65°C, DL=100μW |
|
频率老化 |
f_age |
±5× 10-6 / year Max. |
+25°C,第一年 |
Cardinal贴片无源石英晶振型号:
机械振动的影响:当2520mm晶振产品上存在任何给定冲击或受到周期性机械振动时,比如:压电扬声器,压电蜂鸣器,以及喇叭等,输出频率和幅度会受到影响。这种现象对通信器材通信质量有影响。尽管晶振产品设计可最小化这种机械振动的影响,我们推荐事先检查并按照下列安装指南进行操作。Cardinal晶振,贴片晶振,CX406晶振,石英晶体谐振器
耐焊性:将晶振加热包装材料至+150°C以上会破坏产品特性或损害产品。如需在+150°C以上焊接石英贴片晶振,建议使用SMD晶振产品。在下列回流条件下,对石英晶振产品甚至SMD贴片晶振使用更高温度,会破坏晶振特性。建议使用下列配置情况的回流条件。安装这些贴片晶振之前,应检查焊接温度和时间。同时,在安装条件更改的情况下,请再次进行检查。如果需要焊接的晶振产品在下列配置条件下进行焊接,请联系我们以获取耐热的相关信息。
无源石英晶振自动安装和真空化引发的冲击会破坏产品特性并影响这些产品。请设置安装条件以尽可能将冲击降至最低,并确保在安装前未对晶振特性产生影响。条件改变时,请重新检查安装条件。同时,在安装前后,请确保石英晶振产品未撞击机器或其他电路板等。
Cardinal石英晶振环保环境与发展对策:实行可持续发展战略.采取有效措施,防治工业污染.提高SMD压电石英晶体能源利用效率,改善能源结构.运用经济手段保护环境.大力推进科技进步,加强环境科学研究,积极发展环境保护产业.健全环境法规,强化环境管理.加强欧美进口石英晶振环境教育,不断提高环境意识.Cardinal晶振,贴片晶振,CX406晶振,石英晶体谐振器
Cardinal晶振减少污染物排放,对不可再生的资源进行有效利用.减少废物的产生,对其排放的责任进行有效管理,有效地使用能源.通过49S晶体谐振器,贴片晶振,温补晶振,石英晶体振荡器设计工艺程序对员工进行培训保护环境以及人们的健康和安全.提供安全使用和废置我们的产品的信息,对环境有重大健康安全和环境的运营现状进行纠正.
Cardinal晶振公司严格遵守国家有关工程建设法律、法规,不断提高49SMD晶振的质量意识和能力,履行合约、信守承诺,坚持开拓创新,不断提升企业的施工技术素质和质量管理水平,以科学学严密的施工管理和真诚的服务让业主高度满意。
服务热线:0755-27839045
Q Q联系:262320519
邮箱:szceob2b@163.com

频率:3~90MHZ
尺寸:12.5*4.85mm
普通贴片石英晶振外观使用金属材料封装的,具有高稳定性,高可靠性的石英晶体谐振器,晶振外观本身使用金属封装,充分的密封性能,可确保其高可靠性,采用编带包装,外包装采用朔胶盘,可在自动贴片机上对应自动贴装等优势.
频率:3.2~100MHZ
尺寸:12.5*4.8mm
普通贴片石英晶振外观使用金属材料封装的,具有高稳定性,高可靠性的石英晶体谐振器,晶振外观本身使用金属封装,充分的密封性能,可确保其高可靠性,采用编带包装,外包装采用朔胶盘,可在自动贴片机上对应自动贴装等优势.

频率:3.2 - 70MHz 尺寸:13.2*4.9*5.1mm
我公司的49/SMD贴片晶振在生产晶片时,就采用了晶片在球筒倒边加工时应用到的加工技术,主要是研究满足不同曲率半径晶片设计可使用的方法。如:1、是指球面加工曲率半径的工艺设计( a、球面的余弦磨量; b、球面的均匀磨量;c、球面加工曲率半径的配合)2、在加工时球面测量标准的设计原则(曲率半径公式的计算)