欢迎来到CEOB2B晶振平台

咨询热线:

0755-27839045

日产进口晶振 :
KDS晶振KDScrystal
爱普生晶振EPSONcrystal
NDK晶振NDKcrystal
京瓷晶振KyoceraCrystal
精工晶振SEIKOcrystal
西铁城晶振CITIZENcrystal
村田晶振MurataCrystal
大河晶振RiverCrystal
富士晶振FujicomCrystal
SMI晶振SMICrystal
NAKA晶振NAKACrystal
NJR晶振NJRCrystal
中国台产晶振 :
泰艺晶振TAITIENcrystal
TXC晶振TXCcrystal
鸿星晶振HOSONICcrystal
希华晶振SIWARDcrystal
加高晶振HELEcrystal
百利通亚陶晶振DiodesCrystal
嘉硕晶振TSTcrystal
津绽晶振NSKcrystal
玛居礼晶振MERCURYcrystal
应达利晶振Interquip Crystal
AKER晶振
NKG晶振NKGCrystal
欧美石英晶振 :
CTS晶振CTScrystal
微晶晶振Microcrystal
瑞康晶振RakonCrystal
康纳温菲尔德ConnorWinfield
高利奇晶振GolledgeCrystal
Jauch晶振JauchCrystal
AbraconCrystalAbraconCrystal
维管晶振VectronCrystal
ECScrystal晶振ECScrystal
日蚀晶振ECLIPTEKcrystal
拉隆晶振RaltronCrystal
格林雷晶振GreenrayCrystal
SiTimeCrystalSiTimeCrystal
IDTcrystal晶振IDTcrystal
Pletronics晶振PletronicsCrystal
StatekCrystalStatekCrystal
AEK晶振AEKCrystal
AEL晶振AELcrystal
Cardinal晶振Cardinalcrystal
Crystek晶振Crystekcrystal
Euroquartz晶振Euroquartzcrystal
福克斯晶振FOXcrystal
Frequency晶振Frequencycrystal
GEYER晶振GEYERcrystal
ILSI晶振ILSIcrystal
KVG晶振KVGcrystal
MMDCOMP晶振MMDCOMPcrystal
MtronPTI晶振MtronPTIcrystal
QANTEK晶振QANTEKcrystal
QuartzCom晶振QuartzComcrystal
QuartzChnik晶振QuartzChnikcrystal
SUNTSU晶振SUNTSUcrystal
Transko晶振Transkocrystal
WI2WI晶振WI2WIcrystal
韩国三呢晶振SUNNY Crystal
ITTI晶振ITTICrystal
Oscilent晶振OscilentCrystal
ACT晶振ACTCrystal
Lihom晶振LihomCrystal
Rubyquartz晶振RubyquartzCrystal
SHINSUNG晶振SHINSUNGCrystal
PDI晶振PDICrystal
MTI-milliren晶振MTImillirenCrystal
IQD晶振IQDCrystal
Microchip晶振MicrochipCrystal
Silicon晶振SiliconCrystal
富通晶振FortimingCrystal
科尔晶振CORECrystal
NIPPON晶振NIPPONCrystal
NIC晶振NICCrystal
QVS晶振QVSCrystal
Bomar晶振BomarCrystal
百利晶振BlileyCrystal
GED晶振GEDCrystal
菲特罗尼克斯晶振FiltroneticsCrystal
STD晶振STDCrystal
Q-Tech晶振Q-TechCrystal
安德森晶振AndersonCrystal
文泽尔晶振WenzelCrystal
耐尔晶振NELCrystal
EM晶振EMCrystal
彼得曼晶振PETERMANNCrystal
FCD-Tech晶振FCD-TechCrystal
HEC晶振HECCrystal
FMI晶振FMICrystal
麦克罗比特晶振MacrobizesCrystal
AXTAL晶振AXTALCrystal
ARGO晶振
Skyworks晶振
Renesas瑞萨晶振
Dynamic迪拉尼
有源晶振 :
石英晶体振荡器
温补晶振
压控晶振
VC-TCXO晶振
差分晶振
32.768K有源
恒温晶振
贴片晶振 :
5070晶振
6035晶振
5032晶振
3225晶振
2520晶振
2016晶振
1612晶振
1210晶振
8045晶振
32.768K晶振 :
10.4x4.0晶振
8.0x3.8晶振
7.1x3.3晶振
7.0x1.5晶振
5.0x1.8晶振
4.1x1.5晶振
3.2x1.5晶振
2.0x1.2晶振
1.6x1.0晶振
为你解决国内外知名品牌产品料号代码,查询对照

在线品牌会员

当前位置首页 » 新闻动态 » 确定有源晶振好坏的测量方法

确定有源晶振好坏的测量方法

返回列表 来源:CEOB2B晶振平台 浏览:- 发布日期:2018-05-03 09:57:08【

海外进口的有源晶振和一般的石英晶体谐振器虽然都可以叫做晶振,也属于同一种电子元件,但有源晶振和无源晶振的各方面的区别比较大,首先外形上就不太一样,石英晶体振荡器有凹槽,无源的石英晶体一般没有,前者不需要外部接电源就可以振荡,后者则不可以。除此之外,检测有源晶振是好还是坏,也有自己的一套测量方法,主要有测量电阻法、测量电容量法、用测试电路检测这三种。

1.测量电阻法  

万用表R×10k档测量石英晶体振荡器的正、反向电阻值,正常时均应为∞(无穷大)。若测得石英晶体振荡器有一定的阻值或为0,则说明该石英晶体振荡器已漏电或击穿损坏。      

2.测量电容量法  

通过用电容表或具有电容测量功能的数字万用表测量进口石英晶体振荡器的电容量,可大致判断出该石英晶体振荡器是否已变值。例如,遥控发射器中常用的45kHz、480kHZ、500kHZ和560kHZ石英晶体振荡器的电容近似值分别为296~310pF、350~360pF、405~430pF、170-196pF。若测得石英晶体振荡器的容量大于近似值或无容量,则可确定是该石英晶体振荡器已变值或开路损坏。      

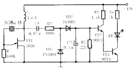
3.用测试电路检测  

用晶体管及有关外转元件组成的测试电路也可以检测也石英晶体振荡器是否完好。

YYJZJCFF

若将石英晶体振荡器接入电路中(注意,有源贴片晶振的两条引线不能相距过近),电路能起振,LED指示灯闪烁,则说明该石英晶体振荡器性能良好;若将石英晶体振荡器接入电路后,电路不起振,LED指示灯也不亮,则说明该石英晶体振荡器已损坏。

推荐阅读

    【本文标签】:有源晶振 石英晶体振荡器测量
    【责任编辑】:CEOB2B晶振平台版权所有:http://www.jingzhen95.com转载请注明出处