欢迎来到CEOB2B晶振平台

咨询热线:

0755-27839045

日产进口晶振 :
KDS晶振KDScrystal
爱普生晶振EPSONcrystal
NDK晶振NDKcrystal
京瓷晶振KyoceraCrystal
精工晶振SEIKOcrystal
西铁城晶振CITIZENcrystal
村田晶振MurataCrystal
大河晶振RiverCrystal
富士晶振FujicomCrystal
SMI晶振SMICrystal
NAKA晶振NAKACrystal
NJR晶振NJRCrystal
中国台产晶振 :
泰艺晶振TAITIENcrystal
TXC晶振TXCcrystal
鸿星晶振HOSONICcrystal
希华晶振SIWARDcrystal
加高晶振HELEcrystal
百利通亚陶晶振DiodesCrystal
嘉硕晶振TSTcrystal
津绽晶振NSKcrystal
玛居礼晶振MERCURYcrystal
应达利晶振Interquip Crystal
AKER晶振
NKG晶振NKGCrystal
欧美石英晶振 :
CTS晶振CTScrystal
微晶晶振Microcrystal
瑞康晶振RakonCrystal
康纳温菲尔德ConnorWinfield
高利奇晶振GolledgeCrystal
Jauch晶振JauchCrystal
AbraconCrystalAbraconCrystal
维管晶振VectronCrystal
ECScrystal晶振ECScrystal
日蚀晶振ECLIPTEKcrystal
拉隆晶振RaltronCrystal
格林雷晶振GreenrayCrystal
SiTimeCrystalSiTimeCrystal
IDTcrystal晶振IDTcrystal
Pletronics晶振PletronicsCrystal
StatekCrystalStatekCrystal
AEK晶振AEKCrystal
AEL晶振AELcrystal
Cardinal晶振Cardinalcrystal
Crystek晶振Crystekcrystal
Euroquartz晶振Euroquartzcrystal
福克斯晶振FOXcrystal
Frequency晶振Frequencycrystal
GEYER晶振GEYERcrystal
ILSI晶振ILSIcrystal
KVG晶振KVGcrystal
MMDCOMP晶振MMDCOMPcrystal
MtronPTI晶振MtronPTIcrystal
QANTEK晶振QANTEKcrystal
QuartzCom晶振QuartzComcrystal
QuartzChnik晶振QuartzChnikcrystal
SUNTSU晶振SUNTSUcrystal
Transko晶振Transkocrystal
WI2WI晶振WI2WIcrystal
韩国三呢晶振SUNNY Crystal
ITTI晶振ITTICrystal
Oscilent晶振OscilentCrystal
ACT晶振ACTCrystal
Lihom晶振LihomCrystal
Rubyquartz晶振RubyquartzCrystal
SHINSUNG晶振SHINSUNGCrystal
PDI晶振PDICrystal
MTI-milliren晶振MTImillirenCrystal
IQD晶振IQDCrystal
Microchip晶振MicrochipCrystal
Silicon晶振SiliconCrystal
富通晶振FortimingCrystal
科尔晶振CORECrystal
NIPPON晶振NIPPONCrystal
NIC晶振NICCrystal
QVS晶振QVSCrystal
Bomar晶振BomarCrystal
百利晶振BlileyCrystal
GED晶振GEDCrystal
菲特罗尼克斯晶振FiltroneticsCrystal
STD晶振STDCrystal
Q-Tech晶振Q-TechCrystal
安德森晶振AndersonCrystal
文泽尔晶振WenzelCrystal
耐尔晶振NELCrystal
EM晶振EMCrystal
彼得曼晶振PETERMANNCrystal
FCD-Tech晶振FCD-TechCrystal
HEC晶振HECCrystal
FMI晶振FMICrystal
麦克罗比特晶振MacrobizesCrystal
AXTAL晶振AXTALCrystal
ARGO晶振
Skyworks晶振
Renesas瑞萨晶振
Dynamic迪拉尼
有源晶振 :
石英晶体振荡器
温补晶振
压控晶振
VC-TCXO晶振
差分晶振
32.768K有源
恒温晶振
贴片晶振 :
5070晶振
6035晶振
5032晶振
3225晶振
2520晶振
2016晶振
1612晶振
1210晶振
8045晶振
32.768K晶振 :
10.4x4.0晶振
8.0x3.8晶振
7.1x3.3晶振
7.0x1.5晶振
5.0x1.8晶振
4.1x1.5晶振
3.2x1.5晶振
2.0x1.2晶振
1.6x1.0晶振
为你解决国内外知名品牌产品料号代码,查询对照

在线品牌会员

当前位置首页 » 关于我们 » 压电石英晶体技术资料 » 石英晶振频率微调技术频率飘移图及现象

石英晶振频率微调技术频率飘移图及现象

返回列表 来源:CEOB2B晶振平台 浏览:- 发布日期:2018-03-27 08:45:54【

7章激光频率微调的扩展性研究

本章基于前面研究的基础上,进一步探讨激光频率微调工艺产业化的问题及该工艺的其他用途。如是否能用于替代光刻技术,是否还能用于石英晶振晶片本身(无镀膜)的精确微调等等。

7.1频率漂移现象

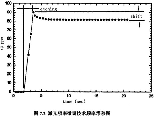
  离子刻蚀,在刻蚀后的几秒钟存在频率漂移现象,漂移可达10ppm,国内外众多学者研究过其漂移机制,但至今尚未有定论。漂移图如图7.1所示。

1

  问同离子刻蚀类似,贴片晶振的激光频率微调,也同样在微调停止的最初一段时间内存在着频率漂移现象。漂移量也在10ppmn左右。如下图所示。

2

  这个现象的存在会给实验结果带来误差。解决办法之一就是,找出频率漂移的规律,在微调的时候预留出漂移量,使漂移之后的结果恰好为目标频率。

7.2多片晶片同时微调

  目前在生产中的离子束刻蚀频率微调工艺均是有源晶振晶片逐一进行刻蚀,当前刻日前在生产中的离子束刻蚀频率微调工艺均是对晶片逐一进行刻蚀,当前刻这是因为离子能量大,束瓣宽,较难移动方向,无法在厘米甚至毫米数量级大小的晶片间准确的移动定位。这样的单片刻蚀工艺,其生产效率有限,难以大幅度提高。

  而引入了激光技术以后,这个问题就可以迎刃而解了。利用激光束的定位准确,移动控制灵活等优点,对多片晶片同时进行激光高速扫描。对每一片晶片进行实时频率检测,一旦达到目标频率通过软件控制,停止对该片的扫描,同时激光束继续对其余晶片进行扫描。

  图72所示为二维扫描机构俯视示意图。41是激光输出口;11石英晶体谐振器; 51是扫描机构的二维工作平台;7是采集器探针,即混轮测量电极,用于采集晶体频率数据。41为激光加工输出。探针7可以上下移动,检测晶体的输出端频率,向下则接解晶体引出脚,检测频率,41进行加工。该晶片加工完毕,则向上移动到另一个晶体的位置。741的距离S取决于7点测量到完成数据处理得到控制激光输出参数的时间ΔTX轴方向的速率V以及需加工修正镀层的时间△,S=v(△T+△t)

1

  随之而来的是高速取样、高速测量采用何种方式及其电路的研究,以及系统的设计,并且如何保证晶片之间不会相互干扰,这都将成为研究工作的难点。

  CEOB2B晶振平台该章节主要讲述了关于频率漂浮现象,对于一个频率元件来说,频率的稳定性至关重要,直接影响应用产品的性能各方面,因此在这项工艺上面尤为重要,石英晶振主要拥有KHZ和MHZ的频率为主,CEOB2B晶振平台里汇集了数千万种晶振,只要您需要的,这里都给您准备好了.