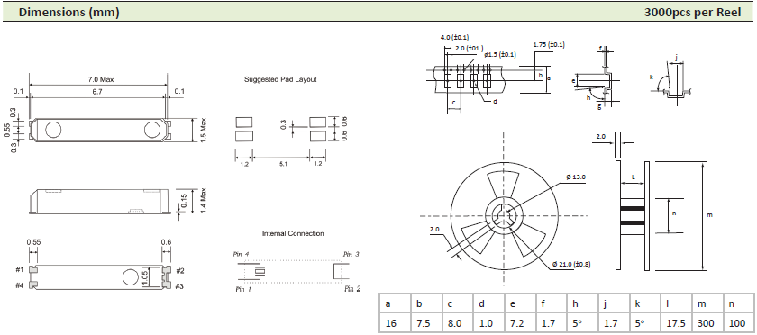
频率:32.768 kHz 尺寸:7.0*1.5*1.4mm
此音叉型石英晶体谐振器,晶振产品本身具备优良的耐热性,耐环境特性,在办公自动化,家电领域,移动通信领域可发挥优良的电气特性,符合无铅标准,满足无铅焊接的回流温度曲线要求,金属外壳的石英晶振使得产品在封装时能发挥比陶瓷晶振外壳更好的耐冲击性能.
AEL晶振,贴片晶振,PSX-415晶振,4.1*1.5mm手机晶体,随着科技数码产品的小型化发展,晶体元件的尺寸也从最初的插件庞大体积演变成目前的多种规格SMD小尺寸趋势,目前晶体内部的石英晶片已经达到了+-0.002mm以内了,由于很多晶振厂家在生产小尺寸时所产生的问题,晶片很小导致晶体的各类寄生波(如长度伸缩振动,面切变振动)与主振动(厚度切变振动)的耦合加强,从而造成如若晶片的长度或宽度尺寸设计不正确、使得振动强烈耦合导致晶片不能正常工作,在随着长时间的研究目前小尺寸的晶体已完全走入了成熟的阶段。
那么为什么越来越多的晶体企业都着手向汽车电子市场进军呢,然而汽车电子的要求也比科技数码产品高的多,特别是耐温这块,都有一定的要求值,比如:3225mm体积贴片晶振适用于汽车电子领域的表面贴片型石英晶振,本产品已被确定的高信赖性最适合用于汽车电子部件,晶体在极端严酷的环境条件下也能发挥稳定的起振特性,晶振本身具有耐热,耐振,耐冲击等优良的耐环境特性,满足无铅焊接的高温回流温度曲线要求,符合AEC-Q200标准.
贴片石英晶振产品为 250B。品管部应对公司内每台单机每个月进行一次校对。自动测试机用平移法进行测试。同时保留和记录与不同客户之间的误差。在生产中用平移法解决。高精度的频率、电阻的测量技术:引进一批先进的检测仪器,准确度达到±1ppm(国标标准)。在测量应用上制定一套标准的测量方法保证测量的准确性、仪器的精度、测试的一致性。
如下方面都会对压电陶瓷谐振器测量结果带来影响:1、测试针本身连接的可靠性;2、测试针同测试管的连接性;3、测试板同测试针的接触问题;4、测试座同电缆的连接;5、小负载的规格测量的规定;6、测试板π头上空测其C0值(保留3位以上小数);7、测量环境、操作方法等管制。
AEL晶振
单位
PMX-145晶振
石英晶振基本条件
标准频率
f_nom
32.768 kHz
标准频率
储存温度
T_stg
-55°C - +125°C
裸存
工作温度
T_use
‐40°C ~ +85°C
标准温度
激励功率
DL
1.0μW Max.
推荐:10μW~100μW
频率公差
f_— l
±20×10-6 (标准),
+25°C 对于超出标准的规格说明,
频率温度特征
f_tem
±10ppm - ±50ppm/‐20°C ~ +70°C,
超出标准的规格请联系我们.
负载电容
CL
12.5pF
不同负载电容要求,请联系我们.
串联电阻(ESR)
R1
如下表所示
-10°C~65°C, DL=100μW
频率老化
f_age
±3× 10-6 / year Max.
+25°C,第一年
(±10×10-6~±50×10-6可用)
请联系我们以便获取相关的信息,http://www.jingzhen95.com/

卤化合物
请勿在卤素气体环境下使用陶瓷面手机专用晶体产品。即使少量的卤素气体,比如在空气中的氯气内或封装所用金属部件内,都可能产生腐蚀。同时,请勿使用任何会释放出卤素气体的树脂。
静电
过高的静电可能会损坏产品,请注意抗静电条件。请为容器和封装材料选择导电材料。在处理的时候,请使用电焊枪和无高电压泄漏的测量电路,并进行接地操作。
在设计时
机械振动的影响
当7015石英晶体谐振器产品上存在任何给定冲击或受到周期性机械振动时,比如:压电扬声器,压电蜂鸣器,以及喇叭等,输出频率和幅度会受到影响。这种现象对通信器材通信质量有影响。尽管晶体产品设计可最小化这种机械振动的影响,我们推荐事先检查并按照下列安装指南进行操作。
PCB设计指导
(1) 理想情况下,机械蜂鸣器应安装在一个独立于晶体器件的PCB板上。如果您安装在同一个PCB板上,最好使用余量或切割PCB。当应用于PCB板本身或PCB板体内部时,机械振动程度有所不同。建议遵照内部板体特性。
(2) 在设计时请参考相应的推荐封装。
(3) 在使用焊料助焊剂时,按JIS标准(JIS C 60068-2-20/IEC 60,068-2-20).来使用。
(4) 请按JIS标准(JIS Z 3282, Pb 含量 1000ppm, 0.1wt% 或更少)来使用无铅焊料焊接陶瓷面无源千赫晶体产品。
英国艾西迪7015贴片石英晶振,依据‘ISO 14001环境/OHSAS-18001安卫管理系统’要求制定本‘环境/安卫手册’,以界定本公司环境/安卫管理系统之范围,包括任何排除之细节及调整,并指引环境/安卫管理系统与各书面、办法书之对应关系,包含在环境/安卫管理系统内之流程顺序及交互作用的描述.本公司环境/安卫管理系统之适用范围包含公司所有的活动、产品及服务.
英国ACT小体积贴片晶振藉由环境/安卫管理系统的推动执行,以整合内部资源,奠定经营管理的基础.藉执行环境考虑面/安卫危害鉴别作业,环境/安卫管理方案和内部稽核为手段,合理化推动环境/安卫管理,落实环境/安卫系统有效实施.并不断透过教育训练灌输员工环境/安卫观念及意识,藉由改善公司制程以达到污染预防、工业减废、安全与卫生、符合法规要求使企业永续发展减少环境/安卫负担,并满足客户需求,获得客户的信赖而努力.
产品主要有石英晶体谐振器,石英晶体振荡器。晶振主要特点有:高稳定性(年老化率小于+/- 5PPM),高Q(品质因数)值,低功耗,小体积,易于使用。石英晶体谐振器与石英晶体振荡器产品主要应用于通讯器材,电脑,导航,航空航天,家用电器,电子数码等领域。一般石英晶体谐振器的频率可从数百赫兹至几百兆赫兹。
服务热线:0755-27839045
Q Q联系:262320519
邮箱:szceob2b@163.com

频率:32.768KHZ
尺寸:7.0*1.5mm
小型,薄型,质地轻的表面贴片音叉型石英晶体谐振器,手机晶体,产品7015贴片晶振体积小,特别适用于各种小巧的便携式消费电子数码产品,在移动通信领域广泛的应用,晶振产品本身可发挥优良的电气特性,满足无铅焊盘的高温回流温度曲线要求.

频率:32.768KHZ
尺寸:7.0*1.5mm
高精度晶振32.768K系列具有小型,薄型,质地轻的表面贴片音叉型石英晶体谐振器,晶振产品本身具备优良的耐热性,耐环境特性,在办公自动化,家电领域,移动通信领域可发挥优良的电气特性,符合无铅认证,满足无铅焊盘的回流温度曲线要求,金属外壳的石英晶振使得产品在封装时能发挥比陶瓷晶振外壳更好的耐冲击性能.

频率:32.768KHZ 尺寸:7.0*1.5*1.4mm
32.768KHZ目前SMD品种有几款产品在智能手环中发挥最大的作用呢?以下几款对比产品:爱普生晶振品牌MC-146,精工晶体的品牌SSP-T7-F等以上几款32.768K均是目前市场上最为常用的小尺寸贴片晶振,外观尺寸7.0*1.5*1.4mm体积还不足一立米大小。